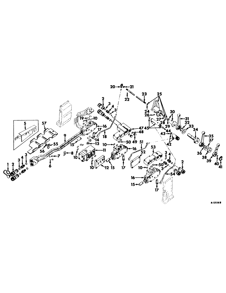
Запчасти Case IH 560 (221) - HYDRAULIC SYSTEM, HYDRA-TOUCH SYSTEM, FARMALL 560 SERIES W/HYDRA-TOUCH POWER SUPPLY (07) - HYDRAULIC SYSTEM

Схема запчастей Case IH 560 - (221) - HYDRAULIC SYSTEM, HYDRA-TOUCH SYSTEM, FARMALL 560 SERIES W/HYDRA-TOUCH POWER SUPPLY (07) - HYDRAULIC SYSTEM
43
10
13
12
50
17
3
16
55
48
2
22
2
32
16
4
2
47
20
18
52
11
40
39
30
17
3
45
3
24
54
23
42
7
1
26
36
51
4
5
33
15
17
21
10
44
25
4
15
31
41
3
16
35
14
15
56
34
50
38
53
27
57
3
28
3
10
8
49
37
19
10
10
29
FIT
1:1
100%

Артикул

Название

Примечание

Количество

1

373220R1

PLUG

CAP, self-sealing female coupling dust (A, D and F only)

2шт.

372507R93 Parts Accessory, Single Valve Hydra-Touch System

1шт.

372532R91 Parts Accessory, Single to Double Valve Hydra-Touch System Conversion (Also used as second valve Hydra-Touch parts accessory on tractors having two-point fast hitch with traction control and tel-a-depth)

1шт.

372533R91 Parts Accessory, Double to Triple Valve Hydra-Touch System Conversion

1шт.

(B and E only)

4шт.

372508R93 Parts Accessory, Double Valve Hydra-Touch System

1шт.

371876R91 Parts Accessory, Single to Triple Valve Hydra-Touch System conversion (also used as second and third valve Hydra-Touch parts accessory on tractors having two-point fast hitch with traction control and tel-a-depth)

1шт.

(C only)

6шт.

372509R93 Parts Accessory, Single to Double Valve Hydra-Touch System

1шт.

2

374780R92

COUPLING

ASSEMBLY, self-sealing female (A, D and F only)

2шт.

372507R93 Parts Accessory, Single Valve Hydra-Touch System

1шт.

372532R91 Parts Accessory, Single to Double Valve Hydra-Touch System Conversion (Also used as second valve Hydra-Touch parts accessory on tractors having two-point fast hitch with traction control and tel-a-depth)

1шт.

372533R91 Parts Accessory, Double to Triple Valve Hydra-Touch System Conversion

1шт.

254691R1

O-RING,-211, 70 Duro, .796" ID x .139" Thk

SELF-SEALING, female coupling O-RING (only serviceable item of coupling)

1шт.

3

364885R1

O-RING,0.097" Thk x 0.755" ID, -910, Cl 6, 90 Duro

self-sealing coupling connector (3/4 x 15/16 x 3/32") (A, D and F only)

4шт.

372507R93 Parts Accessory, Single Valve Hydra-Touch System

1шт.

372532R91 Parts Accessory, Single to Double Valve Hydra-Touch System Conversion (Also used as second valve Hydra-Touch parts accessory on tractors having two-point fast hitch with traction control and tel-a-depth)

1шт.

372533R91 Parts Accessory, Double to Triple Valve Hydra-Touch System Conversion

1шт.

(B and E only)

8шт.

372508R93 Parts Accessory, Double Valve Hydra-Touch System

1шт.

371876R91 Parts Accessory, Single to Triple Valve Hydra-Touch System conversion (also used as second and third valve Hydra-Touch parts accessory on tractors having two-point fast hitch with traction control and tel-a-depth)

1шт.

(C only)

12шт.

372509R93 Parts Accessory, Single to Double Valve Hydra-Touch System

1шт.

4

9410204

HYD CONNECTOR,7/8"-14, 37 Degree x 7/8"-14, O-Ring

CONNECTOR, self-sealing coupling (A, D and F only)

2шт.

372507R93 Parts Accessory, Single Valve Hydra-Touch System

1шт.

372532R91 Parts Accessory, Single to Double Valve Hydra-Touch System Conversion (Also used as second valve Hydra-Touch parts accessory on tractors having two-point fast hitch with traction control and tel-a-depth)

1шт.

372533R91 Parts Accessory, Double to Triple Valve Hydra-Touch System Conversion

1шт.

(B and E only)

4шт.

372508R93 Parts Accessory, Double Valve Hydra-Touch System

1шт.

371876R91 Parts Accessory, Single to Triple Valve Hydra-Touch System conversion (also used as second and third valve Hydra-Touch parts accessory on tractors having two-point fast hitch with traction control and tel-a-depth)

1шт.

(C only)

6шт.

372509R93 Parts Accessory, Single to Double Valve Hydra-Touch System

1шт.

5

370133R11

BAFFLE ASSEMBLY, tool box (order clamp, 370136R1, spacer, 66860D, spacer, 374069R1 and tray, 374070R1) Farmall 560 Series - 501 to 13665 and 13866 to 13900 (A, B and C only)

1шт.

6

369751R1

O-RING,0.072" Thk x 0.351" ID, -904, Cl 6, 90 Duro

4-1, 90 Duro, .351" ID x .072" Thk, Rear junction block plug (A, B and C only)

2шт.

7

9410356

PLUG

rear junction block (A, B and C only)

2шт.

372507R93 Parts Accessory, Single Valve Hydra-Touch System

1шт.

372508R93 Parts Accessory, Double Valve Hydra-Touch System

1шт.

372509R93 Parts Accessory, Single to Double Valve Hydra-Touch System

1шт.

8

370136R1

CLAMP, rear manifold tube (A, B and C only)

1шт.

372507R93 Parts Accessory, Single Valve Hydra-Touch System

1шт.

372508R93 Parts Accessory, Double Valve Hydra-Touch System

1шт.

372509R93 Parts Accessory, Single to Double Valve Hydra-Touch System

1шт.

NUT, 1/4" (A, B and C only)

1шт.

372507R93 Parts Accessory, Single Valve Hydra-Touch System

1шт.

372508R93 Parts Accessory, Double Valve Hydra-Touch System

1шт.

372509R93 Parts Accessory, Single to Double Valve Hydra-Touch System

1шт.

SCREW, 1/4 x 1-3/4" hex-hd. cap (A, B and C only)

1шт.

372507R93 Parts Accessory, Single Valve Hydra-Touch System

1шт.

372508R93 Parts Accessory, Double Valve Hydra-Touch System

1шт.

372509R93 Parts Accessory, Single to Double Valve Hydra-Touch System

1шт.

9

370846R91

TUBES ASSEMBLY, rear manifold (order clamp, 370136R1, two screws, 179795, three spacers, 66860D, spacer, 374069R1, tray, 374070R1 and tubes, 374053R91) Farmall 560 Series - 501 to 13665 and 13866 to 13900 (A, B and C only) 33.44, 6.812" Length

1шт.

372507R93 Parts Accessory, Single Valve Hydra-Touch System

1шт.

372508R93 Parts Accessory, Double Valve Hydra-Touch System

1шт.

372509R93 Parts Accessory, Single to Double Valve Hydra-Touch System

1шт.

9

374053R93

TUBE

S ASSEMBLY, rear manifold Farmall 560 Series 13666 to 13865 and 13901 up (A, B and C only)

1шт.

372507R93 Parts Accessory, Single Valve Hydra-Touch System

1шт.

372508R93 Parts Accessory, Double Valve Hydra-Touch System

1шт.

372509R93 Parts Accessory, Single to Double Valve Hydra-Touch System

1шт.

3/8" nut (A, B and C only)

2шт.

372507R93 Parts Accessory, Single Valve Hydra-Touch System

1шт.

372508R93 Parts Accessory, Double Valve Hydra-Touch System

1шт.

372509R93 Parts Accessory, Single to Double Valve Hydra-Touch System

1шт.

SCREW, 3/8" x 1-1/8" hex-hd. cap (A, B and C only)

3шт.

372507R93 Parts Accessory, Single Valve Hydra-Touch System

1шт.

372508R93 Parts Accessory, Double Valve Hydra-Touch System

1шт.

372509R93 Parts Accessory, Single to Double Valve Hydra-Touch System

1шт.

SCREW, 3/8 x 2-1/4" hex-hd. cap (A, B and C only)

2шт.

372507R93 Parts Accessory, Single Valve Hydra-Touch System

1шт.

372508R93 Parts Accessory, Double Valve Hydra-Touch System

1шт.

372509R93 Parts Accessory, Single to Double Valve Hydra-Touch System

1шт.

10

350667R1

O-RING,0.103" Thk x 0.674" ID, -115, Cl 5, 75 Duro

hydra-touch and regulator valve (11/16 x 7/8 x 3/32") (D and F only)

3шт.

372532R91 Parts Accessory, Single to Double Valve Hydra-Touch System Conversion (Also used as second valve Hydra-Touch parts accessory on tractors having two-point fast hitch with traction control and tel-a-depth)

1шт.

372533R91 Parts Accessory, Double to Triple Valve Hydra-Touch System Conversion

1шт.

(E only)

6шт.

371876R91 Parts Accessory, Single to Triple Valve Hydra-Touch System conversion (also used as second and third valve Hydra-Touch parts accessory on tractors having two-point fast hitch with traction control and tel-a-depth)

1шт.

(A only)

13шт.

372507R93 Parts Accessory, Single Valve Hydra-Touch System

1шт.

(B only)

16шт.

372508R93 Parts Accessory, Double Valve Hydra-Touch System

1шт.

(C only)

19шт.

372509R93 Parts Accessory, Single to Double Valve Hydra-Touch System

1шт.

11

360621R94

VALVE

ASSEMBLY, regulator and safety (for components see list of parts under detauls of "regulator and safety valve") (A, B and C only)

1шт.

372507R93 Parts Accessory, Single Valve Hydra-Touch System

1шт.

372508R93 Parts Accessory, Double Valve Hydra-Touch System

1шт.

372509R93 Parts Accessory, Single to Double Valve Hydra-Touch System

1шт.

SCREW, 7/16 x 4-1/4" hex-hd. cap (A, B and C only)

4шт.

372507R93 Parts Accessory, Single Valve Hydra-Touch System

1шт.

372508R93 Parts Accessory, Double Valve Hydra-Touch System

1шт.

372509R93 Parts Accessory, Single to Double Valve Hydra-Touch System

1шт.

12

370177R1

COVER, regulator and safety valve (A, B and C only)

1шт.

372507R93 Parts Accessory, Single Valve Hydra-Touch System

1шт.

372508R93 Parts Accessory, Double Valve Hydra-Touch System

1шт.

372509R93 Parts Accessory, Single to Double Valve Hydra-Touch System

1шт.

13

9410360

PLUG

hydra-touch valve (A, D and F only)

2шт.

372507R93 Parts Accessory, Single Valve Hydra-Touch System

1шт.

372532R91 Parts Accessory, Single to Double Valve Hydra-Touch System Conversion (Also used as second valve Hydra-Touch parts accessory on tractors having two-point fast hitch with traction control and tel-a-depth)

1шт.

372533R91 Parts Accessory, Double to Triple Valve Hydra-Touch System Conversion

1шт.

(B and E only)

4шт.

372508R93 Parts Accessory, Double Valve Hydra-Touch System

1шт.

371876R91 Parts Accessory, Single to Triple Valve Hydra-Touch System conversion (also used as second and third valve Hydra-Touch parts accessory on tractors having two-point fast hitch with traction control and tel-a-depth)

1шт.

(C only)

6шт.

372509R93 Parts Accessory, Single to Double Valve Hydra-Touch System

1шт.

14

364885R1

O-RING,0.097" Thk x 0.755" ID, -910, Cl 6, 90 Duro

hydra-touch vlave plug (3/4 x 15/16 x 3/32") (A, D and F only)

2шт.

372532R91 Parts Accessory, Single to Double Valve Hydra-Touch System Conversion (Also used as second valve Hydra-Touch parts accessory on tractors having two-point fast hitch with traction control and tel-a-depth)

1шт.

372533R91 Parts Accessory, Double to Triple Valve Hydra-Touch System Conversion

1шт.

372508R93 Parts Accessory, Double Valve Hydra-Touch System

1шт.

(B and E only)

4шт.

372507R93 Parts Accessory, Single Valve Hydra-Touch System

1шт.

371876R91 Parts Accessory, Single to Triple Valve Hydra-Touch System conversion (also used as second and third valve Hydra-Touch parts accessory on tractors having two-point fast hitch with traction control and tel-a-depth)

1шт.

(C only)

6шт.

372509R93 Parts Accessory, Single to Double Valve Hydra-Touch System

1шт.

15

371358R1

EXTENSION, hydra-touch valve indexing bushing (A, D and F only)

1шт.

372507R93 Parts Accessory, Single Valve Hydra-Touch System

1шт.

372532R91 Parts Accessory, Single to Double Valve Hydra-Touch System Conversion (Also used as second valve Hydra-Touch parts accessory on tractors having two-point fast hitch with traction control and tel-a-depth)

1шт.

372533R91 Parts Accessory, Double to Triple Valve Hydra-Touch System Conversion

1шт.

(B and E only)

2шт.

372508R93 Parts Accessory, Double Valve Hydra-Touch System

1шт.

371876R91 Parts Accessory, Single to Triple Valve Hydra-Touch System conversion (also used as second and third valve Hydra-Touch parts accessory on tractors having two-point fast hitch with traction control and tel-a-depth)

1шт.

(C only)

3шт.

372509R93 Parts Accessory, Single to Double Valve Hydra-Touch System

1шт.

3/16 x 7/8" type #1 groov pin (A, D and F only)

1шт.

372507R93 Parts Accessory, Single Valve Hydra-Touch System

1шт.

372532R91 Parts Accessory, Single to Double Valve Hydra-Touch System Conversion (Also used as second valve Hydra-Touch parts accessory on tractors having two-point fast hitch with traction control and tel-a-depth)

1шт.

372533R91 Parts Accessory, Double to Triple Valve Hydra-Touch System Conversion

1шт.

(B and E only)

2шт.

372508R93 Parts Accessory, Double Valve Hydra-Touch System

1шт.

371876R91 Parts Accessory, Single to Triple Valve Hydra-Touch System conversion (also used as second and third valve Hydra-Touch parts accessory on tractors having two-point fast hitch with traction control and tel-a-depth)

1шт.

(C only)

3шт.

372509R93 Parts Accessory, Single to Double Valve Hydra-Touch System

1шт.

16

371061R92

VALVE ASSEMBLY, hydra-touch (for components see list of parts under details of "hydra-touch valve") (A, D and F only)

1шт.

372507R93 Parts Accessory, Single Valve Hydra-Touch System

1шт.

372532R91 Parts Accessory, Single to Double Valve Hydra-Touch System Conversion (Also used as second valve Hydra-Touch parts accessory on tractors having two-point fast hitch with traction control and tel-a-depth)

1шт.

372533R91 Parts Accessory, Double to Triple Valve Hydra-Touch System Conversion

1шт.

(B and E only)

2шт.

372508R93 Parts Accessory, Double Valve Hydra-Touch System

1шт.

371876R91 Parts Accessory, Single to Triple Valve Hydra-Touch System conversion (also used as second and third valve Hydra-Touch parts accessory on tractors having two-point fast hitch with traction control and tel-a-depth)

1шт.

(C only)

3шт.

372509R93 Parts Accessory, Single to Double Valve Hydra-Touch System

1шт.

SCREW, 7/16 x 4" hex-hd. cap (A only)

4шт.

372507R93 Parts Accessory, Single Valve Hydra-Touch System

1шт.

SCREW, 7/16 x 6-3/4" hex-hd. cap (B and D only)

4шт.

372532R91 Parts Accessory, Single to Double Valve Hydra-Touch System Conversion (Also used as second valve Hydra-Touch parts accessory on tractors having two-point fast hitch with traction control and tel-a-depth)

1шт.

372508R93 Parts Accessory, Double Valve Hydra-Touch System

1шт.

SCREW, 7/16 x 9" hex-hd. cap (C, E and F only)

4шт.

372533R91 Parts Accessory, Double to Triple Valve Hydra-Touch System Conversion

1шт.

371876R91 Parts Accessory, Single to Triple Valve Hydra-Touch System conversion (also used as second and third valve Hydra-Touch parts accessory on tractors having two-point fast hitch with traction control and tel-a-depth)

1шт.

372509R93 Parts Accessory, Single to Double Valve Hydra-Touch System

1шт.

WASHER, 7/16" lock (A, B and C only)

4шт.

372507R93 Parts Accessory, Single Valve Hydra-Touch System

1шт.

372508R93 Parts Accessory, Double Valve Hydra-Touch System

1шт.

372509R93 Parts Accessory, Single to Double Valve Hydra-Touch System

1шт.

17

361650R11

LEVER

ASSEMBLY, hydra-touch valve actuating (A, D and F only)

1шт.

372507R93 Parts Accessory, Single Valve Hydra-Touch System

1шт.

372532R91 Parts Accessory, Single to Double Valve Hydra-Touch System Conversion (Also used as second valve Hydra-Touch parts accessory on tractors having two-point fast hitch with traction control and tel-a-depth)

1шт.

372533R91 Parts Accessory, Double to Triple Valve Hydra-Touch System Conversion

1шт.

(B and E only)

2шт.

372508R93 Parts Accessory, Double Valve Hydra-Touch System

1шт.

371876R91 Parts Accessory, Single to Triple Valve Hydra-Touch System conversion (also used as second and third valve Hydra-Touch parts accessory on tractors having two-point fast hitch with traction control and tel-a-depth)

1шт.

(C only)

3шт.

372509R93 Parts Accessory, Single to Double Valve Hydra-Touch System

1шт.

18

370840R11

ROD ASSEMBLY, rear control handle (A, B and C only)

1шт.

372507R93 Parts Accessory, Single Valve Hydra-Touch System

1шт.

372508R93 Parts Accessory, Double Valve Hydra-Touch System

1шт.

372509R93 Parts Accessory, Single to Double Valve Hydra-Touch System

1шт.

PIN, 3/32 x 5/8" cotter (A, B and C only)

2шт.

372507R93 Parts Accessory, Single Valve Hydra-Touch System

1шт.

372508R93 Parts Accessory, Double Valve Hydra-Touch System

1шт.

372509R93 Parts Accessory, Single to Double Valve Hydra-Touch System

1шт.

19

355965R1

O-RING,0.139" Thk x 0.921" ID, -213, Cl 5, 75 Duro

rear manifold flange (15/16 x 1-3/16 x 1/8") (A, B and C only)

2шт.

372507R93 Parts Accessory, Single Valve Hydra-Touch System

1шт.

372508R93 Parts Accessory, Double Valve Hydra-Touch System

1шт.

372509R93 Parts Accessory, Single to Double Valve Hydra-Touch System

1шт.

20

370113R11

LEVER ASSEMBLY, rear control handle (A, B and C only)

1шт.

372507R93 Parts Accessory, Single Valve Hydra-Touch System

1шт.

372508R93 Parts Accessory, Double Valve Hydra-Touch System

1шт.

372509R93 Parts Accessory, Single to Double Valve Hydra-Touch System

1шт.

21

369780R1

SPACER, rear control handle lever (A, B and C only)

1шт.

372507R93 Parts Accessory, Single Valve Hydra-Touch System

1шт.

372508R93 Parts Accessory, Double Valve Hydra-Touch System

1шт.

372509R93 Parts Accessory, Single to Double Valve Hydra-Touch System

1шт.

22

124543

WOODRUFF KEY,#3, 1/8" x 1/2", HT

(A, B and C only) #3, 1/8" x 1/2", HT

1шт.

372507R93 Parts Accessory, Single Valve Hydra-Touch System

1шт.

372508R93 Parts Accessory, Double Valve Hydra-Touch System

1шт.

372509R93 Parts Accessory, Single to Double Valve Hydra-Touch System

1шт.

23

370112R1

SHAFT, rear control handle (A, B and C only)

1шт.

372507R93 Parts Accessory, Single Valve Hydra-Touch System

1шт.

372508R93 Parts Accessory, Double Valve Hydra-Touch System

1шт.

372509R93 Parts Accessory, Single to Double Valve Hydra-Touch System

1шт.

NUT, 7/16" jam (A, B and C only)

2шт.

372507R93 Parts Accessory, Single Valve Hydra-Touch System

1шт.

372508R93 Parts Accessory, Double Valve Hydra-Touch System

1шт.

372509R93 Parts Accessory, Single to Double Valve Hydra-Touch System

1шт.

24

363766R1

BUSHING

control shaft carrier-inner (A, B and C only)

1шт.

372507R93 Parts Accessory, Single Valve Hydra-Touch System

1шт.

372508R93 Parts Accessory, Double Valve Hydra-Touch System

1шт.

372509R93 Parts Accessory, Single to Double Valve Hydra-Touch System

1шт.

25

373256R91

BRACKET ASSEMBLY, hydraulic controls mounting (A, B and C only)

1шт.

372507R93 Parts Accessory, Single Valve Hydra-Touch System

1шт.

372508R93 Parts Accessory, Double Valve Hydra-Touch System

1шт.

372509R93 Parts Accessory, Single to Double Valve Hydra-Touch System

1шт.

SCREW, 7/16 x 1-3/8" hex-hd. cap (A, B and C only)

3шт.

372507R93 Parts Accessory, Single Valve Hydra-Touch System

1шт.

372508R93 Parts Accessory, Double Valve Hydra-Touch System

1шт.

372509R93 Parts Accessory, Single to Double Valve Hydra-Touch System

1шт.

WASHER, 7/16" lock (A, B and C only)

3шт.

372507R93 Parts Accessory, Single Valve Hydra-Touch System

1шт.

372508R93 Parts Accessory, Double Valve Hydra-Touch System

1шт.

372509R93 Parts Accessory, Single to Double Valve Hydra-Touch System

1шт.

26

273354

SHEAVE

FITTING, 3/16" straight drive type lubrication (optional with 443566) (A, B and C only)

1шт.

372507R93 Parts Accessory, Single Valve Hydra-Touch System

1шт.

372508R93 Parts Accessory, Double Valve Hydra-Touch System

1шт.

372509R93 Parts Accessory, Single to Double Valve Hydra-Touch System

1шт.

26

80722

LUBE NIPPLE,3/16" x .55" lg, Drive

FITTING, 3/16" straight drive type lubrication (optional with 273354) (A, B and C only)

1шт.

372507R93 Parts Accessory, Single Valve Hydra-Touch System

1шт.

372508R93 Parts Accessory, Double Valve Hydra-Touch System

1шт.

372509R93 Parts Accessory, Single to Double Valve Hydra-Touch System

1шт.

27

363766R1

BUSHING

control shaft carrier-outer (A, B and C only)

1шт.

372507R93 Parts Accessory, Single Valve Hydra-Touch System

1шт.

372508R93 Parts Accessory, Double Valve Hydra-Touch System

1шт.

372509R93 Parts Accessory, Single to Double Valve Hydra-Touch System

1шт.

28

373258R1

SLEEVE, carrier o-ring retaining (A, B and C only)

1шт.

372507R93 Parts Accessory, Single Valve Hydra-Touch System

1шт.

372508R93 Parts Accessory, Double Valve Hydra-Touch System

1шт.

372509R93 Parts Accessory, Single to Double Valve Hydra-Touch System

1шт.

29

362517R91

SEAL

OIL SEAL, left control spacer (A only)

1шт.

372507R93 Parts Accessory, Single Valve Hydra-Touch System

1шт.

30

369759R91

SPACER ASSEMBLY, left control (A only)

1шт.

372507R93 Parts Accessory, Single Valve Hydra-Touch System

1шт.

31

369815R11

HANDLE ASSEMBLY, left control (B, C, D and E only)

1шт.

372532R91 Parts Accessory, Single to Double Valve Hydra-Touch System Conversion (Also used as second valve Hydra-Touch parts accessory on tractors having two-point fast hitch with traction control and tel-a-depth)

1шт.

372508R93 Parts Accessory, Double Valve Hydra-Touch System

1шт.

371876R91 Parts Accessory, Single to Triple Valve Hydra-Touch System conversion (also used as second and third valve Hydra-Touch parts accessory on tractors having two-point fast hitch with traction control and tel-a-depth)

1шт.

372509R93 Parts Accessory, Single to Double Valve Hydra-Touch System

1шт.

32

369820R1

RETAINER, left control handle shaft (B, C, D and E only)

1шт.

372532R91 Parts Accessory, Single to Double Valve Hydra-Touch System Conversion (Also used as second valve Hydra-Touch parts accessory on tractors having two-point fast hitch with traction control and tel-a-depth)

1шт.

372508R93 Parts Accessory, Double Valve Hydra-Touch System

1шт.

371876R91 Parts Accessory, Single to Triple Valve Hydra-Touch System conversion (also used as second and third valve Hydra-Touch parts accessory on tractors having two-point fast hitch with traction control and tel-a-depth)

1шт.

372509R93 Parts Accessory, Single to Double Valve Hydra-Touch System

1шт.

33

369769R1

WASHER, left control handle (B and C only)

1шт.

372508R93 Parts Accessory, Double Valve Hydra-Touch System

1шт.

372509R93 Parts Accessory, Single to Double Valve Hydra-Touch System

1шт.

34

370282R11

SPACER ASSEMBLY, right control (A and B only)

1шт.

372507R93 Parts Accessory, Single Valve Hydra-Touch System

1шт.

372508R93 Parts Accessory, Double Valve Hydra-Touch System

1шт.

35

369827R11

HANDLE ASSEMBLY, right control (C, E and F only)

1шт.

372533R91 Parts Accessory, Double to Triple Valve Hydra-Touch System Conversion

1шт.

371876R91 Parts Accessory, Single to Triple Valve Hydra-Touch System conversion (also used as second and third valve Hydra-Touch parts accessory on tractors having two-point fast hitch with traction control and tel-a-depth)

1шт.

372509R93 Parts Accessory, Single to Double Valve Hydra-Touch System

1шт.

36

369832R1

RETAINER, right control handle shaft (C, E and F only)

1шт.

372533R91 Parts Accessory, Double to Triple Valve Hydra-Touch System Conversion

1шт.

371876R91 Parts Accessory, Single to Triple Valve Hydra-Touch System conversion (also used as second and third valve Hydra-Touch parts accessory on tractors having two-point fast hitch with traction control and tel-a-depth)

1шт.

372509R93 Parts Accessory, Single to Double Valve Hydra-Touch System

1шт.

37

369772R1

WASHER, right control handle (A, B and C only)

1шт.

372507R93 Parts Accessory, Single Valve Hydra-Touch System

1шт.

372508R93 Parts Accessory, Double Valve Hydra-Touch System

1шт.

372509R93 Parts Accessory, Single to Double Valve Hydra-Touch System

1шт.

38

369773R1

SPACER, quadrant (A, B and C only)

1шт.

372507R93 Parts Accessory, Single Valve Hydra-Touch System

1шт.

372508R93 Parts Accessory, Double Valve Hydra-Touch System

1шт.

372509R93 Parts Accessory, Single to Double Valve Hydra-Touch System

1шт.

39

371474R91

HANDLE

ASSEMBLY, rear control (A, B and C only)

1шт.

372507R93 Parts Accessory, Single Valve Hydra-Touch System

1шт.

372508R93 Parts Accessory, Double Valve Hydra-Touch System

1шт.

372509R93 Parts Accessory, Single to Double Valve Hydra-Touch System

1шт.

40

369777R1

RING

rear control handle shaft snap (A, B and C only)

1шт.

372507R93 Parts Accessory, Single Valve Hydra-Touch System

1шт.

372508R93 Parts Accessory, Double Valve Hydra-Touch System

1шт.

372509R93 Parts Accessory, Single to Double Valve Hydra-Touch System

1шт.

41

369778R1

PRODUCT GRAPHIC

EMBLEM, hydra-touch handle (A, B and C only)

1шт.

372507R93 Parts Accessory, Single Valve Hydra-Touch System

1шт.

372508R93 Parts Accessory, Double Valve Hydra-Touch System

1шт.

372509R93 Parts Accessory, Single to Double Valve Hydra-Touch System

1шт.

42

370117R91

LEVER ASSEMBLY, left control handle (B, C, D and E only)

1шт.

372532R91 Parts Accessory, Single to Double Valve Hydra-Touch System Conversion (Also used as second valve Hydra-Touch parts accessory on tractors having two-point fast hitch with traction control and tel-a-depth)

1шт.

372508R93 Parts Accessory, Double Valve Hydra-Touch System

1шт.

371876R91 Parts Accessory, Single to Triple Valve Hydra-Touch System conversion (also used as second and third valve Hydra-Touch parts accessory on tractors having two-point fast hitch with traction control and tel-a-depth)

1шт.

372509R93 Parts Accessory, Single to Double Valve Hydra-Touch System

1шт.

43

362517R91

SEAL

OIL SEAL, left control handle (B, C, D and E only)

1шт.

372532R91 Parts Accessory, Single to Double Valve Hydra-Touch System Conversion (Also used as second valve Hydra-Touch parts accessory on tractors having two-point fast hitch with traction control and tel-a-depth)

1шт.

372508R93 Parts Accessory, Double Valve Hydra-Touch System

1шт.

371876R91 Parts Accessory, Single to Triple Valve Hydra-Touch System conversion (also used as second and third valve Hydra-Touch parts accessory on tractors having two-point fast hitch with traction control and tel-a-depth)

1шт.

372509R93 Parts Accessory, Single to Double Valve Hydra-Touch System

1шт.

44

363768R1

BUSHING

right control handle shaft (C, E and F only)

2шт.

372533R91 Parts Accessory, Double to Triple Valve Hydra-Touch System Conversion

1шт.

371876R91 Parts Accessory, Single to Triple Valve Hydra-Touch System conversion (also used as second and third valve Hydra-Touch parts accessory on tractors having two-point fast hitch with traction control and tel-a-depth)

1шт.

372509R93 Parts Accessory, Single to Double Valve Hydra-Touch System

1шт.

45

370123R91

LEVER ASSEMBLY, right control handle (C, E and F only)

1шт.

372533R91 Parts Accessory, Double to Triple Valve Hydra-Touch System Conversion

1шт.

371876R91 Parts Accessory, Single to Triple Valve Hydra-Touch System conversion (also used as second and third valve Hydra-Touch parts accessory on tractors having two-point fast hitch with traction control and tel-a-depth)

1шт.

372509R93 Parts Accessory, Single to Double Valve Hydra-Touch System

1шт.

47

370145R11

BLOCK W/TWO O-RINGS, 364885R1 and two plugs, 9410360 assembly, LH junction (B, C, D and E only)

1шт.

372532R91 Parts Accessory, Single to Double Valve Hydra-Touch System Conversion (Also used as second valve Hydra-Touch parts accessory on tractors having two-point fast hitch with traction control and tel-a-depth)

1шт.

372508R93 Parts Accessory, Double Valve Hydra-Touch System

1шт.

371876R91 Parts Accessory, Single to Triple Valve Hydra-Touch System conversion (also used as second and third valve Hydra-Touch parts accessory on tractors having two-point fast hitch with traction control and tel-a-depth)

1шт.

372509R93 Parts Accessory, Single to Double Valve Hydra-Touch System

1шт.

SCREW, 3/8 x 2-1/4" hex-hd. cap (B, C, D and E only)

3шт.

372532R91 Parts Accessory, Single to Double Valve Hydra-Touch System Conversion (Also used as second valve Hydra-Touch parts accessory on tractors having two-point fast hitch with traction control and tel-a-depth)

1шт.

372508R93 Parts Accessory, Double Valve Hydra-Touch System

1шт.

371876R91 Parts Accessory, Single to Triple Valve Hydra-Touch System conversion (also used as second and third valve Hydra-Touch parts accessory on tractors having two-point fast hitch with traction control and tel-a-depth)

1шт.

372509R93 Parts Accessory, Single to Double Valve Hydra-Touch System

1шт.

48

364885R1

O-RING,0.097" Thk x 0.755" ID, -910, Cl 6, 90 Duro

LH junction block plug (3/4 x 15/16 x 3/32") (B, C, D and E only)

2шт.

372532R91 Parts Accessory, Single to Double Valve Hydra-Touch System Conversion (Also used as second valve Hydra-Touch parts accessory on tractors having two-point fast hitch with traction control and tel-a-depth)

1шт.

372508R93 Parts Accessory, Double Valve Hydra-Touch System

1шт.

371876R91 Parts Accessory, Single to Triple Valve Hydra-Touch System conversion (also used as second and third valve Hydra-Touch parts accessory on tractors having two-point fast hitch with traction control and tel-a-depth)

1шт.

372509R93 Parts Accessory, Single to Double Valve Hydra-Touch System

1шт.

49

9410360

PLUG

LH junction block plug (B, C, D and E only)

2шт.

372532R91 Parts Accessory, Single to Double Valve Hydra-Touch System Conversion (Also used as second valve Hydra-Touch parts accessory on tractors having two-point fast hitch with traction control and tel-a-depth)

1шт.

372508R93 Parts Accessory, Double Valve Hydra-Touch System

1шт.

371876R91 Parts Accessory, Single to Triple Valve Hydra-Touch System conversion (also used as second and third valve Hydra-Touch parts accessory on tractors having two-point fast hitch with traction control and tel-a-depth)

1шт.

372509R93 Parts Accessory, Single to Double Valve Hydra-Touch System

1шт.

50

355965R1

O-RING,0.139" Thk x 0.921" ID, -213, Cl 5, 75 Duro

junction block (15/16 x 1-3/16 x 1/8") (B and D only)

2шт.

372532R91 Parts Accessory, Single to Double Valve Hydra-Touch System Conversion (Also used as second valve Hydra-Touch parts accessory on tractors having two-point fast hitch with traction control and tel-a-depth)

1шт.

372508R93 Parts Accessory, Double Valve Hydra-Touch System

1шт.

(C, D and E only)

4шт.

372532R91 Parts Accessory, Single to Double Valve Hydra-Touch System Conversion (Also used as second valve Hydra-Touch parts accessory on tractors having two-point fast hitch with traction control and tel-a-depth)

1шт.

371876R91 Parts Accessory, Single to Triple Valve Hydra-Touch System conversion (also used as second and third valve Hydra-Touch parts accessory on tractors having two-point fast hitch with traction control and tel-a-depth)

1шт.

372509R93 Parts Accessory, Single to Double Valve Hydra-Touch System

1шт.

51

370841R11

ROD ASSEMBLY, left control handle (B, C, D and E only)

1шт.

372532R91 Parts Accessory, Single to Double Valve Hydra-Touch System Conversion (Also used as second valve Hydra-Touch parts accessory on tractors having two-point fast hitch with traction control and tel-a-depth)

1шт.

372508R93 Parts Accessory, Double Valve Hydra-Touch System

1шт.

371876R91 Parts Accessory, Single to Triple Valve Hydra-Touch System conversion (also used as second and third valve Hydra-Touch parts accessory on tractors having two-point fast hitch with traction control and tel-a-depth)

1шт.

372509R93 Parts Accessory, Single to Double Valve Hydra-Touch System

1шт.

52

370216R1

COVER, hydra-touch valve (A and B only)

1шт.

372507R93 Parts Accessory, Single Valve Hydra-Touch System

1шт.

372508R93 Parts Accessory, Double Valve Hydra-Touch System

1шт.

53

370166R11

BLOCK ASSEMBLY, RH junction (C, E and F only)

1шт.

372533R91 Parts Accessory, Double to Triple Valve Hydra-Touch System Conversion

1шт.

371876R91 Parts Accessory, Single to Triple Valve Hydra-Touch System conversion (also used as second and third valve Hydra-Touch parts accessory on tractors having two-point fast hitch with traction control and tel-a-depth)

1шт.

372509R93 Parts Accessory, Single to Double Valve Hydra-Touch System

1шт.

54

370842R11

ROD ASSEMBLY, right control handle (C, E and F only)

1шт.

372533R91 Parts Accessory, Double to Triple Valve Hydra-Touch System Conversion

1шт.

371876R91 Parts Accessory, Single to Triple Valve Hydra-Touch System conversion (also used as second and third valve Hydra-Touch parts accessory on tractors having two-point fast hitch with traction control and tel-a-depth)

1шт.

372509R93 Parts Accessory, Single to Double Valve Hydra-Touch System

1шт.

PIN, 3/32 x 5/8" cotter (C, E and F only)

2шт.

372533R91 Parts Accessory, Double to Triple Valve Hydra-Touch System Conversion

1шт.

371876R91 Parts Accessory, Single to Triple Valve Hydra-Touch System conversion (also used as second and third valve Hydra-Touch parts accessory on tractors having two-point fast hitch with traction control and tel-a-depth)

1шт.

372509R93 Parts Accessory, Single to Double Valve Hydra-Touch System

1шт.

55

370136R1

CLAMP, rear manifold Farmall 560 Series 13666 to 13865 and 13901 up (A, B and C only)

1шт.

372507R93 Parts Accessory, Single Valve Hydra-Touch System

1шт.

372508R93 Parts Accessory, Double Valve Hydra-Touch System

1шт.

372509R93 Parts Accessory, Single to Double Valve Hydra-Touch System

1шт.

56

66860D

WASHER

SPACER, rear manifold tubes Farmall 560 Series 13666 to 13865 and 13901 up (A, B and C only)

1шт.

372507R93 Parts Accessory, Single Valve Hydra-Touch System

1шт.

372508R93 Parts Accessory, Double Valve Hydra-Touch System

1шт.

372509R93 Parts Accessory, Single to Double Valve Hydra-Touch System

1шт.

57

374070R1

TRAY, seat support Farmall 560 Series 13866 to 13865 and 13901 up (A, B and C only)

1шт.

372507R93 Parts Accessory, Single Valve Hydra-Touch System

1шт.

372508R93 Parts Accessory, Double Valve Hydra-Touch System

1шт.

372509R93 Parts Accessory, Single to Double Valve Hydra-Touch System

1шт.

372703R1

FLUID, "hy-tran" (quart can) (A, B and C only)

1шт.

372507R93 Parts Accessory, Single Valve Hydra-Touch System

1шт.

372508R93 Parts Accessory, Double Valve Hydra-Touch System

1шт.

372509R93 Parts Accessory, Single to Double Valve Hydra-Touch System

1шт.

372704R1

TRANSMISSION OIL

FLUID, "hy-tran" (gallon can) (A, B and C only)

1шт.

372507R93 Parts Accessory, Single Valve Hydra-Touch System

1шт.

372508R93 Parts Accessory, Double Valve Hydra-Touch System

1шт.

372509R93 Parts Accessory, Single to Double Valve Hydra-Touch System

1шт.

372705R1

FLUID

"hy-tran" (five gallon can) (A, B and C only)

1шт.

372507R93 Parts Accessory, Single Valve Hydra-Touch System

1шт.

372508R93 Parts Accessory, Double Valve Hydra-Touch System

1шт.

372509R93 Parts Accessory, Single to Double Valve Hydra-Touch System

1шт.

372689R1

RETAINER

RETAINER, hood fastener screw (A, B and C only)

1шт.

372507R93 Parts Accessory, Single Valve Hydra-Touch System

1шт.

372508R93 Parts Accessory, Double Valve Hydra-Touch System

1шт.

372509R93 Parts Accessory, Single to Double Valve Hydra-Touch System

1шт.

372688R1

SCREW

hood fastener screw (A, B and C only)

1шт.

372507R93 Parts Accessory, Single Valve Hydra-Touch System

1шт.

372508R93 Parts Accessory, Double Valve Hydra-Touch System

1шт.

372509R93 Parts Accessory, Single to Double Valve Hydra-Touch System

1шт.

Выбрано товаров: 0