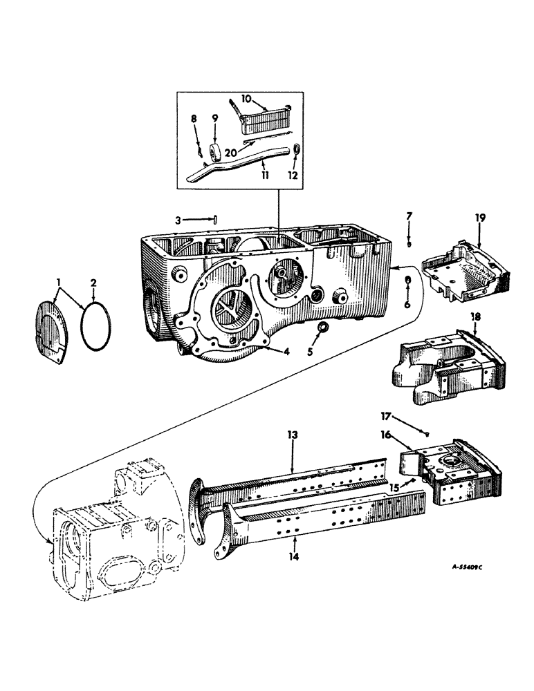
Запчасти Case IH 560 (142) - REAR FRAME AND DRIVING MECHANISMS, REAR FRAME, FRONT CHANNELS, UPPER BOLSTERS & CONNECTIONS Rear Frame & Driving Mechanisms
№
Артикул
Название
Примечание
Количество
1
358841R11
COVER ASSEMBLY, power take-off opening
1шт.
SCREW, 1/2 x 1" cap
4шт.
2
358842R1
RING
power take-off opening cover sealing
1шт.
3
49055D
DOWEL, rear frame cover
3шт.
4
372653R94
1шт.
PACKAGE, rear frame service, consists of (1) cage 373021R1, (3) dowel 49055D, (1) filter 372232R91, (1) frame 381697R91 (NSS), (5) plug 41047D, (1) plug 103868, (1) plug 372684R1, (1) plug 103870, (1) plug 103879, (1) plug 45361D, (1) retainer 373022R1, (4) screw 179861, (1) screw 376579R1, (1) shim 372233R1, (1) shim 372234R1, (3) shim 372235R1, (2) washer 114608
1шт.
PLUG, 3/8" sq-hd stl pipe
1шт.
PLUG, 1/2" sq-hd CI pipe
1шт.
PLUG, 1" sq-hd CI pipe
1шт.
372684R1
PLUG, rear frame
1шт.
5
380959R91
OIL SEAL,26.67mm ID x 46.53mm OD x 6.5mm Thk
OIL SEAL, brake pedal shaft
2шт.
6
41047D
PLUG, cup
1шт.
7
45361D
PLUG
vent hole cup
1шт.
8
368185R1
RETAINER, oil suction tube bracket support
1шт.
SCREW, 3/8 x 3/4" hex-hd. cap
1шт.
WASHER, 3/8" lock
1шт.
9
370339R21
SUPPORTASSEMBLY, oil suction tube bracket
1шт.
10
368156R91
FILTER, transmission oil (see note A) Farmall 560 series 501 to 8502 International 560 series, Serial Range: 501-1275
1шт.
SCREW, 1/2 x 1/2" hex-hd. cap
1шт.
SCREW, 1/2 x 1-1/2" hex-hd. cap
1шт.
WASHER, 7/16" external tooth lock
1шт.
WASHER 1/2" external tooth lock
1шт.
10
372232R91
FILTER, transmission oil (see note A) Farmall 560 series 8503 up International 560 series 1276 up, International 660 series 501 up
1шт.
376579R1
SCREW, oil filter mounting
1шт.
SCREW, 7/16 x 1-3/8" cap
1шт.
WASHER, 1/2" external tooth lock
1шт.
WASHER, 15/32 x 59/64" x 16 ga.
1шт.
11
368157R11
TUBE ASSEMBLY, oil suction
1шт.
SCREW, 3/8 x 3/4" hex-hd. cap
1шт.
WASHER, 3/8" lock
1шт.
12
368548R1
RING
oil suction tube seal
1шт.
13
368926R21
CHANNEL ASSEMBLY, LH front frame
1шт.
SCREW, 5/8 x 1-3/8" hex-hd. cap
4шт.
361313R1
SCREW, 3/4 x 2-1/2" hex-hd. cap
4шт.
14
368927R21
CHANNEL ASSEMBLY, RH front frame
1шт.
SCREW, 5/8 x 1-3/8" hex-hd. cap
4шт.
361313R1
SCREW, 3/4 x 2-1/2" hex-hd. cap
2шт.
363807R1
SCREW, 3/4 x 2" hex-hd. cap
2шт.
15
273354
SHEAVE
FITTING, 3/16" straight drive type lubrication (Farmall 560 series) (optional with 443566)
1шт.
15
80722
LUBE NIPPLE,3/16" x .55" lg, Drive
FITTING, 3/16" straight drive type lubrication (Farmall 560 series) (optional with 273354)
1шт.
16
367056R21
BOLSTER
ASSEMBLY, upper (Farmall 560 series), composed of (1) bolster 367056R2 (NSS), (1) cup ST981, (1) cup 13207D, (1) plug 384803R1
1шт.
384803R1
PLUG, upper bolster
1шт.
17
369861R1
PLUG, upper bolster power steering opening tube (Farmall 560 series)
2шт.
61252H
WASHER
15/32 x 3/4" x 11 ga.
1шт.
18
367057R2
BOLSTER, upper (International 560 and 660 series)
1шт.
19
372495R1
SPACER, upper bolster (International 660 series)
1шт.
SCREW, 5/8 x 2-1/2" hex-hd. cap
4шт.
20
374958R11
TROUGH, oil (used only on tractors with Tandem oil filter)
1шт.
376579R1
SCREW, oil trough mounting
1шт.
WASHER, 1/2" external tooth lock
1шт.
Выбрано товаров: 0