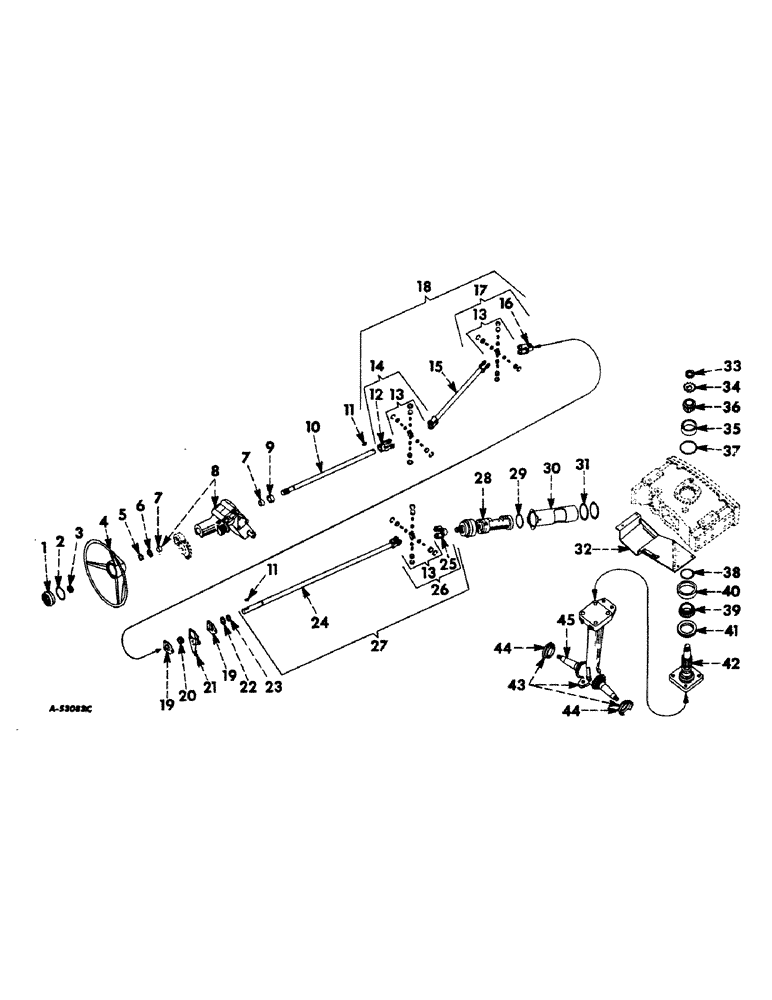
Запчасти Case IH 560 (169) - STEERING MECHANISM, STEERING MECHANISM, AND LOWER BOLSTERS, FARMALL 560 SERIES Steering Mechanism

Схема запчастей Case IH 560 - (169) - STEERING MECHANISM, STEERING MECHANISM, AND LOWER BOLSTERS, FARMALL 560 SERIES Steering Mechanism
39
33
30
24
1
45
13
6
21
19
10
42
25
41
7
29
18
13
31
2
34
8
28
26
19
20
11
40
12
17
3
36
32
35
11
27
16
15
14
44
7
43
9
38
23
19
44
13
5
4
37
FIT
1:1
100%

Артикул

Название

Примечание

Количество

1

366558R1

PRODUCT GRAPHIC

CAP, steering wheel monogrammed (tractors without power steering)

1шт.

1

366566R1

CAP

steering wheel monogrammed (tractors with power steering)

1шт.

2

295204R1

O-RING,0.103" Thk x 2.8" ID, -149, Cl 5, 75 Duro

RETAINER, steering wheel cap o-ring (2-13/16 x 3 x 3/32")

1шт.

3

F19646

LOCK NUT,13/16"-20, Thin

NUT, steering wheel

1шт.

4

366557R2

STEERING WHEEL

WHEEL, steering (18" dia)

1шт.

5

359909R1

RING

steering shaft snap, rear section

1шт.

6

358002R1

WASHER

steering shaft upper bearing

1шт.

7

378699R1

BUSHING,22.25mm ID x 25.43mm OD x 22.35mm L

BEARING, steering shaft

2шт.

8

369682R11

HOUSING ASSEMBLY, steerin shaft

1шт.

SCREW, 3/8 x 1-1/4" hex-hd. cap

4шт.

WASHER, 3/8" lock

4шт.

9

51444DA

COLLAR

steering shaft

1шт.

SCREW, 5/16 NF x 5/16" hex. soc-hd. cup-pt. set

2шт.

10

369662R1

SHAFT, steering, rear section

1шт.

11

103462

KEY

no. 13 Woodruff

2шт.

12

350256R1

YOKE

rear

1шт.

PIN, 3/16 x 1-3/8" roll

1шт.

13

350254R91

U-JOINT SPIDER

BEARING AND SPIDER ASSEMBLY, (optional with 357439R91)

3шт.

13

357439R91

BEARING AND SPIDER ASSEMBLY, (optional with 350254R91)

3шт.

14

369658R91

YOKE, BEARING AND SPIDER ASSEMBLY, rear

1шт.

15

369667R11

SHAFT ASSEMBLY, steering, center section

1шт.

16

369657R1

YOKE

center

1шт.

NUT, 3/8"

1шт.

SCREW, 3/8 x 1-3/4" hex-hd. cap

1шт.

WASHER, 3/8" lock

1шт.

17

369656R91

YOKE, BEARING AND SPIDER ASSEMBLY, center

1шт.

18

369666R91

SHAFT ASSEMBLY, steering and universal joint, center section

1шт.

19

369663R1

RETAINER

steering shaft bearing

2шт.

NUT, 1/4"

3шт.

SCREW, 1/4 x 5/8" hex-hd. cap

3шт.

20

369661R1

SPHERICAL BEARING,0.881" ID x 1.25"

BEARING, steering shaft

1шт.

21

369669R1

BRACKET, steering shaft bearing support

1шт.

SCREW, 3/8 x 1-1/8" hex-hd. cap

4шт.

22

370451R1

WASHER

steering shaft thrust

1шт.

23

359909R1

RING

steering shaft snap, front section

1шт.

24

369665R11

SHAFT ASSEMBLY, steering, front section

1шт.

25

370003R1

YOKE

steering worm

1шт.

26

369653R91

YOKE, BEARING AND SPIDER ASSEMBLY, front

1шт.

27

369664R91

SHAFT ASSEMBLY, steering and universal joint, front section

1шт.

28

370545R92

STEERING WORM UNIT, (for components see list of parts under details of "steering worm unit")

1шт.

373084R1

BOLT,Hex, 7/16" - 14 x 3", Gr 8

SCREW, steering worm unit

4шт.

183544R1

WASHER

steering worm unit

4шт.

29

355740R1

O-RING,0.139" Thk x 3.734" ID, -240, Cl 5, 75 Duro

cylinder sleeve adapter (3-3/4 x 4 x 1/8")

1шт.

30

367805R2

SLEEVE CYLINDER

SLEEVE, steering cylinder

1шт.

31

254688R1

O-RING,0.21" Thk x 3.85" ID, -344, Cl 5, 75 Duro

steering cylinder sleeve (3-7/8 x 4-1/4 x 3/16")

2шт.

32

371466R12

SHIELD ASSEMBLY, fan drive pulley (see note A)

1шт.

SCREW, 5/16 x 1/2" cap

4шт.

SCREW, 5/16 x 1" cap

2шт.

33

374248R1

NUT

upper bolster pivot shaft (will work for 369354R1)

1шт.

34

127688

LOCK WASHER,Type W-08

WASHER, upper bolster pivot shaft nut lock (used only with nut, 369354R1)

1шт.

35

13207D

BEARING CUP,95.28mm OD x 22.35mm W

CUP, upper bolster pivot shaft upper bearing

1шт.

36

ST2086

BEARING ASSY,44.45mm ID x 29.9mm W

CONE, upper bolster pivot shaft upper bearing

1шт.

37

259246R1

O-RING,0.139" Thk x 3.859" ID, -241, Cl 5, 75 Duro

upper bolster pivot shaft opening (3-7/8 x 4-1/8 x 1/8")

1шт.

38

252734R1

O-RING,0.21" Thk x 2.725" ID, -335, Cl 5, 75 Duro

upper bolster pivot shaft (2-3/4 x 3-1/8 3/16")

1шт.

39

ST2087

TAPERED BEARING,2.7815" ID x 4.4385" OD x 1.014"

CONE, upper bolster pivot shaft

1шт.

40

ST981

BEARING CONE,112.71mm OD x 19.05mm W

CUP, upper bolster pivot shaft lower bearing

1шт.

41

369380R91

OIL SEAL

OIL SEAL, upper bolster pivot shaft

1шт.

42

367804R11

SHAFT

ASSEMBLY, upper bolster pivot

1шт.

43

370251R92

BOLSTER ASSEMBLY, lower (see note A)

1шт.

SCREW, 3/4 x 2" hex-hd. cap

4шт.

44

48701D

SHIELD

front wheel dust

2шт.

45

370253R1

AXLE, front (see note A)

1шт.

19794R1

RIVET, 5/8 x 3-3/4" rd-hd stl

1шт.

Выбрано товаров: 0