Запчасти Case IH 560 (172) - STEERING MECHANISM, POWER STEERING, FARMALL 560 SERIES Steering Mechanism

Схема запчастей Case IH 560 - (172) - STEERING MECHANISM, POWER STEERING, FARMALL 560 SERIES Steering Mechanism
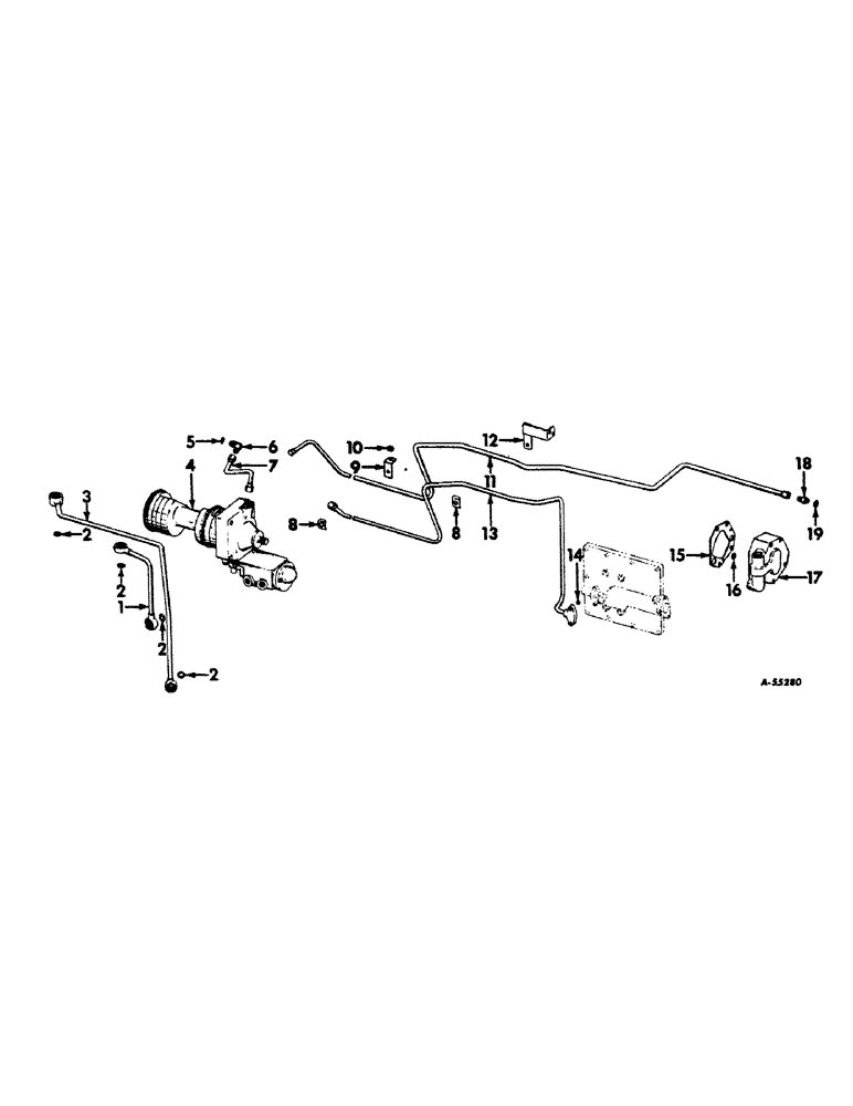
11
2
16
12
2
17
14
18
3
10
9
2
5
7
15
8
8
13
2
1
6
19
4
FIT
1:1
100%

Артикул

Название

Примечание

Количество

*

370913R91

PARTS ACCESSORY, power steering

1шт.

1

370916R11

TUBE,6.75, 3.5" Length

ASSEMBLY, rear pressure

1шт.

*

370921R1

HOLLOW SCREW,Hex, 7/16" - 20 x 1.31"

SCREW, front pressure tube union

1шт.

*

370922R1

SCREW,Hex, 7/16" - 20 x 1"

rear pressure tube union

1шт.

*

135617H

WASHER, 29/64 x 3/4" x 22 ga

2шт.

2

370920R1

O-RING,1/2" ID

pressure tube (1/2 x 5/8 x 1/16")

8шт.

3

370918R11

TUBE

ASSEMBLY, front pressure

1шт.

*

370922R1

SCREW,Hex, 7/16" - 20 x 1"

pressure tube union

2шт.

*

135617H

WASHER, 29/64 x 3/4" x 22 ga

2шт.

4

370546R91

STEERING WORM UNIT, power (for components see list of parts under details of "power steering worm unit")

1шт.

*

372630R1

BOLT,Hex, 7/16" - 14 x 2 1/4", Gr 8

SCREW, cylinder end cover

4шт.

*

183544R1

WASHER

cylinder end cover

4шт.

5

369751R1

O-RING,0.072" Thk x 0.351" ID, -904, Cl 6, 90 Duro

4-1, 90 Duro, .351" ID x .072" Thk, Overflow return tube elbow

1шт.

6

9410974

ELBOW,90 Degree, 7/16"-20, 37 Degree x 7/16"-20, O-Ring

ASSEMBLY, overflow return tube

1шт.

7

370923R11

TUBE

ASSEMBLY, overflow return

1шт.

8

381394R1

CLAMP

power steering tube

2шт.

*

NUT, 1/4"

1шт.

*

SCREW, 1/4 x 7/8" hex-hd cap

2шт.

9

370930R1

SUPPORT, front tube

1шт.

10

49909K

SPACER, front tube support

1шт.

*

SCREW, 5/16 x 1" hex-hd. cap

1шт.

11

370928R11

HYD TUBE,0.375" OD, 35.83, 0.986" Length

TUBE ASSEMBLY, return

1шт.

12

370933R11

BRACKET ASSEMBLY, rear tube support

1шт.

*

NUT, 1/4 NF

2шт.

*

SCREW, 1/4 NF x 3/4" hex-hd. cap

2шт.

13

370925R11

HYD TUBE,44.279" Length

TUBE ASSEMBLY, pressure

1шт.

*

SCREW, 5/16 x 1-1/4" hex-hd. cap

2шт.

*

WASHER, 5/16" lock

2шт.

14

252738R1

O-RING,0.103" Thk x 0.362" ID, -110, Cl 5, 75 Duro

pressure tube flange (3/8 x 9/16 x 3/32")

1шт.

15

371543R2

GASKET

power steering pump

1шт.

16

371544R1

O-RING,0.07" Thk x 0.551" ID, -15, Cl 5, 75 Duro

power steering pump (9/16 x 11/16 x 1/16")

1шт.

17

370924R92

PUMP

ASSEMBLY, power steering (Thompson) (for components see list of parts under details of "power steering pump") (optional with 371135R92)

1шт.

17

1949250C1

REMAN-HYD PUMP

Reman for New P/N 370924R92

1шт.

17

1949251C1

CORE-HYDRAULIC PUMP

Return Number

1шт.

*

371803R1

BOLT,Hex, 3/8" - 16 x 2 1/2"

power steering pump

4шт.

17

371135R92

PUMP

ASSEMBLY, power steering (Cessna) (for components see list of parts under details of "power steering pump") (optional with 370924R92)

1шт.

17

1949250C1

REMAN-HYD PUMP

560 FARMALL DIESEL, 560 FARMALL GAS, Both TRACTOR, ASSEMBLY, power steering (Cessna), 560 SERIES (1/58-12/63)

1шт.

17

1949251C1

CORE-HYDRAULIC PUMP

Return Number

1шт.

*

371802R1

BOLT, power steering pump short

3шт.

*

371803R1

BOLT,Hex, 3/8" - 16 x 2 1/2"

power steering pump long

1шт.

18

9410202

HYD CONNECTOR,9/16"-18, 37 Degree x 9/16"-18, O-Ring

CONNECTOR, 3/8" tubing (o-ring type)

1шт.

19

364839R1

O-RING,0.078" Thk x 0.468" ID, -906, Cl 6, 90 Duro

6-1, 90 Duro, .468" ID x .078" Thk, 3/8" OD tube fitting

1шт.

*

366566R1

CAP

steering wheel monogrammed ("IH power steering") (illustrated with "steering mechanism and lower bolster")

1шт.

*

355740R1

O-RING,0.139" Thk x 3.734" ID, -240, Cl 5, 75 Duro

cylinder end cover (illustrated with "steering mechanism and lower bolster")

1шт.

*

254688R1

O-RING,0.21" Thk x 3.85" ID, -344, Cl 5, 75 Duro

steering cylinder sleeve (illustrated with "steering mechanism and lower bolsters")

3шт.

Выбрано товаров: 0