Запчасти Case IH 706 (D-34) - DIESEL ENGINES, ENGINE OIL COOLER, FILTER AND OIL PUMP, D-310 DIESEL ENGINE TRACTORS (01) - ENGINE

Схема запчастей Case IH 706 - (D-34) - DIESEL ENGINES, ENGINE OIL COOLER, FILTER AND OIL PUMP, D-310 DIESEL ENGINE TRACTORS (01) - ENGINE
3
9
10
13
3
5
8
13
6
13
12
11
14
6
13
13
1
13
4
13
4
13
7
2
FIT
1:1
100%

Артикул

Название

Примечание

Количество

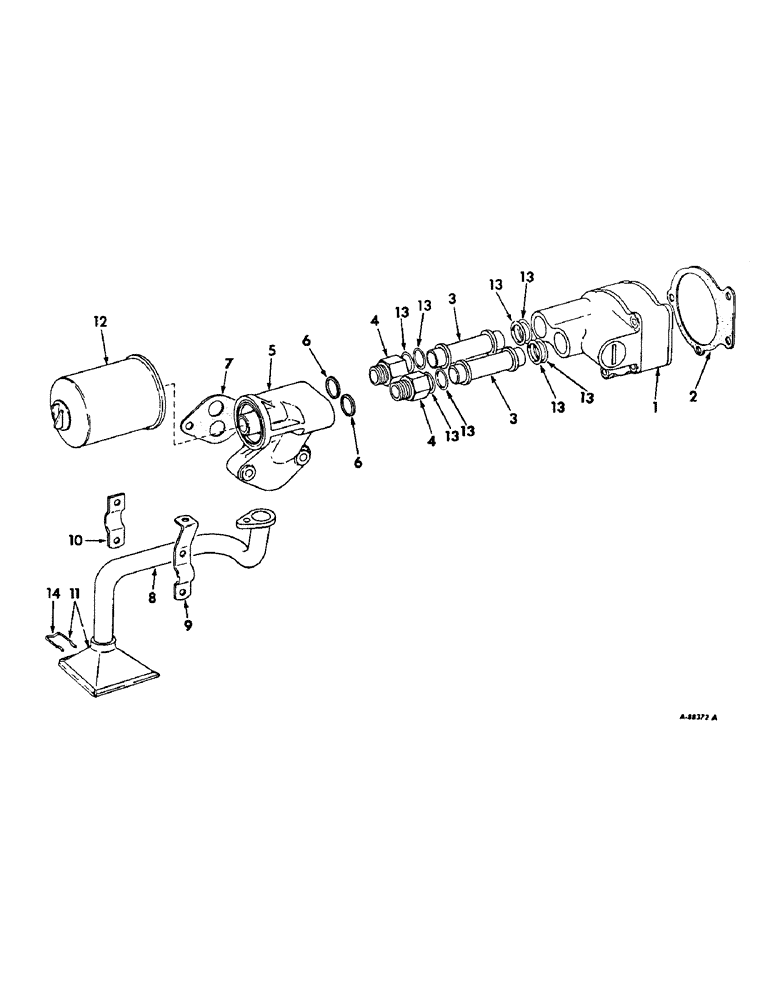
1

3055962R96

PUMP

ASSY, oil, for components see list of parts under details of oil pump assy.

1шт.

186273

BOLT,Hex, 5/16" - 18 x 4 1/4", Gr 5

4шт.

103320

LOCK WASHER,5/16"

WASHER, LOCK, 5/16"

4шт.

9635082

NUT,5/16" - 18, Gr 5

4шт.

2

3055961R1

GASKET

oil pump

1шт.

3

3055950R11

PIPE

ASSY, oil pump

2шт.

4

3055949R2

ADAPTER

oil filter socket pipe

2шт.

5

3055948R1

PEDESTAL

SOCKET, oil filter

1шт.

179845

BOLT,Hex, 3/8" - 16 x 1 3/4", Gr 5

SCREW, 3/8-16 x 1-3/4 hex-hd. cap

2шт.

933620R1

BELLEVILLE WASHER,M10 Bolt Size x 20mm OD x 1.1mm Thk

Disc M10.2 ID x 20 OD x 1.1 Thk

2шт.

6

933608R1

SEALING RING,M26 x 31 x 2

WASHER, SEALING, , Packing M26 x 31 x 2

2шт.

7

3055237R1

GASKET

oil filter socket

1шт.

8

3132793R91

SPARE PART

PIPE ASSY, oil suction, will work for 3055947R11 and basket assy. 3055453R91

1шт.

179816

BOLT,Hex, 5/16" - 18 x 3/4", Gr 5

1шт.

103320

LOCK WASHER,5/16"

WASHER, LOCK, 5/16"

1шт.

9

3055946R2

BRACKET

oil suction pipe

1шт.

10

3055945R1

CLAMP

oil suction pipe

1шт.

179814

SPACER

3шт.

103320

LOCK WASHER,5/16"

WASHER, LOCK, 5/16"

3шт.

9635082

NUT,5/16" - 18, Gr 5

2шт.

11

3055453R91

FILTER SCREEN

BASKET ASSY, oil suction, furnish pipe assy. 3132793R91

1шт.

12

528250R1

FILTER

oil, will work for 3059246R91, optional w/3059247R91

1шт.

12

3059247R91

FILTER, oil, optional w/528250R1

1шт.

13

3055199R1

O-RING

9шт.

14

3055086R1

SPRING

oil suction basket holding, furnish pipe assy. 3132793R91

1шт.

Выбрано товаров: 25