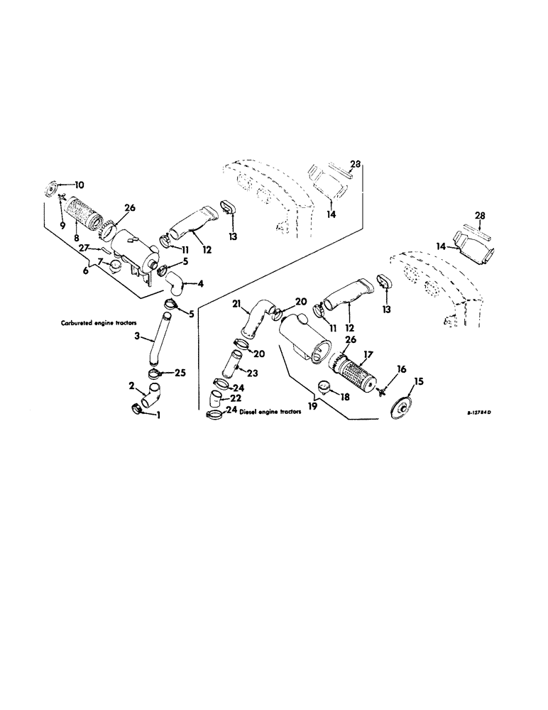
Запчасти Case IH 706 (E-07) - FUEL SYSTEM, AIR CLEANER AND CONNECTIONS (02) - FUEL SYSTEM

Схема запчастей Case IH 706 - (E-07) - FUEL SYSTEM, AIR CLEANER AND CONNECTIONS (02) - FUEL SYSTEM
17
9
23
5
27
15
1
19
24
11
22
5
6
12
20
7
10
11
3
26
2
18
13
24
8
16
25
14
4
21
12
28
20
13
28
26
14
FIT
1:1
100%

Артикул

Название

Примечание

Количество

1

397256R1

HOSE CLAMP,#44, 2.31/3.25 Type F Worm, W/liner

CLAMP, air cleaner pipe hose

1шт.

2

382400R1

INTAKE AIR HOSE,2.25" ID, 2.50" ID, SAE 20R4, Class SC

Air Cleaner Pipe Lower 2.25" ID, 2.50" ID, SAE 20R4, Class SC

1шт.

3

396535R1

PIPE, air, Serial Range: cleaner-carburetor

1шт.

4

306190R1

HOSE ASSY.

HOSE, air cleaner pipe

1шт.

5

397256R1

HOSE CLAMP,#44, 2.31/3.25 Type F Worm, W/liner

CLAMP, upper hose

2шт.

6

396533R91

CLEANER ASSY, air

1шт.

7

383734R2

VALVE

dust

1шт.

8

383732R93

ELEMENT

ASSY

1шт.

9

385925R91

NUT

BOLT ASSY

1шт.

10

383733R91

COVER

ASSY

1шт.

11

357870R91

CLAMP

intake hose rear

1шт.

12

380035R2

INTAKE AIR HOSE,2.16" ID, 3.00" ID x 11.20"

Air Cleaner 2.16" ID, 3.00" ID x 11.20"

1шт.

13

380600R91

FASTENER

CLAMP, intake hose front

1шт.

14

396519R1

BAFFLE

pre-cleaner

1шт.

256873

BOLT,Hex Serr, 5/16" - 18 x 1/2", 5SPL, Full Thd

4шт.

15

383733R91

COVER

ASSY

1шт.

16

385925R91

NUT

BOLT ASSY

1шт.

17

383711R93

ELEMENT

ASSY

1шт.

18

383734R2

VALVE

dust

1шт.

19

396534R91

CLEANER ASSY, air

1шт.

179838

BOLT,Hex, 3/8" - 16 x 7/8", Gr 5, Full Thd

3/8-16 x 7/8 hex-hd. cap

2шт.

95-11041

WASHER,3/8"

(13/32 x 13/16 x .065) 3/8"

2шт.

102635

NUT,3/8"-16, G5

2шт.

20

397257R1

HOSE CLAMP,#52, 2.81/3.75 Type F Worm, W/liner

CLAMP, outlet hose to air cleaner

2шт.

21

396536R1

INTAKE AIR HOSE,2.97" ID, 3.00" ID

Air Cleaner Outlet 2.97" ID, 3.00" ID

1шт.

22

396540R1

INTAKE AIR HOSE,2.87" ID, 3.00" ID

Intake Manifold Elbow 2.87" ID, 3.00" ID

1шт.

23

396537R1

TUBE ASSY, air cleaner outlet

1шт.

24

397257R1

HOSE CLAMP,#52, 2.81/3.75 Type F Worm, W/liner

CLAMP, air manifold elbow hose

2шт.

25

397256R1

HOSE CLAMP,#44, 2.31/3.25 Type F Worm, W/liner

CLAMP, lower hose upper

1шт.

26

385861R1

SLEEVE

FIN, pre-cleaner

1шт.

27

387067R1

SPRING

1шт.

28

389600R1

STRIP

SEAL, pre-cleaner baffle air

1шт.

Выбрано товаров: 32