Запчасти Case IH 706 (E-24) - FUEL SYSTEM, FUEL INJECTION PUMP & CONNECTIONS, D-282 ENGINE TRACTORS WITH ROOSA MASTER PUMPS (02) - FUEL SYSTEM

Схема запчастей Case IH 706 - (E-24) - FUEL SYSTEM, FUEL INJECTION PUMP & CONNECTIONS, D-282 ENGINE TRACTORS WITH ROOSA MASTER PUMPS (02) - FUEL SYSTEM
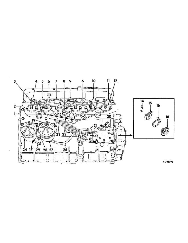
16
8
6
12
3
4
6
15
19
13
18
23
28
20
10
2
22
7
1
21
27
26
17
9
5
25
24
29
14
11
FIT
1:1
100%

Артикул

Название

Примечание

Количество

1

278318R1

BRACKET

fuel filter

1шт.

179858

SUPPORT

SCREW, 7/16-14 x 1 hex-hd. cap

3шт.

103322

LOCK WASHER,7/16"

WASHER, LOCK, 7/16"

3шт.

2

250617R1

NUT

injection pipe, nozzle end

6шт.

3

278707R11

FUEL TUBE

PIPE ASSY, injection cylinder no. 6

1шт.

4

250610R2

GUARD

SLEEVE, injection pipe

6шт.

5

278706R11

FUEL TUBE

PIPE ASSY, injection cylinder no. 5

1шт.

6

319965R91

HARNESS

glow plug cable

2шт.

7

278705R11

FUEL TUBE

PIPE ASSY, injection cylinder no. 4

1шт.

8

304313R1

BRACKET

junction

1шт.

9

278704R11

FUEL TUBE

PIPE ASSY, injection cylinder no. 3

1шт.

10

278703R11

FUEL TUBE,28.33" Length

PIPE ASSY, injection cylinder no. 2

1шт.

11

278702R11

PIPE

ASSY, injection cylinder no. 1

1шт.

12

332495R91

NOZZLE INJECTION

NOZZLE ASSY, injection, for components see list of parts under details of injection nozzle

6шт.

280161

BOLT,Hex, 3/8" - 16 x 3", Gr 5

SCREW, 3/8-16 x 2-1/2 hex-hd. cap

12шт.

13

42915D

BLOCK

junction

1шт.

103088

NUT,#10-32

10-32 hex

1шт.

100764

SCREW,Sl Rd Hd, #10 - 24 x 1/2"

10-32 x 1/2 slt-rd-hd. mach

1шт.

106497

LOCK WASHER,#10

WASHER, LOCK, #10

1шт.

14

303463R1

STUD

injection pump adapter, used with crankcase front cover plate, 278264R11

1шт.

15

303462R11

ADAPTER W/TWO STUDS, 303463R1, injection pump

1шт.

179838

BOLT,Hex, 3/8" - 16 x 7/8", Gr 5, Full Thd

3/8-16 x 7/8 hex-hd. cap

3шт.

103321

LOCK WASHER,3/8"

WASHER, LOCK, 3/8"

3шт.

16

278347R1

GASKET

injection pump adapter, used with crankcase front cover plate, 278264R11

1шт.

17

65834D

ELBOW

auxiliary filter outlet

1шт.

18

612084C1

GEAR

injection pump, 54 teeth, will work for gear, 278315R1, hub, 278316R1 & washer, 278317R1

1шт.

114497

NUT, 9/16-18 hex, jam

1шт.

103324

LOCK WASHER,9/16"

WASHER, LOCK, 9/16"

1шт.

19

347066R91

HOSE ASSY.

FILTER ASSY, final fuel, for components see list of parts under details of fuel filter

1шт.

9635082

NUT,5/16" - 18, Gr 5

4шт.

179817

BOLT,Hex, 5/16" - 18 x 7/8", Gr 5, Full Thd

4шт.

103320

LOCK WASHER,5/16"

WASHER, LOCK, 5/16"

4шт.

95-11034

WASHER,1/4"

11/32 x 11/16 x 16 ga.

4шт.

20

347886R91

PUMP

ASSY, injection, for components see list of parts under details of injection pump

1шт.

102635

NUT,3/8"-16, G5

2шт.

103321

LOCK WASHER,3/8"

WASHER, LOCK, 3/8"

2шт.

142619H

WASHER

injection pump

2шт.

21

118755

ELBOW

3/8-90 deg., pump inlet

1шт.

22

332491R1

PAD

injection pipe clamp

2шт.

23

332489R1

CLAMP, injection pipe drilled

1шт.

181317

PULLEY

SCREW, 1/4-28 x 1-1/4 hex-hd cap

5шт.

24

610932C91

FILTER CARTRIDGE

FILTER ASSY, primary fuel, Purolator, will work for 601507C91, optional with 610933C91, for components see list of parts under details of fuel filter

1шт.

24

610933C91

FILTER

ASSY, primary fuel, Fram, optional with 610932C91, for components see list of parts under details of fuel filter

1шт.

9635082

NUT,5/16" - 18, Gr 5

4шт.

179817

BOLT,Hex, 5/16" - 18 x 7/8", Gr 5, Full Thd

4шт.

103320

LOCK WASHER,5/16"

WASHER, LOCK, 5/16"

4шт.

95-11034

WASHER,1/4"

11/32 x 11/16 x 16 ga

4шт.

25

332490R1

CLAMP

injection pipe-tapped

1шт.

26

275946R91

HOSE,7.92mm ID x 368.3mm L, SAE 30R2

5/16 x 9/16 x 14-1/2 in. long, final, Serial Range: filter-pump

1шт.

27

137538

YOKE

ELBOW, 1/4-90 deg, final filter outlet

1шт.

28

22510D

ELBOW UNION

ELBOW, final filter inlet

1шт.

29

278335R11

TUBE

PIPE ASSY, auxiliary to final filter

1шт.

Выбрано товаров: 52