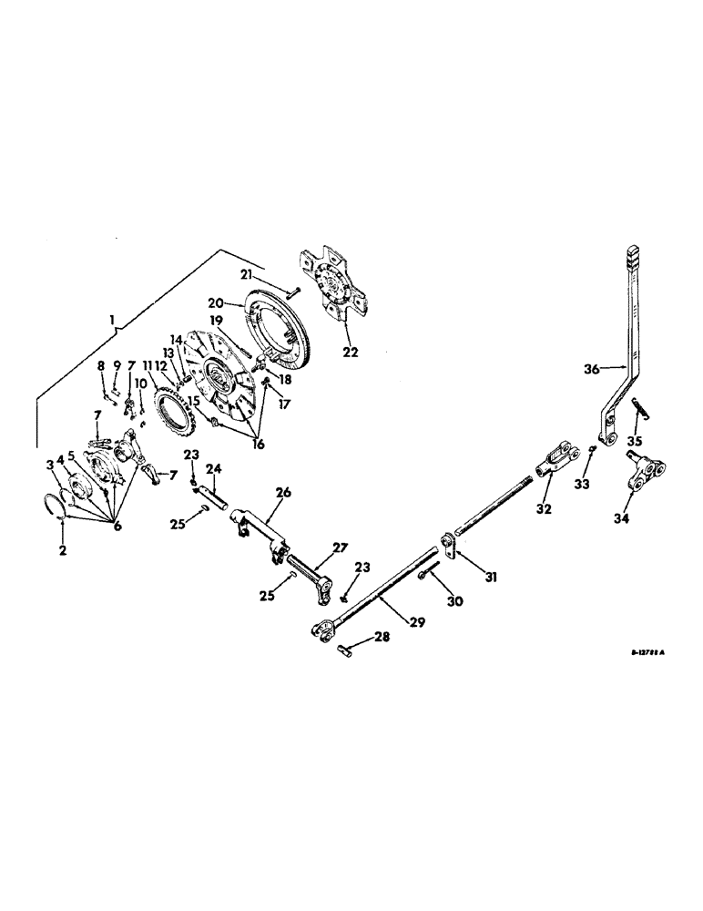
Запчасти Case IH 706 (B-03) - POWER TRAIN, OVER-CENTER CLUTCH AND CONTROLS, INTERNATIONAL TRACTORS (03) - POWER TRAIN

Схема запчастей Case IH 706 - (B-03) - POWER TRAIN, OVER-CENTER CLUTCH AND CONTROLS, INTERNATIONAL TRACTORS (03) - POWER TRAIN
34
1
23
28
26
4
22
24
14
33
25
9
6
31
11
25
23
13
10
16
17
19
12
20
7
5
7
36
3
30
29
8
32
7
35
2
21
18
27
15
FIT
1:1
100%

Артикул

Название

Примечание

Количество

1

388950R91

PLATE

PLATE ASSY, clutch pressure

1шт.

179881

BOLT,1/2" - 13 x 1", Gr 5

BOLT, Hex, 1/2"-13 x 1", G5, Full Thd

6шт.

2

384145R1

SPARE PART RING, release sleeve outer snap

1шт.

3

384144R1

SPARE PART RING, release sleeve inner snap

1шт.

4

374008R91

BEARING ASSY,2.1654" ID x 3.5433" OD x 0.7087"

BEARING, release sleeve

1шт.

5

109461

LUBE NIPPLE,1/8"-27 x .66 lg

NIPPLE, LUBE, , PTF 1/8"-27 x .66 lg

1шт.

6

384143R91

BEARING ASSY

CARRIER ASSY, release sleeve and bearing

1шт.

7

374003R1

LINK

LINK, connecting

3шт.

8

374005R1

PIN

PIN, long link

3шт.

9

374004R1

PIN

PIN, short link

3шт.

10

255395R1

RING

RING, retainer

6шт.

11

373998R2

SPARE PART RING, adjusting

1шт.

12

267689R1

LOCK WASHER

WASHER, X

3шт.

Q398

WASHER

WASHER, 11/32 x 7/8 x 16 ga.

3шт.

13

374002R1

SPRING

SPRING, return inner

3шт.

14

382142R1

SPRING

SPRING, return outer

3шт.

15

377938R1

STOP LOCK

LOCK, back plate adjusting

1шт.

16

373995R91

SPARE PART PLATE ASSY, back

1шт.

17

303242R1

SCREW

SCREW, back plate adjusting lock

1шт.

103026

NUT,3/8"-24, G5

NUT, 3/8"-24, G5

1шт.

138542

LOCK WASHER,Int Tooth, 3/8"

WASHER, LOCK, Int Tooth, 3/8"

1шт.

18

388952R1

LEVER

LEVER, release

3шт.

19

577247R1

LOCK PIN,3/8" x 2", Slotted

Pin, 3/8" x 2", Slotted

3шт.

20

388951R1

PLATE ASSY.

PLATE, pressure, also order three levers, 388952R1 on tractors

1шт.

21

374001R1

STUD

STUD, return spring

3шт.

22

384395R92

DISC

DISC ASSY, aircraft, type clutch driven

1шт.

22

384395R94R

REMAN-CLUTCH DISC

Remanufactured, Clutch Disc - 12 in., 11Tooth hub, 1 13/64 in. OD of splines, 4 paddle

1шт.

22

384395R94C

CORE-CLUTCH DISC

Return Part Number

1шт.

23

86504104

LUBE NIPPLE,1/4" x .56" lg, Drive

FITTING, 1/4 drive type STR lub, used with plain hole in release shaft

2шт.

23

109461

LUBE NIPPLE,1/8"-27 x .66 lg

NIPPLE, LUBE, , PTF , Used with tapped hole in release shaft 1/8"-27 x .66 lg

2шт.

24

384134R1

SPARE PART SHAFT, over-center clutch release RH

1шт.

25

124552

SCREW

KEY, 3/16 x 1 woodruff 13

2шт.

26

384133R2

SPARE PART FORK, over-center clutch release

1шт.

NLS

NO LONGER SERVICED

2шт.

27

384136R11

SPARE PART SHAFT ASSEMBLY, over-center clutch release LH

1шт.

28

382492R2

AXLE PIN,15.77mm OD x 35.56mm L

PIN, clutch operating rod clevis

1шт.

103398

COTTER PIN,5/32" x 1 1/2"

Pin, Split (Cotter), 5/32" x 1 1/2"

1шт.

29

384137R11

SPARE PART ROD ASSY, over-center clutch operating

1шт.

114498

JAM NUT,Jam, 5/8"-18, G5

NUT, Jam, 5/8"-18, G5

1шт.

30

384392R11

SPARE PART ROD ASSY, valve pull, tractors with torque amplifier

1шт.

114501

JAM NUT,Jam, 1/4"-20, G5

NUT, Jam, 1/4"-20, G5

2шт.

NLS

NO LONGER SERVICED

PIN, COTTER PIN, 1/16 x 1/2 cotter

1шт.

53257V

AXLE PIN

PIN, 3/16 x 23/32 rod end

1шт.

31

384390R11

SPARE PART LEVER ASSY, dump valve actuating, tractors with torque amplifier

1шт.

83-1255

SET SCREW,Hex Soc, 1/4"-20 x 5/16"

SCREW, 1/4-20 x 5/16 cup PT. hex, socket

2шт.

32

127786

ADJUSTABLE CLEVIS,5/16"-18 x 4 15/16"

CLEVIS, 5/8-18 x 4-15/16 HV rod end

1шт.

33

80722

LUBE NIPPLE,3/16" x .55" lg, Drive

FITTING, 3/16 drive type STR lub, clutch operating handle

1шт.

34

384139R11

SPARE PART BRACKET ASSEMBLY, over-center clutch handle support

1шт.

103398

COTTER PIN,5/32" x 1 1/2"

Pin, Split (Cotter), 5/32" x 1 1/2"

1шт.

413-1068

BOLT,Hex, 5/8" - 11 x 4-1/4", Gr 5

SCREW, 5/8-11 x 4-1/4 hex-hd. cap

2шт.

103347

WASHER

WASHER, 15/16 x 1-3/4 x .160

1шт.

35

PO91

SPRING

SPRING, over-center clutch handle

1шт.

36

384138R1

SPARE PART HANDLE, over-center clutch operating

1шт.

27-10161

CLEVIS PIN,5/8" x 1.610"

PIN, 5/8 x 1-23/32 rod end

1шт.

103384

COTTER PIN,1/8" x 3/4"

Pin, Split (Cotter), 1/8" x 3/4"

1шт.

Выбрано товаров: 0