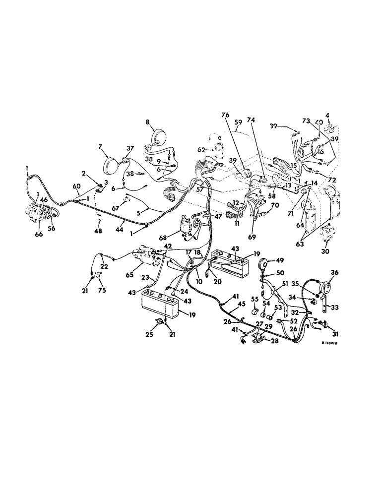
Запчасти Case IH 706 (G-26) - ELECTRICAL SYSTEM, STARTING AND LIGHTING, FARMALL DIESEL ENGINE TRACTORS WITH ALTERNATOR (06) - ELECTRICAL SYSTEMS

Схема запчастей Case IH 706 - (G-26) - ELECTRICAL SYSTEM, STARTING AND LIGHTING, FARMALL DIESEL ENGINE TRACTORS WITH ALTERNATOR (06) - ELECTRICAL SYSTEMS
51
24
42
59
7
55
76
8
56
13
19
74
33
1
58
39
17
43
43
38
44
31
12
16
1
30
5
60
35
1
41
29
23
21
66
54
63
40
22
21
70
62
41
1
4
27
38
36
52
10
43
6
14
65
39
47
37
50
48
3
64
6
73
71
67
53
26
19
68
32
39
1
28
34
15
20
75
72
49
9
45
2
69
57
25
18
FIT
1:1
100%

Артикул

Название

Примечание

Количество

1

362120R1

CLAMP,9.53mm ID, 10.32mm Bolt Hole, P Type

CLIP, cable harness

5шт.

9635082

NUT,5/16" - 18, Gr 5

1шт.

179816

BOLT,Hex, 5/16" - 18 x 3/4", Gr 5

1шт.

103320

LOCK WASHER,5/16"

WASHER, LOCK, 5/16"

1шт.

2

366460R1

CABLE CLIP

CLIP, glow plug cable, on heat shield

1шт.

3

366460R1

CABLE CLIP

CLIP, glow plug cable, on fuel tank RH front mounting bolt

1шт.

4

NSS

NOT SOLD SEPARAT

CLUSTER ASSY, gauge, refer to engine controls and instruments listing, section H

1шт.

5

404400R1

CABLE

ASSY, fuel gauge sending unit to multiple connector, will work for 383593R91

1шт.

6

370387R91

CABLE

ASSY, head, Serial Range: light-ground

2шт.

7

382722R91

LIGHT ASSY, sealed beam head, LH, only serviceable item is sealed beam unit, 371443R91

1шт.

7

387728R91

LIGHT

ASSY, sealed beam head, LH, only serviceable item is sealed beam unit, 371443R91, tractors with shock proof lights

1шт.

120371

NUT,1/2"-20, G5

1шт.

120384

WASHER,1/2"

LOCK, 1/2"

1шт.

120396

WASHER

17/32 x 1-1/16 x .095 C-Z

1шт.

8

382723R91

LIGHT ASSY, sealed beam head RH, only serviceable item is sealed beam unit, 371443R91

1шт.

8

387728R91

LIGHT

ASSY, sealed beam head RH, only serviceable item is sealed beam unit, 371443R91, tractors with shock proof lights

1шт.

120371

NUT,1/2"-20, G5

1шт.

120384

WASHER,1/2"

LOCK, 1/2"

1шт.

NLS

NO LONGER SERVICED

17/32 x 1-1/16 x .095 C-Z

1шт.

9

383594R91

CABLE ASSY, head, Serial Range: light-connector

1шт.

10

362123R1

CLIP

rear cable harness

1шт.

11

383607R91

HARNESS

ASSY, panel cable LH

1шт.

12

384557R1

CLIP

cable harness

2шт.

13

384458R91

CABLE

ASSY, glow plug meter

1шт.

14

375077R91

CABLE

ASSY, glow plug meter to glow plug switch

1шт.

15

383609R91

HARNESS

ASSY, panel cable RH

1шт.

16

383596R91

CABLE

ASSY, key switch to gauge cluster junction

1шт.

17

370383R1

CLIP

battery to battery cable

1шт.

18

383617R91

CABLE

ASSY, Serial Range: battery-battery

1шт.

19

392240R91

BATTERY, prestolite 2E-A9Z, 6 volt

2шт.

20

378760R91

CABLE

STRAP ASSY, Serial Range: battery-ground

1шт.

95-11041

WASHER,3/8"

(13/32 x 13/16 x .065) 3/8"

1шт.

21

384396R1

SPADE TERMINAL,Male

TERMINAL, transmission oil pressure switch straight

2шт.

22

370535R1

CLIP

engine oil pressure switch cable, on push rod cover, tractor serial no. 37236 & below

2шт.

22

365484R1

CLIP, engine oil pressure switch cable, on push rod cover, tractor serial no. 37237 & above

1шт.

22

384554R1

CLIP

engine oil pressure switch cable, on cranking motor, tractor serial no. 37237 & above

1шт.

23

383726R91

CABLE

ASSY, battery to solenoid switch

1шт.

356062R91

BOLT

ASSY, battery cable

1шт.

24

384556R1

CLAMP

CLIP, transmission oil pressure switch cable

1шт.

25

376855R92

SWITCH

transmission oil pressure

1шт.

26

383622R1

CLIP

rear main cable harness

2шт.

27

382728R91

SWITCH

ASSY, safety starting

1шт.

28

384046R1

STEM

ROD, safety starting switch

1шт.

103361

PIN, SPLIT (COTTER)

PIN, 1/16 x 1/2 cot.

1шт.

16558R1

WASHER

17/64 x 5/8 x .065

1шт.

29

384045R1

SUPPORT

BRACKET, safety starting switch

1шт.

14991R1

BOLT

3/8-16 x 5/8 short sq-nk. crg

1шт.

102635

NUT,3/8"-16, G5

1шт.

30

NSS

NOT SOLD SEPARAT

HOUSING ASSY, glow plug, refer to engine controls and instruments listing, section H

1шт.

31

370378R91

SOCKET

ASSY, breakaway connector

1шт.

179791

BOLT,Hex, 1/4" - 20 x 1/2", Gr 5

2шт.

103319

LOCK WASHER,1/4"

WASHER, LOCK, 1/4"

2шт.

32

384544R1

CLIP, cable harness, on rear light bracket upper mounting bolt

1шт.

33

382407R11

BAR

BRACKET ASSY, rear light

1шт.

NLS

NO LONGER SERVICED

2шт.

34

350920R1

CLAMP

combination rear light

1шт.

35

365503R1

SPACER

combination rear light

1шт.

36

377102R91

NO LONGER SERVICED

LIGHT ASSY, combination rear and tail, only serviceable items are lamp, 455490 and unit, 371461R91

1шт.

36

387729R91

LIGHT

ASSY, combination rear and tail, only serviceable items are lamp, 455490 and unit, 371461R91, tractors with shock proof lights

1шт.

37

382406R1

SUPPORT

BRACKET, head light mounting

2шт.

113911

SCREW, 5/16-18 x 1/2 slt-f-hd.mach

4шт.

38

362120R1

CLAMP,9.53mm ID, 10.32mm Bolt Hole, P Type

CLIP, head light cable, on steering and gear selector support

1шт.

39

9417863

BULB,C2F, #1895, 14V

LAMP, no. 1895 12 volt, tachometer & gauge cluster

3шт.

40

9412348

BULB,C2B, #257, 14V

LAMP, no. 257 12 volt, oil & amp tellite flasher

2шт.

41

366460R1

CABLE CLIP

CLIP, rear cable harness and safety switch cable

2шт.

42

364910R1

BOOT

COVER, battery terminal

1шт.

43

383619R1

COVER

battery cable terminal

1шт.

44

385000R91

HARNESS ASSY, front main cable, tractor serial no. 37236 & below

1шт.

44

398556R1

HARNESS

ASSY, front main cable, tractor serial no. 37237 & above, will work for 396502R2

1шт.

45

385001R91

HARNESS ASSY, rear main cable, tractor serial no. 37236 & below

1шт.

45

396501R1

HARNESS ASSY, rear main cable, tractor serial no. 37237 & above

1шт.

46

385006R91

CABLE ASSY, alternator to ground, used w/front main harness 396502R2 only

1шт.

47

363117R1

CLIP

front & rear main cable harness

1шт.

179789

BOLT,Hex, 1/4" - 20 x 3/8", Gr 5, Full Thd

1шт.

103319

LOCK WASHER,1/4"

WASHER, LOCK, 1/4"

1шт.

48

42915D

BLOCK

junction

1шт.

103088

NUT,#10-32

10-32 hex

1шт.

100764

SCREW,Sl Rd Hd, #10 - 24 x 1/2"

10-32 x 1/2 slt-rd-hd. mach

1шт.

106497

LOCK WASHER,#10

WASHER, LOCK, #10

1шт.

49

394129R91

LIGHT

ASSY, flashing warning

1шт.

120371

NUT,1/2"-20, G5

Only serviceable items are lamp, 9417866 and lens, guide, 396585R1 or lens, Dietz, 899280R1 1/2"-20, G5

1шт.

135629

GATHERING CHAIN

1/2 C-Z med. lock

1шт.

50

394262R1

WASHER

GASKET, flashing warning light

1шт.

51

394135R1

BRACKET, flashing light

1шт.

52

394130R91

CABLE ASSY, Serial Range: flasher-light

1шт.

53

394132R91

FLASHER UNIT

FLASHER, warning light

1шт.

54

394134R1

SEAL

ABSORBER, flasher mounting

1шт.

55

394133R1

FASTENER

BRACKET, flasher mounting

1шт.

56

399470R1

BOOT

INSULATOR, terminal cover boot

1шт.

57

362666R1

CLIP

rear main harness

1шт.

58

395077R1

CABLE

ASSY, ether push button switch

1шт.

59

396505R1

CABLE ASSY, ether starting

1шт.

60

NSS

NOT SOLD SEPARAT

CABLE, glow plug, part of cable 385000R91, serial no. 37236 and below

1шт.

61

NSS

NOT SOLD SEPARAT

SWITCH ASSY, ether push button, refer to engine controls and instruments listing, section H

1шт.

62

NSS

NOT SOLD SEPARAT

SOLENOID ASSY, ether starting, refer to ether starting listing, section E

1шт.

63

NSS

NOT SOLD SEPARAT

PANELS, instrument LH and RH, refer to engine controls and instruments listing, section H

1шт.

64

NSS

NOT SOLD SEPARAT

SWITCH ASSY, glow plug, refer to engine controls and instruments listing, section H

1шт.

65

NSS

NOT SOLD SEPARAT

MOTOR ASSY, cranking, refer to cranking motor listing, this section

1шт.

66

NSS

NOT SOLD SEPARAT

ALTERNATOR GENERATOR ASSY, refer to alternator generator listing, this section

1шт.

67

NSS

NOT SOLD SEPARAT

SENDING UNIT ASSY, fuel gauge, refer to fuel tank supports and piping listing, section E

1шт.

68

NSS

NOT SOLD SEPARAT

REGULATOR ASSY, voltage, refer to alternator generator and connections listing, this section

1шт.

69

NSS

NOT SOLD SEPARAT

SWITCH ASSY, lighting, refer to engine controls and instruments listing, section H

1шт.

70

NSS

NOT SOLD SEPARAT

BLOCK ASSY, junction, refer to engine controls and instruments listing, section H

1шт.

71

NSS

NOT SOLD SEPARAT

METER, glow plug, refer to engine controls and instruments listing, section H

1шт.

72

NSS

NOT SOLD SEPARAT

HOUSING ASSY, fuse, refer to engine controls and instruments listing, section H

1шт.

73

NSS

NOT SOLD SEPARAT

SWITCH ASSY, ignition, refer to engine controls and instruments listing, section H

1шт.

74

NSS

NOT SOLD SEPARAT

SWITCH ASSY, push button, refer to engine controls and instruments listing, section H

1шт.

75

NSS

NOT SOLD SEPARAT

SWITCH ASSY, engine oil pressure, refer to crankcase and related parts listing, section C

1шт.

76

NSS

NOT SOLD SEPARAT

TACHOMETER ASSY, refer to engine controls and instruments listing, section H

1шт.

395471R1

CABLE ASSY, alternator dual charge & load circuit, tractors w/air conditioned cab

1шт.

394473R91

CABLE ASSY, flashing warning light jumper, used to provide a means of omitting flashing feature of the warning light

1шт.

PN 396501R1 is no longer available. Possible substitution is PN 385012R91. This is about 2" longer than the original harness.

1шт.

Выбрано товаров: 112