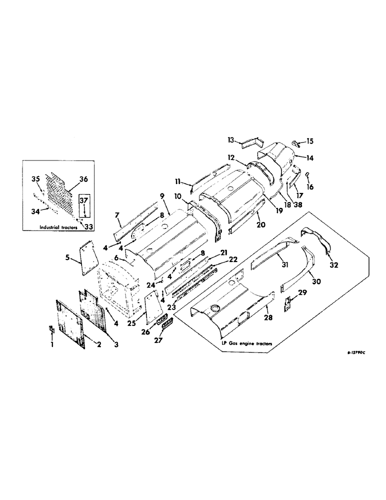
Запчасти Case IH 706 (A-08) - CHASSIS, RADIATOR AND SHEET METAL, HOOD AND RADIATOR GRILLE Chassis, Radiator & Sheet Metal

Схема запчастей Case IH 706 - (A-08) - CHASSIS, RADIATOR AND SHEET METAL, HOOD AND RADIATOR GRILLE Chassis, Radiator & Sheet Metal
23
36
7
12
2
4
14
38
22
32
1
4
4
35
4
16
17
26
10
18
25
34
8
15
28
37
29
19
27
31
33
8
21
6
24
13
5
30
9
4
11
20
3
FIT
1:1
100%

Артикул

Название

Примечание

Количество

1

2751845R1

DECAL

PRODUCT GRAPHICS, IH emblem, die casting, optional with 2751848R1

1шт.

1

2751848R1

PRODUCT GRAPHIC

IH emblem, plastic, optional with 2751845R

1шт.

385129R1

SCREW,Sl Rnd Hd, #10 - 16 x 3/8"

10-16 x 3/8 thd-cutting

2шт.

155097

SCREW, 10-24 x 5/16 rd-hd cr-rec mach

2шт.

395-31022

WASHER,#10

13-64 x 15/32 x .049 C-Z

2шт.

2

379995R21

GRILLE

ASSY, radiator, Farmall tractors

1шт.

3

379996R21

GRILLE ASSY, radiator, International tractors up to serial no. 2999

1шт.

3

387733R21

GRILLE ASSY, radiator, International tractors w/serial nos. 3000 & above

1шт.

376786R1

SCREW,Sl Hex Wshr Hd, 5/16" - 18 x 0.75"

5/16-18 x 3/4 SLT washer HD cap

2шт.

4

376787R1

WASHER

RETAINER, screw

10шт.

5

378665R11

PANEL ASSY, RH radiator support, Farmall tractors

1шт.

5

378667R11

PANEL ASSY, RH radiator support, International tractors

1шт.

5

395465R11

PANEL ASSY, RH radiator support, tractors w/air conditioned cab

1шт.

131-883

SPRING NUT,Rtnr, 5/16" - 18

5/16-18 floating cage

1шт.

385157R1

SCREW,Bevel Wshr Hd, 5/16" - 18 x 5/8"

5/16-18 x 5/8 hex washer hd bevel cap

3шт.

6

369180R1

PRODUCT GRAPHIC

ORNAMENT, hood

1шт.

6

369180R1GV

DECAL

Value, Ornament, Hood

1шт.

423324

SCREW,Hex L/Wshr Hd, #10-24 x 7/16"

w/ext tooth lock washer assy., 10-24 x 7/16 hex-hd mach

2шт.

7

378669R1

PANEL, RH front hood side, Farmall tractors w/serial no. 37236 & below, International tractors w/serial no. 5273 & below

1шт.

7

396342R1

PANEL

RH front hood side, Farmall tractors w/serial no. 37237 & above, International tractors w/serial no. 5274 & above

1шт.

389872R1

THUMB SCREW,Knurled Head, 5/16"-18 x 3/4"

SCREW, front hood side panel thumb

2шт.

8

378627R1

COVER

LH front hood access

1шт.

8

378627R1

COVER

RH front hood access

1шт.

389872R1

THUMB SCREW,Knurled Head, 5/16"-18 x 3/4"

SCREW, front hood access cover thumb

2шт.

385157R1

SCREW,Bevel Wshr Hd, 5/16" - 18 x 5/8"

5/16-18 x 5/8 hex washer hd, bevel cap

2шт.

9

378663R12

HOOD ASSY, front, gasoline, Farmall tractors w/serial no. 37236 & below, International tractors w/serial no. 5273 & below

1шт.

9

396338R11

HOOD ASSY, front, gasoline, Farmall tractors w/serial no. 37237 & above, International tractors w/serial no.5274 & above

1шт.

9

384286R12

HOOD ASSY, front, diesel, Farmall tractors w/serial no. 37236 & below, International tractors w/serial no. 5273 & below

1шт.

9

396339R11

HOOD ASSY, front, diesel, Farmall tractors w/serail no. 37237 & above, International tractors w/serial no. 5274 & above

1шт.

131-883

SPRING NUT,Rtnr, 5/16" - 18

5/16-18 floating cage

4шт.

385157R1

SCREW,Bevel Wshr Hd, 5/16" - 18 x 5/8"

5/16-18 x 5/8 hex washer HD revel cap, used only with .437 dia. round holes in hood, Farmall tractors w/serial no. 37236 & below, International tractors w/serial no. 5273 & below

8шт.

389427R91

CAPTIVE WASHER SCREW,Hex, 5/16" - 18 x 3/4"

SCREW, 5/16-18 x 3/4 hex-hd cap w/washer

8шт.

10

395280R92

REINFORCEMENT

ASSY, rear hood front

1шт.

131-883

SPRING NUT,Rtnr, 5/16" - 18

5/16-18 floating cage

6шт.

179814

SPACER

4шт.

11

378639R1

PANEL, RH rear hood side, Farmall tractors w/side headlights

1шт.

11

378671R1

PANEL

RH rear hood side, all International tractors and Farmall tractors w/flat top deluxe fenders & adj headlights

1шт.

385157R1

SCREW,Bevel Wshr Hd, 5/16" - 18 x 5/8"

5/16-18 x 5/8 hex washer hd. bevel cap

2шт.

12

378640R11

REINFORCEMENT ASSY, rear hood rear

1шт.

131-883

SPRING NUT,Rtnr, 5/16" - 18

5/16-18 floating cage

2шт.

179812

GEAR

SCREW, 5/16-18 x 1/2 hex-hd cap

4шт.

13

397887R1

HOUSING, steering support lower RH, will work for 382643R1

1шт.

385157R1

SCREW,Bevel Wshr Hd, 5/16" - 18 x 5/8"

5/16-18 x 5/8 hex washer hd. bevel cap

1шт.

14

382644R1

HOUSING, steering & gear selector support

1шт.

14

385797R1

HOUSING, steering & gear selector support, all wheel drive tractors

1шт.

385157R1

SCREW,Bevel Wshr Hd, 5/16" - 18 x 5/8"

5/16-18 x 5/8 hex washer hd. bevel cap

8шт.

15

383127R1

BRACKET, support housing mounting

1шт.

NLS

NO LONGER SERVICED

2шт.

16

187758

PLUG,2 1/2"

torque amplifier opening button

1шт.

17

382642R1

HOUSING, steering support lower LH

1шт.

385157R1

SCREW,Bevel Wshr Hd, 5/16" - 18 x 5/8"

5/16-18 x 5/8 hex. washer hd. bevel cap

1шт.

18

384343R1

HANDLE

operators mounting assist LH

1шт.

21534R1

BOLT,Hex, 5/16" - 18 x 1"

SCREW, 5/16-18 x 1 CDP hex-hd cap

1шт.

21535R1

SCREW, 5/16-18 x 1-1/4 CDP hex-hd cap

1шт.

19

378637R1

HOOD

rear

1шт.

385157R1

SCREW,Bevel Wshr Hd, 5/16" - 18 x 5/8"

5/16-18 x 5/8 hex washer hd. bevel cap

2шт.

20

378638R1

PANEL, LH rear hood side, all International tractors and Farmall tractors w/flat top deluxe fenders & adj headlights

1шт.

20

378670R1

PANEL, LH rear hood side, all International tractors and Farmall tractors w/flat top deluxe fenders & adj headlights

1шт.

385157R1

SCREW,Bevel Wshr Hd, 5/16" - 18 x 5/8"

5/16-18 x 5/8 hex washer hd. bevel cap

2шт.

21

378668R1

PANEL, LH front hood side, Farmall tractors w/serial no. 37236 & below, International tractors w/serial no. 5273 & below

1шт.

21

396341R1

PANEL

LH front hood side, Farmall tractors w/serial no. 37237 & above, International tractors w/serial no. 5274 & above

1шт.

389872R1

THUMB SCREW,Knurled Head, 5/16"-18 x 3/4"

SCREW, front hood side panel thumb

2шт.

22

381553R1

PRODUCT GRAPHIC

PLATE, International name

2шт.

370786R1

FASTENER

tubular clip

14шт.

23

377796R1

PRODUCT GRAPHIC

PLATE, Mc Cormick Farmall name

2шт.

370786R1

FASTENER

tubular clip

14шт.

24

369173R1

SPRING

hood panel

6шт.

110633

NUT,#10-24

6шт.

25

378664R11

PANEL ASSY, LH radiator support, Farmall tractors

1шт.

25

378666R11

PANEL ASSY, LH radiator support, International tractors

1шт.

131-883

SPRING NUT,Rtnr, 5/16" - 18

5/16-18 floating cage

1шт.

385157R1

SCREW,Bevel Wshr Hd, 5/16" - 18 x 5/8"

5/16-18 x 5/8 hex washer hd. bevel cap

3шт.

26

381554R1

PRODUCT GRAPHIC

PLATE, 706 model symbol

2шт.

26

381556R1

PLATE, 706 LP gas model symbol

2шт.

26

382719R1

PLATE, 706 hi-clear model symbol

2шт.

26

381555R1

PLATE, 706 diesel model symbol

2шт.

370786R1

FASTENER

tubular clip

4шт.

27

384420R1

PLATE, 2706 model symbol

2шт.

370786R1

FASTENER

tubular clip

4шт.

28

380343R11

HOOD ASSY, front, Farmall tractors w/serial no. 37236 & below, International tractors w/serial no. 5273 & below

1шт.

28

396340R11

HOOD ASSY, front, Farmall tractors w/serial no. 37237 & above International tractors w/serial no. 5274 & above

1шт.

131-883

SPRING NUT,Rtnr, 5/16" - 18

5/16-18 floating cage

4шт.

385157R1

SCREW,Bevel Wshr Hd, 5/16" - 18 x 5/8"

5/16-18 x 5/8 hex washer hd. bevel cap, used only with .437 dia round holes in hood, Farmall tractors w/serial no. 37236 & below, International tractors w/serial no. 5273 & below

8шт.

389427R91

CAPTIVE WASHER SCREW,Hex, 5/16" - 18 x 3/4"

SCREW, 5/16-18 x 3/4 hex-hd cap w/washer

8шт.

29

380423R11

SUPPORT ASSY, rear hood front

1шт.

131-883

SPRING NUT,Rtnr, 5/16" - 18

5/16-18 floating cage

6шт.

179814

SPACER

4шт.

30

380429R1

HOOD, LH rear

1шт.

31

380430R1

HOOD, RH rear

1шт.

32

380431R11

REINFORCEMENT ASSY, rear hood, rear

1шт.

131-883

SPRING NUT,Rtnr, 5/16" - 18

5/16-18 floating cage

2шт.

179812

GEAR

SCREW, 5/16-18 x 1/2 hex-hd cap

4шт.

33

384428R11

BRACKET ASSY, radiator guard grill LH

1шт.

179817

BOLT,Hex, 5/16" - 18 x 7/8", Gr 5, Full Thd

SCREW, 3/8-16 x 7/8 hex-hd cap

1шт.

34

384422R1

PRODUCT GRAPHICS, industrial name plate

1шт.

166645

SHEAVE

SCREW, 10-24 x 3/8 rd-hd-cr-rec tapping, type d

3шт.

B32120

WASHER

name plate retaining

3шт.

35

384427R11

BRACKET ASSY, radiator guard grill, RH

1шт.

179838

BOLT,Hex, 3/8" - 16 x 7/8", Gr 5, Full Thd

3/8-16 x 7/8 hex hd. cap

1шт.

36

384423R2

GRILLE, radiator guard

1шт.

36

387843R11

GRILLE ASSY, radiator guard, tractors with shock proof head lights

1шт.

386451R1

SCREW,Hex Wshr Hd, 5/16" - 18 x 1"

5/16-18 x 1 hex washer hd.

4шт.

37

H39668

SPACER, radiator grill guard bracket, used only if required

2шт.

38

2752210R1

PRODUCT GRAPHIC, all wheel drive emblem

2шт.

370786R1

FASTENER

tubular clip

4шт.

Выбрано товаров: 105