Запчасти Case IH 706 (J-08) - STEERING MECHANISM, POWER STEERING PILOT VALVE Steering Mechanism

Схема запчастей Case IH 706 - (J-08) - STEERING MECHANISM, POWER STEERING PILOT VALVE Steering Mechanism
8
11
14
9
7
5
17
6
16
2
1
8
3
1
4
4
2
10
15
18
12
13
FIT
1:1
100%

Артикул

Название

Примечание

Количество

379645R93

VALVE

ASSY, power steering pilot, order valve, 396726R91, Farmall tractors, order valve, 396726R91, International tractors

1шт.

396726R91

LOCK VALVE

VALVE ASSY, power steering pilot

1шт.

385131R92

VALVE ASSY, power steering pilot

1шт.

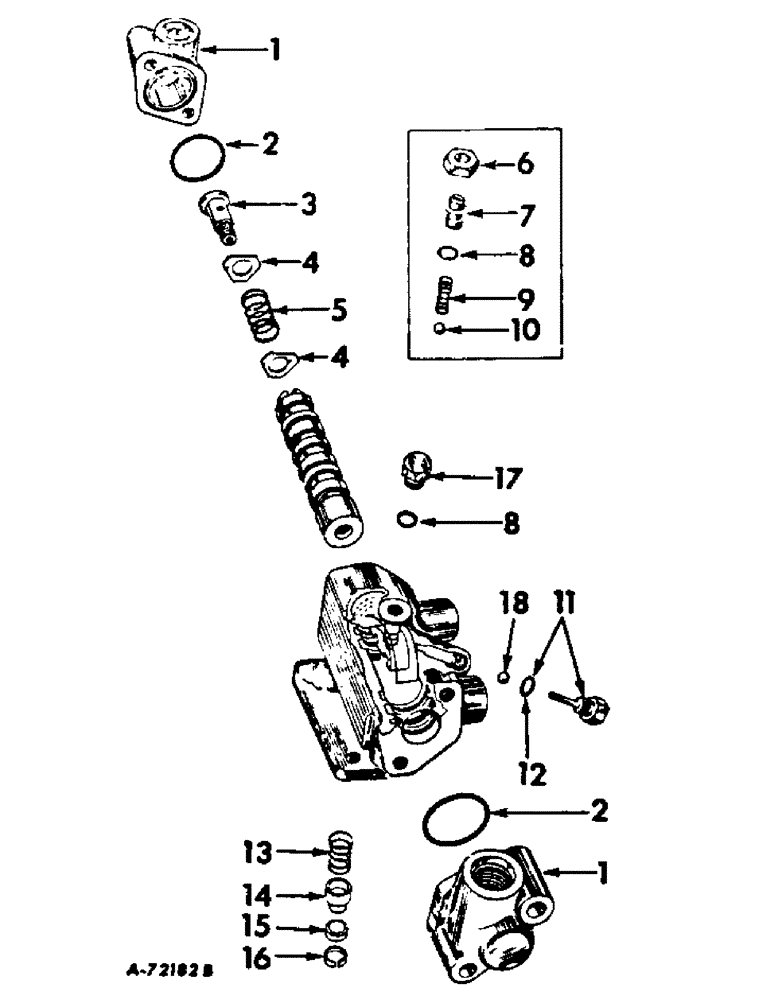
1

379894R1

CAP

end

2шт.

179847

BOLT,Hex, 3/8" - 16 x 2", Gr 5

4шт.

103321

LOCK WASHER,3/8"

WASHER, LOCK, 3/8"

4шт.

2

387088R1

SEALING RING,1.237" ID x 0.103" Width

SEAL, end cap

2шт.

3

379896R1

SCREW,3/8" - 24, Drilled, W/ Nylon Pellet

spring centering

1шт.

4

379897R1

WASHER

centering screw

2шт.

5

379905R1

SPRING

valve centering, see note A

1шт.

5

385622R1

SPRING, valve centering, see notes B & C

1шт.

5

395754R1

SPRING

valve centering, see note D, also used with valve, 379645R93 when required to eliminate ground wander & drift and reduce steering effort

1шт.

6

25-118

NUT,1/2"-20, G5

adjusting screw lock, see note C

1шт.

7

383756R91

SCREW

W/O-RING, adjusting, see note C

1шт.

8

369384R1

O-RING,0.072" Thk x 0.414" ID, -905, Cl 6, 90 Duro

5-1, 90 Duro, .414" ID x .072" Thk.

1шт.

9

379898R1

SPRING, pressure relief, see note C

1шт.

10

16008R1

BALL,1/4" Dia, Steel

1/4 steel

1шт.

11

379901R91

PLUG

ASSEMBLY

1шт.

12

379795R1

O-RING,0.064" Thk x 0.301" ID, -903, Cl 6, 90 Duro

3-1, .301" ID x .064" Thk, Plug

1шт.

13

382125R1

SPRING

pressure check

1шт.

14

382126R1

NO LONGER SERVICED

VALVE, check

1шт.

15

379810R1

SEAL

ball seat

1шт.

16

382127R1

WASHER

SPACER, check valve

1шт.

17

9410357

PLUG

o-ring boss

1шт.

18

16008R1

BALL,1/4" Dia, Steel

1/4 steel

1шт.

379793R91

O-RING

PACKAGE, pilot valve service, consists of (1) o-ring 369384R1, (1) o-ring 379795R1, (1) seal 379810R1, (2) seal 387088R1

1шт.

Выбрано товаров: 0