Запчасти Case IH FARMALL C (208) - ATTACHMENTS, ELECTRALL, SPECIAL, GENERATOR AND EXCITER Attachments

Схема запчастей Case IH FARMALL C - (208) - ATTACHMENTS, ELECTRALL, SPECIAL, GENERATOR AND EXCITER Attachments
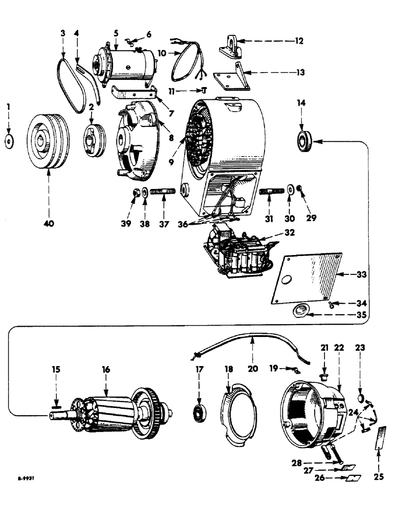
8
17
31
1
27
5
12
16
19
40
35
32
39
14
34
10
9
29
21
26
15
13
7
2
4
25
28
37
23
30
38
20
6
18
3
11
22
33
36
24
FIT
1:1
100%

Артикул

Название

Примечание

Количество

362817R92

GENERATOR AND EXCITER electrall, assembly

1шт.

1

363957R1

WASHER, pulley retainer

1шт.

179879

BOLT,Hex, 1/2" - 13 x 3/4", Gr 5

1шт.

103323

LOCK WASHER,1/2"

WASHER, LOCK, 1/2"

1шт.

2

369515R11

PULLEY, electrall exciter drive, w/pin 442958 (See note)

1шт.

422958

PIN, groove, 5/16 x 1-1/4"

1шт.

3

363977R1

BELT, electrall generator exciter

1шт.

4

363976R1

BRACE, electrall generator exciter

1шт.

179816

BOLT,Hex, 5/16" - 18 x 3/4", Gr 5

2шт.

103320

LOCK WASHER,5/16"

WASHER, LOCK, 5/16"

2шт.

364658R1

WASHER, mounting, exciter brace

1шт.

5

363983R91

EXCITER, assembly (For components see list of parts under detail of "exciter")

1шт.

9635082

NUT,5/16" - 18, Gr 5

2шт.

179820

BOLT,Hex, 5/16" - 18 x 1 1/4", Gr 5

2шт.

103320

LOCK WASHER,5/16"

WASHER, LOCK, 5/16"

2шт.

6

364821R1

CLAMP, exciter harness (On exciter ground screw)

1шт.

7

363975R1

BRACKET, exciter mounting

1шт.

179883

BOLT,Hex, 1/2" - 13 x 1 1/4", Gr 5

hex-hd., 1/2-13 NC x 1-1/4"

2шт.

103323

LOCK WASHER,1/2"

WASHER, LOCK, 1/2"

2шт.

8

363958R91

SHIELD, stator frame end (Drive end), w/screen

1шт.

179845

BOLT,Hex, 3/8" - 16 x 1 3/4", Gr 5

SCREW, cap, hex-hd., 3/8-16 NC x 1-3/4"

4шт.

103321

LOCK WASHER,3/8"

WASHER, LOCK, 3/8"

4шт.

9

364817R91

STATOR, assembly, Composed of

1шт.

363974R1

BUSHING

1шт.

FRAME, w/stator core (NSS)

1шт.

363973R91

HARNESS

1шт.

363950R91

PACKAGE

1шт.

10

363973R91

HARNESS, exciter to control panel, w/three cables

1шт.

11

363974R1

BUSHING, exciter to control panel harness

1шт.

12

363949R1

LUG, lifting

1шт.

413-828

BOLT,Hex, 1/2" - 13 x 1-3/4", Gr 5

SCREW, cap, hex-hd., 1/2-13 NC x 1-3/4" (See note)

3шт.

103323

LOCK WASHER,1/2"

WASHER, LOCK, 1/2"

3шт.

13

369516R11

BRACKET, generator stay rod (See note)

1шт.

14

363953R91

BALL BEARING,35 mm ID x 80 mm OD x 21 mm

ball (Drive end)

1шт.

15

Q26

KEY,1/4" Sq x 1 1/4", Par

sq., parallel, 1/4" x 1/4" x 1-1/4" (See note)

1шт.

16

364818R91

ROTOR, w/fan and two collector rings

1шт.

17

363955R91

BEARING

ball (Fan end)

1шт.

18

363978R1

BAFFLE, fan end shield

1шт.

424148

SCREW, machine, slotted-rd-hd., no. 10-32 NF x 1/2", w/external tooth lock washer

3шт.

19

364820R1

CLAMP, exciter to brushes harness

1шт.

100763

SCREW, machine, slotted-rd-hd., 10-32 NF x 3/8"

1шт.

20

363969R91

HARNESS, exciter to brushes, w/two cables

1шт.

21

363970R1

BUSHING, exciter to brushes harness

1шт.

22

363959R92

SHIELD, stator frame end (Fan end), Includes

1шт.

363970R1

BUSHING

1шт.

363969R91

LEAD

1шт.

364791R91

TUBE, package

1шт.

179845

BOLT,Hex, 3/8" - 16 x 1 3/4", Gr 5

SCREW, cap, hex-hd., 3/8-16 NC x 1-3/4"

4шт.

103321

LOCK WASHER,3/8"

WASHER, LOCK, 3/8"

4шт.

23

363963R91

CAP, dust

1шт.

24

364791R91

PACKAGE, brush tube cross connector (Consists of brush box tubing, brush holder tube, jumper lead, lead clamp, eight nuts, 103088, eight screws, 100764 and eight washers, 106497)

1шт.

103088

NUT,#10-32

machine, screw, hex., no. 10-32 NF

8шт.

100764

SCREW,Sl Rd Hd, #10 - 24 x 1/2"

machine, slotted-rd-hd., no. 10-32 NF x 1/2"

8шт.

106497

LOCK WASHER,#10

WASHER, LOCK, #10

8шт.

25

363961R1

COVER, end shield

1шт.

424148

SCREW, machine, slotted-rd-hd., no. 10-32 NF x 1/2", w/external tooth lock washer

2шт.

26

363965R1

COVER, generator brush

2шт.

424148

SCREW, machine, slotted-rd-hd., no. 10-32 NF x 1/2", w/external tooth lock washer

4шт.

27

363966R1

GASKET, generator brush cover

2шт.

28

364028R91

PACKAGE, four generator brushes, w/springs and terminals

1шт.

29

102637

NUT,1/2"-13, G5

Follows ref # 31 1/2"-13, G5

1шт.

30

363948R1

WASHER, stator frame stud (1/2" I.D.)

1шт.

31

363947R1

STUD, stator frame (Fan end)

1шт.

102637

NUT,1/2"-13, G5

1шт.

103385

COTTER PIN,1/8" x 1"

PIN, SPLIT (COTTER), 1/8" x 1"

1шт.

32

364823R91

PANEL, control, assembly (For components see list of parts under detail of "control panel")

1шт.

113859

BOLT (SPREADER),Rd Hd, 5/16" - 18 x 1/2"

SCREW, machine, slotted-rd-hd., 5/16-18 x 1/2"

2шт.

114361

SCREW, machine, slotted-fil-hd., 1/4-20 x 1-1/2"

4шт.

103319

LOCK WASHER,1/4"

WASHER, LOCK, 1/4"

4шт.

95-11034

WASHER,1/4"

plain, 11/32" I.D. x 11/16" O.D. x no. 16 ga.

2шт.

33

364822R91

COVER, control panel

1шт.

34

363980R1

SCREW, control panel cover

4шт.

103320

LOCK WASHER,5/16"

WASHER, LOCK, 5/16"

4шт.

35

363981R1

COVER, reset button

1шт.

36

363950R91

PACKAGE, stator supply cables (Consists of four cables)

1шт.

37

363945R1

STUD, stator frame (Drive end)

1шт.

220081

NUT

hex., 3/4-10 NC

1шт.

103409

PIN, SPLIT (COTTER),3/16" x 1 1/2"

1шт.

103326

LOCK WASHER,3/4"

WASHER, LOCK, 3/4"

1шт.

38

363946R1

WASHER, stator frame stud (3/4" I.D.)

1шт.

39

425-1012

NUT,3/4"-10, G5

FOLLOWS REFERENCE NO. 37

1шт.

40

369540R1

PULLEY, electrall drive (See note)

1шт.

Выбрано товаров: 82