Запчасти Case IH FARMALL H (166) - CHASSIS, DRAWBAR, FARMALL "H" ONLY (12) - CHASSIS

Схема запчастей Case IH FARMALL H - (166) - CHASSIS, DRAWBAR, FARMALL "H" ONLY (12) - CHASSIS
22
16
13
9
20
7
27
17
10
13
5
26
11
29
23
25
1
18
12
19
6
8
15
3
28
4
14
30
2
24
21
FIT
1:1
100%

Артикул

Название

Примечание

Количество

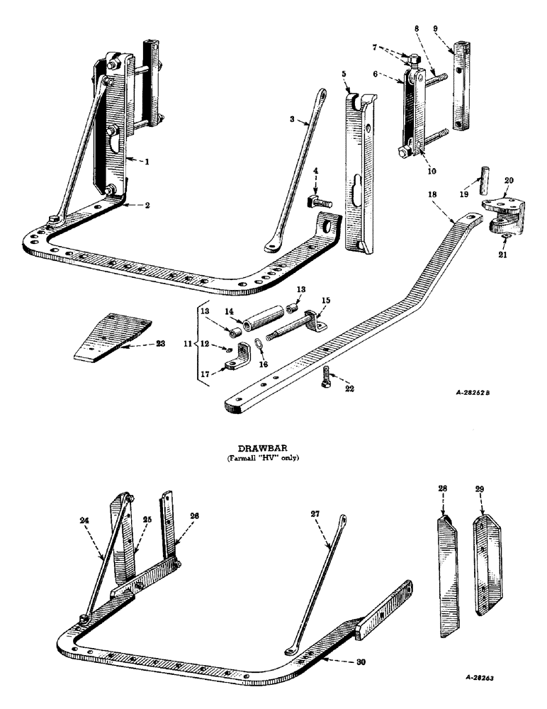
69044DC

DRAWBAR UNIT, complete (Reference no. 1 to 10 inclusive)

1шт.

1

43688D

DRAWBAR ANGLE, L.H. (S/N, Serial Range: 501-36679)

1шт.

1

57228D

DRAWBAR ANGLE, L.H. (S/N 36680 up)

1шт.

2

57227DB

DRAWBAR (Standard) (Will work for 43684DB) (S/N 36680 up)

1шт.

3

41119D

DRAWBAR BRACE (S/N, Serial Range: 501-36679)

2шт.

179950

CAP SCREW, 3/4 x 1-3/4" N.C. hex head

2шт.

179953

CAP SCREW, 3/4 x 2-1/4" N.C. hex head

2шт.

114821

HEX NUT, 3/4" N.C.

4шт.

103326

LOCK WASHER,3/4"

WASHER, LOCK, 3/4"

4шт.

3

57233DA

ROD

DRAWBAR BRACE (S/N 36680 up)

2шт.

179950

CAP SCREW, 3/4 x 1-3/4" N.C. hex head

2шт.

179952

CAP SCREW, 3/4 x 2" N.C. hex head

2шт.

114821

HEX NUT, 3/4" N.C.

4шт.

103326

LOCK WASHER,3/4"

WASHER, LOCK, 3/4"

4шт.

4

41111D

BOLT,3/4" - 10 x 2 3/4"

DRAWBAR PIVOT BOLT

2шт.

220081

NUT

HEX NUT, 3/4" N.C.

2шт.

103326

LOCK WASHER,3/4"

WASHER, LOCK, 3/4"

2шт.

5

43689D

DRAWBAR ANGLE, R.H. (S/N, Serial Range: 501-36679)

1шт.

5

57229D

DRAWBAR ANGLE, R.H. (S/N 36680 up)

1шт.

6

51716DXB

CHANNEL

DRAWBAR ATTACHING CHANNEL, complete

2шт.

7

48291DAX

BOLT,W/Nut & Washer, 3/4" - 16 x 2 11/16"

DRAWBAR EYE BOLT, with nut and lockwasher

4шт.

357790R1

NUT

HEX NUT, heavy

4шт.

Q1552

WASHER

STEEL WASHER, 1-1/4" O.D. x 25/32" I.D. x no. 10 ga.

4шт.

8

43685D

BOLT

DRAWBAR ATTACHING BOLT

4шт.

103031

TROUGH

HEX NUT, 3/4" N.F.

4шт.

103326

LOCK WASHER,3/4"

WASHER, LOCK, 3/4"

4шт.

9

51715DA

DRAWBAR ATTACHING CLAMP

2шт.

10

43690D

PIN

DRAWBAR EYE BOLT PIN

4шт.

11

356563R91

ROLLER

SWINGING DRAWBAR ROLLER, complete

1шт.

12

109461

LUBE NIPPLE,1/8"-27 x .66 lg

LUBRICATION FITTING, 1/8" straight (Optional with 119512)

1шт.

12

219-36

LUBE NIPPLE,45 Degree Elbow, 1/8" - 27 NPTF

LUBRICATION FITTING, 1/8" straight (Optional with 109461)

1шт.

13

356564R1

BUSHING

SWINGING DRAWBAR ROLLER BUSHING

2шт.

14

356562R11

ROLLER

SWINGING DRAWBAR ROLLER WITH TWO BUSHING, 356564R1

1шт.

15

356561R11

SHAFT

SWINGING DRAWBAR SHAFT WITH SUPPORT

1шт.

13361R1

MACHINE BOLT, 5/8 x 2-1/4" N.C. square head

1шт.

114820

HEX NUT, 5/8" N.C.

1шт.

114821

HEX NUT, 3/4" N.C.

1шт.

103325

LOCK WASHER,5/8"

WASHER, LOCK, 5/8"

1шт.

103326

LOCK WASHER,3/4"

WASHER, LOCK, 3/4"

1шт.

16

21868V

WASHER

SWINGING DRAWBAR ROLLER SHAFT WASHER (29/32" I.D. x 1-1/2" O.D. x no. 16 ga.)

2шт.

17

356565R1

SUPPORT

SWINGING DRAWBAR ROLLER SHAFT SUPPORT, front

1шт.

13361R1

MACHINE BOLT, 5/8 x 2-1/4" N.C. square head

1шт.

114820

HEX NUT, 5/8" N.C.

1шт.

114820

HEX NUT, 5/8" N.C.

1шт.

103325

LOCK WASHER,5/8"

WASHER, LOCK, 5/8"

1шт.

18

357530R1

SWINGING DRAWBAR (1" thick) (Will work for 49206DA)

1шт.

19

49207D

SWINGING DRAWBAR PIVOT PIN (S/N, Serial Range: 501-39936)

1шт.

19

57654D

PIVOT PIN

SWINGING DRAWBAR PIVOT PIN (S/N 39937 up)

1шт.

20

8842D

SWINGING DRAWBAR PIVOT SUPPORT (S/N 39937 up)

1шт.

179952

CAP SCREW, 3/4 x 2" N.C. hex head

3шт.

103326

LOCK WASHER,3/4"

WASHER, LOCK, 3/4"

3шт.

20

8842DX

SUPPORT

SWINGING DRAWBAR PIVOT SUPPORT, complete (Will work for 6802DA) (S/N, Serial Range: 501-39936)

1шт.

20

8785D

SWINGING DRAWBAR PIVOT SUPPORT (Used with 357530R1)

1шт.

21

57655D

PLATE

SWINGING DRAWBAR PIVOT PIN LOCK PLATE (S/N 39937 up)

1шт.

179837

BOLT,Hex, 3/8" - 16 x 3/4", Gr 5

1шт.

103321

LOCK WASHER,3/8"

WASHER, LOCK, 3/8"

1шт.

22

179952

CAP SCREW, 3/4 x 2" N.C. hex head (Used as drawbar roller stop)

2шт.

105611

NUT

SQUARE NUT, 3/4" N.C.

2шт.

103326

LOCK WASHER,3/4"

WASHER, LOCK, 3/4"

2шт.

23

66426D

DRAWBAR EXTENSION

1шт.

179954

CAP SCREW, 3/4 x 2-1/2" N.C. hex head

2шт.

114821

HEX NUT, 3/4" N.C.

2шт.

103326

LOCK WASHER,3/4"

WASHER, LOCK, 3/4"

2шт.

42905DC

SWINGING DRAWBAR ATTACHMENT (Special) (See note)

1шт.

45184DA

SWINGING DRAWBAR GUIDE (Used with 49206DA)

1шт.

13361R1

MACHINE BOLT, 5/8 x 2-1/4" N.C. square head

2шт.

114820

HEX NUT, 5/8" N.C.

2шт.

103325

LOCK WASHER,5/8"

WASHER, LOCK, 5/8"

2шт.

24

65143D

DRAWBAR BRACE, L.H.

1шт.

179952

CAP SCREW, 3/4 x 2" N.C. hex head

1шт.

179954

CAP SCREW, 3/4 x 2-1/2" N.C. hex head

1шт.

114821

HEX NUT, 3/4" N.C.

2шт.

103026

NUT,3/8"-24, G5

LOCKWASHER

2шт.

25

65141D

DRAWBAR BRACKET, rear, L.H.

1шт.

179952

CAP SCREW, 3/4 x 2" N.C. hex head

2шт.

103026

NUT,3/8"-24, G5

LOCKWASHER, 3/4"

2шт.

26

65139D

DRAWBAR BRACKET, front, L.H.

1шт.

103026

NUT,3/8"-24, G5

LOCKWASHER, 3/4"

2шт.

179952

CAP SCREW, 3/4 x 2" N.C. hex head

2шт.

27

65144D

DRAWBAR BRACE, R.H.

1шт.

179952

CAP SCREW, 3/4 x 2" N.C. hex head

1шт.

179954

CAP SCREW, 3/4 x 2-1/2" N.C. hex head

1шт.

114821

HEX NUT, 3/4" N.C.

2шт.

103326

LOCK WASHER,3/4"

WASHER, LOCK, 3/4"

2шт.

28

65142D

DRAWBAR BRACKET, rear, R.H.

1шт.

179952

CAP SCREW, 3/4 x 2" N.C. hex head

2шт.

103326

LOCK WASHER,3/4"

WASHER, LOCK, 3/4"

2шт.

29

65140D

DRAWBAR BRACKET, front, R.H.

1шт.

179952

CAP SCREW, 3/4 x 2" N.C. hex head

2шт.

103326

LOCK WASHER,3/4"

WASHER, LOCK, 3/4"

2шт.

30

65137DX

DRAWBAR

1шт.

179954

CAP SCREW, 3/4 x 2-1/2" N.C. hex head

4шт.

114821

HEX NUT, 3/4" N.C.

4шт.

103326

LOCK WASHER,3/4"

WASHER, LOCK, 3/4"

4шт.

Выбрано товаров: 94