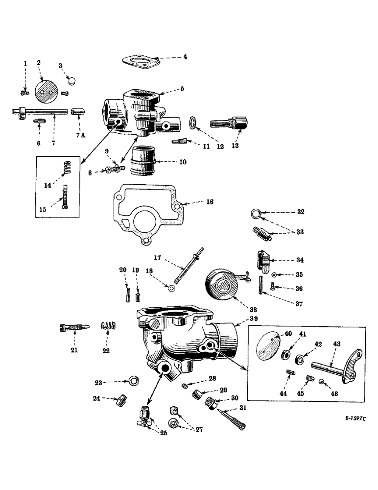
Запчасти Case IH FARMALL H (036C) - ENGINE, CARBURETORS, INTERNATIONAL MODEL D-10, 1 INCH UP DRAFT (01) - ENGINE

Схема запчастей Case IH FARMALL H - (036C) - ENGINE, CARBURETORS, INTERNATIONAL MODEL D-10, 1 INCH UP DRAFT (01) - ENGINE
14
24
45
38
40
1
28
8
34
11
43
4
44
12
5
25
36
17
16
20
39
13
29
27
33
21
15
18
32
10
31
9
7a
41
6
35
46
37
22
2
30
7
3
42
23
19
FIT
1:1
100%

Артикул

Название

Примечание

Количество

45108DD

CARBURETOR, assembly (Distillate or kerosene)

1шт.

50981DD

CARBURETOR, assembly (Gasoline)

1шт.

1

31636D

SCREW

throttle valve plate

2шт.

2

24676DA

PLATE, throttle valve (Distillate or kerosene)

1шт.

2

56609DA

PLATE, throttle valve (Gasoline)

1шт.

3

37417D

PLUG, expansion, 5/16" (Throttle body)

1шт.

4

24520D

GASKET

carburetor (Not part of carburetor assembly)

1шт.

5

6213DCY

BODY, throttle, 6213DCX, with plate, 24676DA and plug, 352444R1 (Distillate or kerosene) (Will work for 6213DAX) (S/N, Serial Range: 501-239175)

1шт.

5

352449R91

BODY, throttle, 6213DCX, with plug, 352444R1 (Distillate or kerosene) (Will work for 6213DBX) (S/N, Serial Range: 239176-299602)

1шт.

5

6213DCX

BODY, throttle, assembly (Distillate or kerosene), Composed of

1шт.

6213DC

BODY (NSS)

1шт.

45109DA

BUSHING

1шт.

45110D

PIN

1шт.

37417D

PLUG

1шт.

47393D

PLUG (NSS)

1шт.

109371

SCREW

1шт.

5

8728DBY

BODY, throttle, 8728DBX, with plate, 56609DA and plug 352444R1 (Gasoline) (Will work for 8728DX) (S/N, Serial Range: 501-239070)

1шт.

5

352450R91

BODY, throttle, 8728DBX, with plug, 352444R1 (Gasoline) (Will work for 8728DAX) (S/N, Serial Range: 239071-299602)

1шт.

5

8728DBX

BODY, throttle, assembly (Gasoline) (S/N299603 up), Composed of

1шт.

8728DB

BODY (NSS)

1шт.

109371

BUSHING

1шт.

45110D

PIN

1шт.

37417D

PLUG

1шт.

47393D

PLUG (NSS)

1шт.

109371

SCREW

1шт.

6

45110D

PIN

throttle stop

1шт.

7

45112DAX

SHAFT

throttle

1шт.

7a

45109DA

BUSHING

throttle shaft

1шт.

8

132203

FOLLOWS REFERENCE NO. 39 Slotted Fil Hd, #12-24 x 7/8"

1шт.

9

492-11012

LOCK WASHER,#12

Washer, Lock, , Follows Ref #39 #12

1шт.

10

45118D

VENTURI (Optional with 64986D)

1шт.

10

64986D

VENTURI (Optional with 45118D)

1шт.

11

24693D

PLUG, idle passage (Used on 45108DC and 50981DB)

1шт.

11

352444R1

PLUG, idle passage (Used on 45108DD and 50981DC)

1шт.

12

18377D

GASKET

strainer screen retainer

1шт.

13

29902DX

SCREEN

RETAINER, strainer screen, with screen

1шт.

14

25484D

SPRING

throttle stop screw

1шт.

15

186566

SCREW,Sltd Fil Hd, #10-32 x 1 1/8"

fil-hd., cd-pltd., no. 10-32 x 1-1/8"

1шт.

16

46370D

GASKET

fuel bowl

1шт.

17

45139DAX

NOZZLE, metering

1шт.

17

56610DX

NOZZLE INJECTION

NOZZLE, metering (Gasoline) (For carburetors, 50981D and 50981DA only)

1шт.

18

45142D

WASHER

GASKET, metering nozzle

1шт.

19

45140D

AIR BLEED, main

1шт.

19

359686R91

AIR BLEED, main (For power improvement package only)

1шт.

20

49798D74

JET

idle metering (Gasoline)

1шт.

20

49798D75

JET

idle metering (Distillate or kerosene)

1шт.

21

24689D

ADJUSTMENT SCREW

idle adjusting

1шт.

22

24685D

SPRING

idle adjusting screw

1шт.

23

25948D

GASKET

clamp nut

1шт.

24

45143D

NUT

CLAMP NUT, metering nozzle

1шт.

25

26407D

VALVE

COCK, drain (Distillate or kerosene) (Optional with 134519)

1шт.

25

134519

VALVE

COCK, drain (Distillate or kerosene) (Optional with 26407D)

1шт.

27

60947D

PLUG

FILLER AND PLUG, drip hole

1шт.

28

56611DA

SEAT, fuel adjusting screw (Gasoline)

1шт.

28

63809D

SEAT, fuel adjusting screw (Distillate or kerosene) (Will work for 45141DA55)

1шт.

28

359685R91

SEAT, fuel adjusting screw (Gasoline) (For power improvement package only)

1шт.

29

24703DA

PACKING

fuel adjusting screw (Optional with 67266DX)

1шт.

29

67266DX

PACKING

fuel adjusting screw (Optional with 24703DA)

1шт.

30

24687DA

NUT,7/16" - 32 NPT

NUT, fuel adjusting screw packing

1шт.

31

47404DA

ADJUSTMENT SCREW,Pan HD, 1/4" - 32 x 1-13/32", SST

fuel adjusting

1шт.

32

25948D

GASKET

needle valve

1шт.

33

29302DXA50

CAGE

VALVE, needle, with seat and gasket

1шт.

34

45117D

SUPPORT, float lever pivot

1шт.

35

131043

LOCK WASHER,#4

Washer, Lock, #4

2шт.

36

86982776

SCREW,Rd, #4 - 40 x 5/16"

rd-hd., cd-pltd., no. 4-40 x 5/16"

2шт.

37

45116D

AXLE, float

1шт.

38

45114DX

FLOAT

1шт.

39

6212DBX

BOWL, fuel, assembly (Distillate or kerosene), Composed of

1шт.

45140D

AIR BLEED

1шт.

6212DB

BOWL (NSS)

1шт.

27445DB

FILLER

(NSS)

1шт.

351588R1

PIN

1шт.

32611D

PLUG (NSS)

1шт.

57957D

PLUG,Exp, 7/16"

(NSS)

1шт.

45148D

SEAL,6.75mm ID x 11.24mm OD x 0.4mm Thk

RETAINER

1шт.

45149DA

SEAL

1шт.

63809D

SEAT

1шт.

132203

SCREW, fil-hd., cd-pltd., no. 12-24 x 7/8" Slotted Fil Hd, #12-24 x 7/8"

3шт.

492-11012

LOCK WASHER,#12

Washer, Lock, #12

3шт.

39

56608D

BOWL, fuel, assembly (Gasoline) (Will work for 6212DB), Composed of

1шт.

45140D

AIR BLEED

1шт.

6212DB

BOWL (NSS)

1шт.

27445DB

FILLER

(NSS)

1шт.

351588R1

PIN

1шт.

32611D

PLUG (NSS)

1шт.

57957D

PLUG,Exp, 7/16"

(NSS)

1шт.

45148D

SEAL,6.75mm ID x 11.24mm OD x 0.4mm Thk

RETAINER

1шт.

45149DA

SEAL

1шт.

56611DA

SEAT

1шт.

117243

BOTTOM

PLUG, pipe, sq-hd., cd-pltd., 1/8"

1шт.

132203

SCREW, fil-hd., cd-pltd., no. 12-24 x 7/8" Slotted Fil Hd, #12-24 x 7/8"

3шт.

492-11012

LOCK WASHER,#12

Washer, Lock, #12

3шт.

39

56608DX

BOWL, fuel, assembly (Gasoline), Composed of

1шт.

56608D

BOWL

1шт.

49798D74

JET

1шт.

24703DA

PACKING

1шт.

47404DA

ADJUSTMENT SCREW,Pan HD, 1/4" - 32 x 1-13/32", SST

1шт.

117243

BOTTOM

PLUG, pipe, sq-hd., cd-pltd., 1/8"

1шт.

132203

SCREW, fil-hd., cd-pltd., no. 12-24 x 7/8" Slotted Fil Hd, #12-24 x 7/8"

3шт.

492-11012

LOCK WASHER,#12

Washer, Lock, #12

3шт.

40

352633R11

SHUTTER

starting with two screws, 132688 and two washers, 131044 (For 45108DD or 50981DC)

1шт.

132688

SCREW,Sl Rnd Hd, #6 - 32 x 1/4"

rd-hd., cd-pltd., no. 6-32 x 1/4"

2шт.

492-11006

LOCK WASHER,#6

Lock, #6

2шт.

41

45149DA

SEAL

dust, starting shutter

1шт.

42

45148D

SEAL,6.75mm ID x 11.24mm OD x 0.4mm Thk

RETAINER, dust seal

1шт.

43

352640R91

LEVER

SHAFT, starting shutter

1шт.

44

351588R1

PIN

(Groov no. 1, 1/8 x 1/2") (In fuel bowl) (Optional with 142484)

1шт.

44

142484

HANDLE

PIN (Groov no. 1, 1/8 x 1/2") (In fuel bowl) (Optional with 351588R1)

1шт.

45

46059D

SPRING

friction ball

1шт.

46

52791R1

BALL,3/16" Dia, Stainless

friction

1шт.

109371

SCREW, drive (Carburetor number plate)

1шт.

351966R91

BODY, throttle, 8728DBY, with two screws, 31636D and one shaft, 45112DAX (Service on 50981D and 50981DA)

1шт.

352635R91

SHAFT ASSY.

SHAFT, starting, 352640R91 and shutter 352633R11 (Will work for 46057DXA and 45152DBX on 45108DC or 50981DB)

1шт.

354452R91

PACKAGE

carburetor over-haul, Consists of

1шт.

52791R1

BALL,3/16" Dia, Stainless

1шт.

60947D

PLUG

FILLER AND PLUG

1шт.

18377D

GASKET

1шт.

24520D

GASKET

1шт.

25948D

GASKET

1шт.

45142D

WASHER

GASKET

1шт.

46370D

GASKET

1шт.

60296D

GASKET

1шт.

66272D

GASKET

1шт.

24703DA

PACKING

1шт.

45116D

PIVOT

1шт.

24685D

SPRING

RETAINER

1шт.

25484D

SPRING

RETAINER

1шт.

29902DX

SCREEN

RETAINER

1шт.

45148D

SEAL,6.75mm ID x 11.24mm OD x 0.4mm Thk

RETAINER

1шт.

24689D

ADJUSTMENT SCREW

1шт.

31636D

SCREW

2шт.

47404DA

ADJUSTMENT SCREW,Pan HD, 1/4" - 32 x 1-13/32", SST

1шт.

86982773

SCREW,Slotted Fil Hd, #6-32 x 7/16"

1шт.

132688

SCREW,Sl Rnd Hd, #6 - 32 x 1/4"

2шт.

186566

SCREW,Sltd Fil Hd, #10-32 x 1 1/8"

1шт.

45149DA

SEAL

1шт.

45122DAX

SHAFT

1шт.

46059D

SPRING

1шт.

29302DX50

VALVE

1шт.

131044

LOCK WASHER

Lock, #6

2шт.

354452R92

PACKAGE

KIT carburetor

1шт.

Выбрано товаров: 141