Запчасти Case IH FARMALL H (038) - ELECTRICAL SYSTEM, SPARK PLUGS, CABLES,TERMINALS, DISTRIBUTOR OR MAGNETO DRIVE AND BRACKET (06) - ELECTRICAL SYSTEMS

Схема запчастей Case IH FARMALL H - (038) - ELECTRICAL SYSTEM, SPARK PLUGS, CABLES,TERMINALS, DISTRIBUTOR OR MAGNETO DRIVE AND BRACKET (06) - ELECTRICAL SYSTEMS
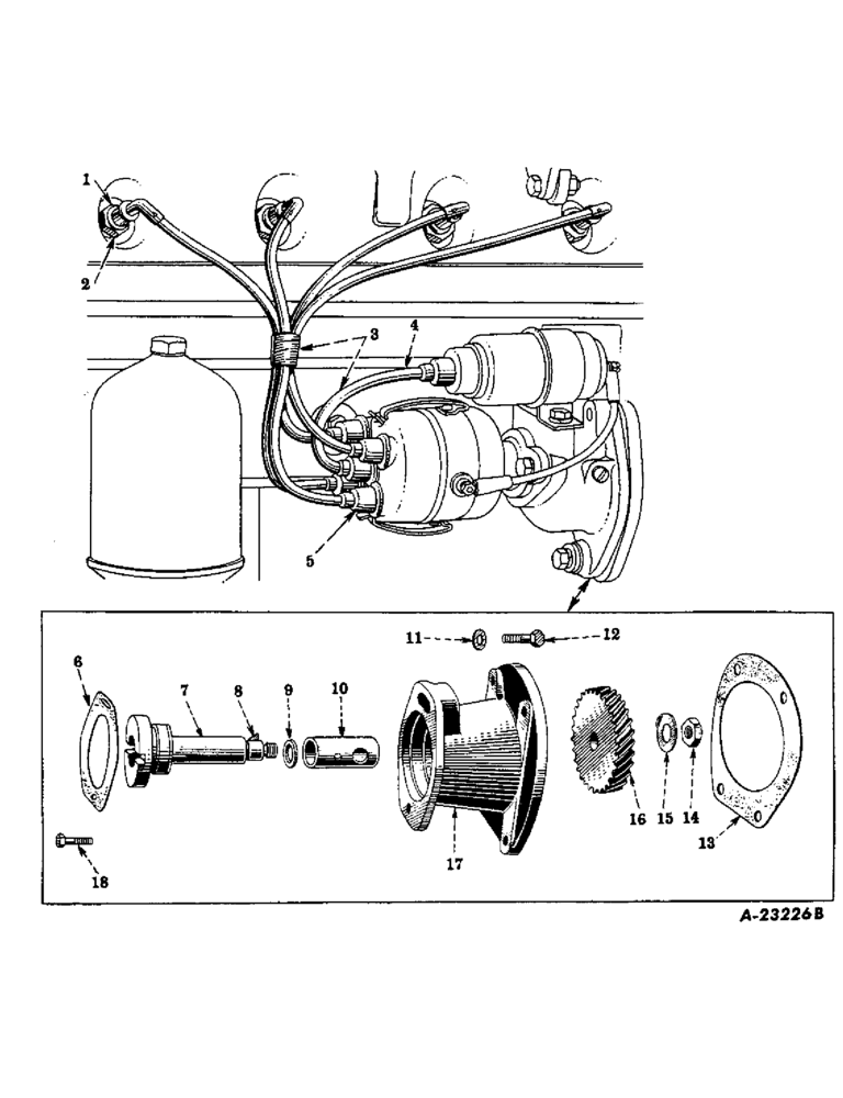
1
17
8
5
14
6
2
11
16
15
12
13
10
7
9
3
4
18
FIT
1:1
100%

Артикул

Название

Примечание

Количество

1

360942R91

SPARK PLUG

(Champion), normal service

4шт.

1

353982R91

SPARK PLUG (AC), normal service

4шт.

1

359276R91

SPARK PLUG

(Auto-Lite), normal service

4шт.

1

360943R91

SPARK PLUG

(Champion), light or moderate service

4шт.

1

353985R91

SPARK PLUG (AC), light or moderate service

4шт.

1

359277R91

SPARK PLUG (Auto-Lite), light or moderate service

4шт.

1

361688R91

SPARK ARRESTER

SPARK PLUG (Champion), severe service

4шт.

1

353983R91

SPARK PLUG (AC), severe service

4шт.

1

359275R91

SPARK PLUG (Auto-Lite), severe service

4шт.

1

361686R91

SPARK PLUG

(Champion), extremely severe service

4шт.

1

353986R91

SPARK PLUG

(AC), extremely severe service

4шт.

1

359274R91

SPARK PLUG (Auto-Lite), extremely severe service

4шт.

2

37762H

GASKET

SPARK PLUG GASKET, extremely severe service

4шт.

3

356689R92

CABLE

IGNITION CABLE SERVICE PACKAGE (Consists of spark plug cable, assembly with cable, 356686R92 and four nipples, 251553R1) (Will work for 352951R91)

1шт.

3

407487R1GV

SET

Value, Ignition Cable

1шт.

4

356686R92

CABLE

COIL TO DISTRIBUTOR SECONDARY CABLE

1шт.

5

251553R1

BOOT

SPARK PLUG CABLE NIPPLE

4шт.

6

55780DD

GASKET

DISTRIBUTOR OR MAGNETO FLANGE GASKET

1шт.

7

45001D

MAGNETO DRIVE SHAFT (S/N 501 TO 268223)

1шт.

114498

JAM NUT,Jam, 5/8"-18, G5

1шт.

7

352079R1

SHAFT

DISTRIBUTOR OR MAGNETO DRIVE SHAFT (S/N 268224 UP)

1шт.

114498

JAM NUT,Jam, 5/8"-18, G5

1шт.

8

106749

KEY

DISTRIBUTOR OR MAGNETO DRIVE GEAR KEY (Woodruff no. 3, 1/8 x 1/2") (Same as 4167T)

1шт.

9

352080R91

SEAL

DISTRIBUTOR OR MAGNETO DRIVE SHAFT OIL SEAL (Optional with 358839R91) (S/N 268224 up)

1шт.

9

358839R9

DISTRIBUTOR OR MAGNETO DRIVE SHAFT OIL SEAL (Optional with 352080R91) (S/N 268224 up)

1шт.

Ref. 9 is deceiving this is a larger seal that fits over the shaft the correct sub number is P/N 398321r91.

1шт.

10

24473DA

BUSHING

DISTRIBUTOR OR MAGNETO SHAFT BUSHING

1шт.

11

24523D

WASHER

DISTRIBUTOR OR MAGNETO BOLT WASHER (Will work for 22828D and 40433D)

1шт.

12

179846

LEVER

3/8 x 1-7/8" N.C. hex head

1шт.

103321

LOCK WASHER,3/8"

WASHER, LOCK, 3/8"

3шт.

13

45326D

GASKET

DISTRIBUTOR OR MAGNETO BRACKET GASKET (S/N, Serial Range: 501-344863)

1шт.

13

354949R1

GASKET

DISTRIBUTOR OR MAGNETO BRACKET GASKET (S/N 344864 up)

1шт.

14

114498

JAM NUT,Jam, 5/8"-18, G5

Follows Ref. #7 Jam, 5/8"-18, G5

1шт.

15

45003D

WASHER

DISTRIBUTOR OR MAGNETO GEAR NUT LOCK

1шт.

16

45002D

GEAR

DISTRIBUTOR OR MAGNETO DRIVE GEAR, 24 teeth

1шт.

17

352081R92

MAGNETO BRACKET AND DRIVE SHAFT, complete (Will work for 6237DX) (S/N, Serial Range: 501-268223)

1шт.

413-622

BOLT,Hex, 3/8" - 16 x 1-3/8", Gr 5

CAP SCREW, 3/8 x 1-3/8" N.C. hex head

4шт.

103321

LOCK WASHER,3/8"

WASHER, LOCK, 3/8"

4шт.

17

6237DBX

DISTRIBUTOR OR MAGNETO BRACKET WITH BUSHING, 24473DA and oil seal, 352080R91 (S/N, Serial Range: 268224-344863)

1шт.

17

354948R11

DISTRIBUTOR OR MAGNETO BRACKET WITH BUSHING, 24473DA and oil seal, 352080R91) (S/N 344864 up)

1шт.

413-622

BOLT,Hex, 3/8" - 16 x 1-3/8", Gr 5

CAP SCREW, 3/8 x 1-3/8" N.C. hex head

4шт.

103321

LOCK WASHER,3/8"

WASHER, LOCK, 3/8"

4шт.

18

179840

BOLT,Hex, 3/8" - 16 x 1 1/8", Gr 5

CAP SCREW, 3/8 x 1-1/8" N.C. hex head (Used with battery ignition)

1шт.

18

NLS

NO LONGER SERVICED

(Used with magneto ignition) Hex, 3/8"-16 x 1 1/2", G5

1шт.

Выбрано товаров: 44