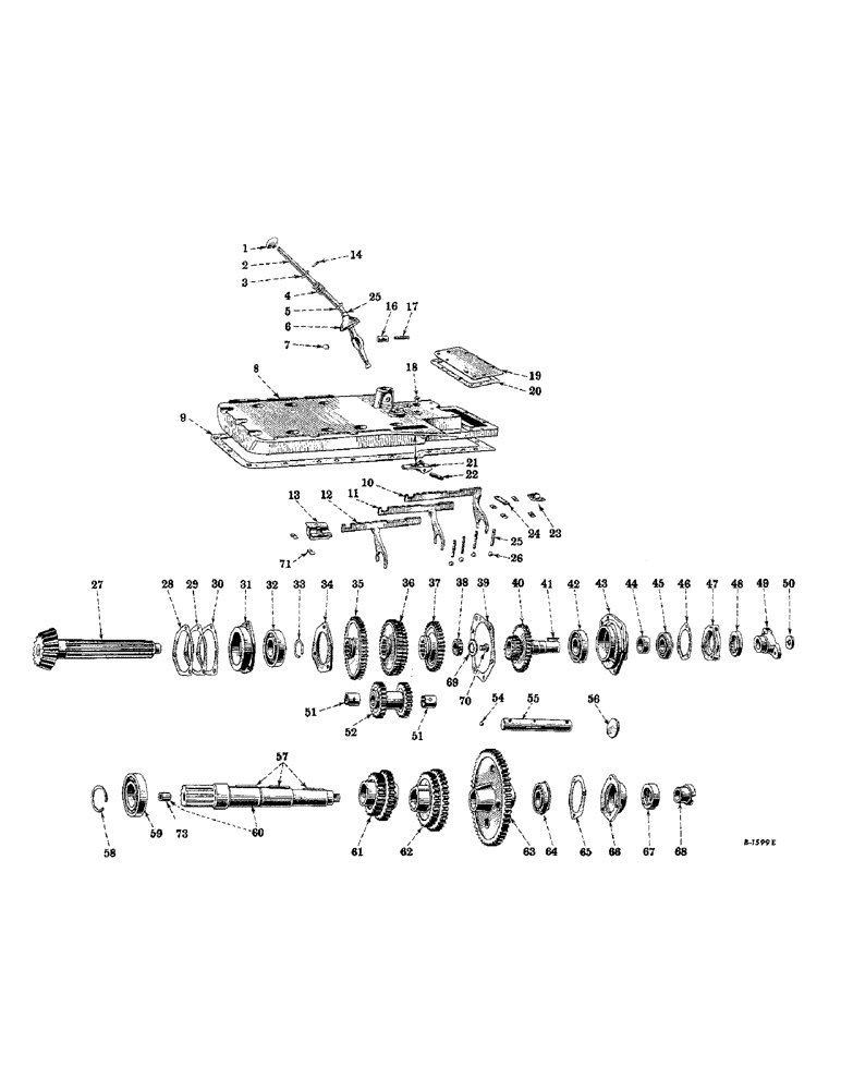
Запчасти Case IH FARMALL H (112) - CHASSIS, TRANSMISSION, BALL BEARING, FIVE SPEEDS FORWARD, ONE REVERSE (12) - CHASSIS

Схема запчастей Case IH FARMALL H - (112) - CHASSIS, TRANSMISSION, BALL BEARING, FIVE SPEEDS FORWARD, ONE REVERSE (12) - CHASSIS
54
50
26
41
55
73
16
12
17
31
36
32
30
4
19
25
52
5
10
11
14
60
1
27
61
6
43
33
48
66
24
49
45
3
58
29
51
51
67
9
64
44
39
35
37
57
8
70
40
62
42
68
46
47
18
28
71
56
69
25
20
59
63
21
2
13
7
23
34
22
38
65
FIT
1:1
100%

Артикул

Название

Примечание

Количество

1

9637D

BALL

GEAR SHIFT LEVER BALL (Used with lever, 67695DX) (S/N, Serial Range: 501-247778)

1шт.

1

48427D

KNOB

GEAR SHIFT LEVER BALL (S/N, Serial Range: 501-6374)

1шт.

1

53717DA

BUTTON

GEAR SHIFT LEVER BALL (Used with lever 51448DA and 351906R91) (S.N 6375 up)

1шт.

2

351906R91

LEVER

GEAR SHIFT LEVER (Standard) (Will work for 48406D and 51448DA)

1шт.

2

352464R91

LEVER

GEAR SHIFT LEVER, 351906R91 with ball, 53717DA (Standard) (Will work for 67695DX)

1шт.

3

1657E

STOP

GEAR SHIFT LEVER SPRING STOP - upper

1шт.

432-1220

COTTER PIN,3/16" x 1 1/4"

Pin, Split (Cotter), 3/16" x 1 1/4"

1шт.

4

29547D

SPRING

GEAR SHIFT LEVER SPRING (Standard)

1шт.

5

1657E

STOP

GEAR SHIFT LEVER SPRING STOP, LOWER (Will work for 17700D)

1шт.

6

355889R11

SHIELD

GEAR SHIFT LEVER SWIVEL HOUSING SHIELD WITH PIN, 103408 (Optional with 356665R91) (Will work for 42496DXA)

1шт.

6

356665R91

GEAR SHIFT LEVER SWIVEL HOUSING SHIELD WITH BUSHING, 20887DA, and pin, 103408 (Optional with 355889R11) (Will work for 42496DXA)

1шт.

7

13115D

PLUG

GEAR SHIFTER LEVER SWIVEL SHAFT HOLE PLUG

2шт.

8

6854DAX

REAR FRAME COVER, complete (S/N, Serial Range: 501-15697)

1шт.

179864

BOLT,Hex, 7/16" - 14 x 1 3/4", Gr 5

CAP SCREW, 7/16 x 1-3/4" N.C. hex head

4шт.

179866

BOLT,Hex, 7/16" - 14 x 2", Gr 5

1шт.

179870

BOLT,Hex, 7/16" - 14 x 3", Gr 5

CAP SCREW, 7/16 x 3" N.C. hex head

10шт.

103386

COTTER PIN,1/8" x 1 1/4"

Pin, Split (Cotter), 1/8" x 1 1/4"

1шт.

103322

LOCK WASHER,7/16"

WASHER, LOCK, 7/16"

15шт.

106645

PIPE PLUG, 1-1/2" (Countersunk head)

1шт.

8

8536DEX

REAR FRAME COVER WITH TWO PLUGS, 13115D AND 106645 (Standard) (S/N 15698 up)

1шт.

179864

BOLT,Hex, 7/16" - 14 x 1 3/4", Gr 5

CAP SCREW, 7/16 x 1-3/4" N.C. hex head

4шт.

179870

BOLT,Hex, 7/16" - 14 x 3", Gr 5

CAP SCREW, 7/16 x 3" N.C. hex head

11шт.

103386

COTTER PIN,1/8" x 1 1/4"

Pin, Split (Cotter), 1/8" x 1 1/4"

1шт.

103322

LOCK WASHER,7/16"

WASHER, LOCK, 7/16"

15шт.

106645

PIPE PLUG, 1-1/2" countersunk head

1шт.

9

48646D

GASKET

REAR FRAME COVER GASKET

1шт.

10

51646DA

FOURTH AND FIFTH SPEED SHIFTER RAIL WITH FORK (Standard) (S/N, Serial Range: 501-19378)

1шт.

10

52948DAX

FOURTH AND FIFTH SPEED SHIFTER RAIL WITH FORK (Standard) (S/N 19379 up)

1шт.

11

51644DB

SECOND AND THIRD SPEED SHIFTER RAIL WITH FORK (Standard) (S/N, Serial Range: 501-19378)

1шт.

11

52947DXB

SECOND AND THIRD SPEED SHIFTER RAIL WITH FORK (Standard) (S/N 19379 up)

1шт.

12

51642DA

FIRST AND REVERSE SPEED SHIFTER RAIL WITH FORK (Standard) (S/N, Serial Range: 501-19378)

1шт.

12

52946DXB

FIRST AND REVERSE SPEED SHIFTER RAIL WITH FORK (Standard) (S/N 19379 up)

1шт.

13

355739R91

GUIDE

GEAR SHIFTER RAIL REAR GUIDE (Will work for 43909DXA, 352696R1, 352697R1, and 352698R91) (S/N, Serial Range: 501-279209)

1шт.

179837

BOLT,Hex, 3/8" - 16 x 3/4", Gr 5

2шт.

14

432-1220

COTTER PIN,3/16" x 1 1/4"

Pin, Split (Cotter), , follows ref # 3 3/16" x 1 1/4"

1шт.

15

20887DA

GEAR SHIFT LEVER SWIVEL HOUSING SHIELD BUSHING

1шт.

16

40465DA

SHAFT

GEAR SHIFT LEVER SWIVEL SHAFT, large

1шт.

17

357003R1

AXLE PIN,11.11mm OD x 57.15mm L

GEAR SHIFT LEVER SWIVEL SHAFT, small

1шт.

18

49637D

FIFTH SPEED LOCKOUT SCREW (Used with steel wheels and reverse direction attachment)

1шт.

18

179837

BOLT,Hex, 3/8" - 16 x 3/4", Gr 5

(Used with pneumatic tires) Hex, 3/8"-16 x 3/4", G5, Full Thd

1шт.

18

103321

LOCK WASHER,3/8"

WASHER, LOCK, (Used with pneumatic tires) 3/8"

1шт.

19

49618DA

BAR

PULLEY DRIVE OPENING COVER (Optional with 365129R1)

1шт.

179858

SUPPORT

CAP SCREW, 7/16 x 1" N.C. hex head

2шт.

179867

BOLT,Hex, 7/16" - 14 x 2 1/4", Gr 5

CAP SCREW, 7/16 x 2-1/4" N.C. hex head

4шт.

103322

LOCK WASHER,7/16"

WASHER, LOCK, 7/16"

6шт.

19

365129R1

PULLEY DRIVE OPENING COVER (Optional with 49618DA)

1шт.

179860

BOLT,Hex, 7/16" - 14 x 1 1/4", Gr 5

CAP SCREW, 7/16 x 1-1/4" N.C. hex head

2шт.

179868

BOLT,Hex, 7/16" - 14 x 2 1/2", Gr 5

CAP SCREW, 7/16 x 2-1/2" N.C. hex head

4шт.

103322

LOCK WASHER,7/16"

WASHER, LOCK, 7/16"

6шт.

20

49619DB

GASKET

PULLEY DRIVE OPENING COVER GASKET

1шт.

REF#20 part# 49619DA should be, per the hard copy Farmall H book, 49619DB. jfn 3/2/99

1шт.

21

359989R91

PAWL

BRAKE PEDAL PAWL (Will work for 49208D)

1шт.

22

49209D

SHAFT

BRAKE PEDAL PAWL SHAFT

1шт.

23

48544D

GUIDE

GEAR SHIFTER RAIL FRONT GUIDE WITH BRACKET

1шт.

179837

BOLT,Hex, 3/8" - 16 x 3/4", Gr 5

2шт.

24

48391D

GEAR SHIFTER RAIL STOP PLATE

1шт.

179837

BOLT,Hex, 3/8" - 16 x 3/4", Gr 5

2шт.

25

41058DA

SPRING

GEAR SHIFTER POPPET SPRING

4шт.

26

D2616

BALL

GEAR SHIFTER POPPET (Same as 4596D) (Optional with 13722D)

4шт.

26

13722D

BALL

GEAR SHIFTER POPPET (Optional with D2616)

4шт.

27

51560D

TRANSMISSION MAIN SHAFT, 16 teeth (S/N, Serial Range: 501-40959)

1шт.

27

57262DB

TRANSMISSION MAIN SHAFT, 16 teeth (S/N, Serial Range: 126835-391357)

1шт.

27

57262DBX

TRANSMISSION MAIN SHAFT WITH LOCKWASHER, 58862D and lock screw 67052D (Will work for 57262D and DA) (S/N, Serial Range: 40960-126834)

1шт.

27

358033R1

TRANSMISSION MAIN SHAFT, 16 teeth (S/N 391358 UP)

1шт.

28

49181D

TRANSMISSION MAIN SHAFT BEARING CAGE SHIM, light

1шт.

29

49182D

TRANSMISSION MAIN SHAFT BEARING CAGE SHIM, medium

1шт.

30

49183D

TRANSMISSION MAIN SHAFT BEARING CAGE SHIM, heavy

1шт.

31

6796DA

TRANSMISSION MAIN SHAFT BEARING CAGE

1шт.

32

ST293

BALL BEARING,45mm ID x 100mm OD x 25mm W

TRANSMISSION MAIN SHAFT BALL BEARING, rear (Will work for ST203)

1шт.

33

43304DA

RING

TRANSMISSION MAIN SHAFT BEARING SNAP RING

1шт.

34

49184D

TRANSMISSION MAIN SHAFT BEARING CAGE COVER

1шт.

179860

BOLT,Hex, 7/16" - 14 x 1 1/4", Gr 5

CAP SCREW, 7/16 x 1-1/4" N.C. hex head

3шт.

103322

LOCK WASHER,7/16"

WASHER, LOCK, 7/16"

3шт.

35

51563DA

FIRST AND REVERSE SPEED SLIDING GEAR, 47 teeth (Not low, low speed attachment)

1шт.

36

56418DA

SECOND AND THIRD SPEED SLIDING GEAR, 39 and 42 teeth (Will work FOR 51562D)

1шт.

37

56420DA

GEAR

FOURTH AND FIFTH SPEED SLIDING GEAR, 18 and 35 teeth (Will work for 51561D) (Optional with 357946R1) (Not 7 miles per hour fourth speed attachment)

1шт.

37

357946R1

GEAR

FOURTH AND FIFTH SPEED SLIDING GEAR, 18 and 35 teeth (Optional with 56420DA)

1шт.

37

62396DA

FOURTH AND FIFTH SPEED SLIDING GEAR, 29 and 18 teeth (For 7 miles per hour, fourth speed attachment) (See note A)

1шт.

38

43356DA

BEARING,25mm ID x 44.81mm OD x 14.93mm W

TRANSMISSION MAIN SHAFT PILOT BEARING (Will work for ST702) (S/N, Serial Range: 501-391357)

1шт.

38

358036R91

BEARING

TRANSMISSION MAIN SHAFT PILOT BEARING (Optional with 358035R91 and 358034R91) (S/N 391358 up)

1шт.

38

358035R91

BEARING, ROLLER, CYL,25mm ID x 44.82mm OD x 20.64mm W

TRANSMISSION MAIN SHAFT PILOT BEARING (Optional with 358036R91 and 358034R91) (S/N 391358 up)

1шт.

38

358034R91

NEEDLE BEARING

TRANSMISSION MAIN SHAFT PILOT BEARING (Optional with 358036R91 and 358035R91) (S/N 391358 up)

1шт.

39

47894D

GASKET

TRANSMISSION DRIVING SHAFT BEARING CAGE GASKET

1шт.

40

52945DE

GEAR

TRANSMISSION DRIVING SHAFT, 18 and 35 teeth (Will work for 47893D and 66192DA) (S/N, Serial Range: 501-391357)

1шт.

40

358024R1

GEAR

TRANSMISSION DRIVING SHAFT, 18 and 35 teeth (S/N 391358 up)

1шт.

41

66984D

WOODRUFF KEY,#126, 3/16" x 2 1/8", HT

TRANSMISSION DRIVING SHAFT KEY (Woodruff no. 126, 3/16 x 2-1/8") (Same as 13552D)

1шт.

42

ST206

BEARING, BALL,40mm ID x 90mm OD x 23mm W

TRANSMISSION DRIVING SHAFT BALL BEARING, rear

1шт.

43

6577D

TRANSMISSION DRIVING SHAFT BEARING CAGE (S/N, Serial Range: 501-391357)

1шт.

43

358025R1

TRANSMISSION DRIVING SHAFT BEARING CAGE (S/N 391358 up)

1шт.

NLS

NO LONGER SERVICED

6шт.

103321

LOCK WASHER,3/8"

WASHER, LOCK, 3/8"

6шт.

44

47895D

SPACER

TRANSMISSION DRIVING SHAFT BEARING SPACER (S/N, Serial Range: 501-391357)

1шт.

44

358026R1

TRANSMISSION DRIVING SHAFT BEARING SPACER (S/N 391358 up)

1шт.

45

ST247

BEARING, BALL,35 mm ID x 72 mm OD x 17 mm

TRANSMISSION DRIVING SHAFT FRONT BALL BEARING (Will work for ST248A)

1шт.

46

47896D

GASKET

TRANSMISSION DRIVING SHAFT BEARING RETAINER GASKET (S/N, Serial Range: 501-391357)

1шт.

46

358028R1

GASKET

TRANSMISSION DRIVING SHAFT BEARING RETAINER GASKET (S/N 391358 up)

1шт.

47

9299DX

TRANSMISSION DRIVING SHAFT BEARING RETAINER WITH OIL SEAL, 79634H (Will work for 6576DAX) (S/N, Serial Range: 501-391357)

1шт.

47

358027R11

TRANSMISSION DRIVING SHAFT BEARING RETAINER, assembly (S/N 391358 up)

1шт.

179842

SPACER

CAP SCREW, 3/8 x 1-3/8" N.C. hex head

3шт.

179843

BOLT,Hex, 3/8" - 16 x 1 1/2", Gr 5

(Used with 6576DAX) Hex, 3/8"-16 x 1 1/2", G5

3шт.

103321

LOCK WASHER,3/8"

WASHER, LOCK, 3/8"

3шт.

48

70258D

SEAL

TRANSMISSION DRIVING SHAFT OIL SEAL (Optional with 79634H and 357967R91)

1шт.

48

79634H

SEAL

TRANSMISSION DRIVING SHAFT OIL SEAL (Optional with 70258D and 357967R91)

1шт.

48

357967R91

SEAL

TRANSMISSION DRIVING SHAFT OIL SEAL (Optional with 70258D and 79634H9)

1шт.

49

48545DA

HUB

TRANSMISSION DRIVING SHAFT COUPLING (S/N, Serial Range: 501-391357)

1шт.

49

358029R1

TRANSMISSION DRIVING SHAFT COUPLING (S/N 391358 up)

1шт.

50

15042D

TRANSMISSION DRIVING SHAFT COUPLING RETAINING WASHER (S/N, Serial Range: 501-131455)

1шт.

181427

BOLT,Hex, 1/2" - 20 x 1", Gr 5

CAP SCREW, 1/2 x 1" N.f. hex head

1шт.

103323

LOCK WASHER,1/2"

WASHER, LOCK, 1/2"

1шт.

50

63833D

TRANSMISSION DRIVING SHAFT COUPLING RETAINING WASHER (S/N 131456 up)

1шт.

181427

BOLT,Hex, 1/2" - 20 x 1", Gr 5

CAP SCREW, 1/2 x 1" N.F. hex head

1шт.

103323

LOCK WASHER,1/2"

WASHER, LOCK, 1/2"

1шт.

51

43312DA

BUSHING,28.39mm ID x 31.69mm OD x 31.75mm L

REVERSE IDLER GEAR BUSHING

2шт.

52

50327DAX

REVERSE IDLER GEAR WITH TWO BUSHINGS, 43312DA (Not low, low speed attachment) (S/N, Serial Range: 501-19378)

1шт.

52

56421DAX

REVERSE IDLER GEAR WITH TWO BUSHINGS, 43312DA (Not low, low speed attachment) (S/N 19379 up)

1шт.

54

20345D

REVERSE IDLER SHAFT HOLE PLUG (S/N, Serial Range: 501-77981)

1шт.

54

45361D

PLUG

REVERSE IDLER SHAFT HOLE PLUG (S/N 77982 up)

1шт.

55

48422DAX

REVERSE IDLER SHAFT WITH PLUG, 45361D

1шт.

179849

BOLT,Hex, 3/8" - 16 x 2 1/2", Gr 5

1шт.

103321

LOCK WASHER,3/8"

WASHER, LOCK, 3/8"

1шт.

56

13001D

PLUG

REVERSE IDLER SHAFT CUP PLUG (S/N, Serial Range: 501-86676)

1шт.

56

13231D

PLUG

REVERSE IDLER SHAFT CUP PLUG (S/N 86677 up)

1шт.

57

17138R1

WOODRUFF KEY,#RX, 1/4" x 2 3/4", HT

TRANSMISSION COUNTERSHAFT KEY (Woodruff no. RX) (1/4 x 2-3/4") (Same as 37523D)

3шт.

58

43304DA

RING

TRANSMISSION COUNTERSHAFT REAR BEARING SNAP RING (S/N, Serial Range: 501-31726)

1шт.

58

56520D

RING

TRANSMISSION COUNTERSHAFT REAR BEARING SNAP RING (S/N 31727 up)

1шт.

59

ST202

BEARING, BALL,45mm ID x 85mm OD x 19mm W

TRANSMISSION COUNTERSHAFT BALL BEARING, rear

1шт.

60

59353DX

TRANSMISSION COUNTERSHAFT WITH BUSHING, 43328D (Not low, low speed attachment) (S/N 45614 up)

1шт.

61

50328D

FIRST AND SECOND SPEED DRIVING GEAR, 23 and 28 teeth (S/N, Serial Range: 501-19378)

1шт.

61

52939DA

FIRST AND SECOND SPEED DRIVING GEAR, 23 and 28 teeth (S/N 19379 up)

1шт.

62

56417DA

GEAR

THIRD AND FOURTH SPEED DRIVING GEAR, 31 and 35 teeth (Will work for 48417D) (Not low, low speed or 7 miles per hour fourth speed attachment)

1шт.

62

62395D

THIRD AND FOURTH SPEED DRIVING GEAR, 31 and 41 teeth (For 7 miles per hour, fourth speed forward attachment) (See note A) (Order 65272DAX)

1шт.

62

65272DA

THIRD AND FOURTH SPEED DRIVING GEAR, 31 and 41 teeth

1шт.

62

65272DAX

THIRD AND FOURTH SPEED DRIVING GEAR, 31 and 41 teeth with spacer

1шт.

65273D (For 7 miles per hour, fourth speed forward attachment) (Will work for 62395D)

1шт.

63

48418DA

CONSTANT MESH GEAR, 55 teeth (Optional with 357459R2)

1шт.

63

357459R2

CONSTANT MESH GEAR, 55 teeth (Optional with 48418DA)

1шт.

64

ST246

BALL BEARING,30mm ID x 62mm OD x 16mm W

TRANSMISSION COUNTERSHAFT FRONT BALL BEARING

1шт.

65

47873D

GASKET

TRANSMISSION COUNTERSHAFT FRONT BEARING RETAINER GASKET

1шт.

66

9303DX

TRANSMISSION COUNTERSHAFT FRONT BEARING RETAINER WITH OIL SEAL, 43308D, 356502R91 or 356503R91 (Will work for 6080DAX)

1шт.

179817

BOLT,Hex, 5/16" - 18 x 7/8", Gr 5, Full Thd

3шт.

103320

LOCK WASHER,5/16"

WASHER, LOCK, 5/16"

3шт.

67

43308D

SEAL

TRANSMISSION COUNTERSHAFT OIL SEAL (Optional with 356502R91 or 356503R91)

1шт.

67

356502R91

OIL SEAL

TRANSMISSION COUNTERSHAFT OIL SEAL (Optional with 43308D or 356503R91)

1шт.

67

356503R91

SEAL

TRANSMISSION COUNTERSHAFT OIL SEAL (Optional with 43308D or 356502R91)

1шт.

68

49636D

NUT

TRANSMISSION COUNTERSHAFT NUT

1шт.

69

58862D

LOCK WASHER

TRANSMISSION MAIN SHAFT PILOT BEARING LOCKWASHER (S/N 41142 up)

1шт.

70

67052D

SCREW

TRANSMISSION MAIN SHAFT PILOT BEARING LOCK SCREW (Will work for 58863D) (S/N, Serial Range: 41142-391357)

1шт.

70

355629R1

SCREW

TRANSMISSION MAIN SHAFT PILOT BEARING LOCK SCREW (S/N 391358 up)

1шт.

71

59473D

LOCK

GEAR SHIFT RAIL GUIDE BOLT LOCK

6шт.

73

43328D

BUSHING,22.67mm ID x 26.36mm OD x 33.27mm L

TRANSMISSION COUNTERSHAFT BUSHING (S/N 45614 up)

1шт.

73

43303D

TRANSMISSION COUNTERSHAFT BUSHING (S/N, Serial Range: 501-45613)

1шт.

48419DBX

TRANSMISSION COUNTERSHAFT WITH BUSHING, 43303D (Not low, low speed attachment) (S/N, Serial Range: 31727-45613)

1шт.

48419DBY

TRANSMISSION COUNTERSHAFT WITH BUSHING, 43303D and snap ring, 56520D (Will work for 48419DX) (Not low, low speed attachment) (S/N, Serial Range: 501-31726)

1шт.

57264D

TRANSMISSION MAIN SHAFT PILOT BEARING SNAP RING FOR INNER RACE (S/N, Serial Range: 40960-41141)

1шт.

62397DB

SEVEN MILES PER HOUR, 4th speed forward attachment for tractors equipped with pneumatic tires (Consists of 1 gear, 65272DAX and 1 gear 62396DA) (See note A)

1шт.

65273D

TRANSMISSION COUNTERSHAFT GEAR SPACER (For 7 miles per hour, fourth speed forward attachment)

1шт.

Выбрано товаров: 156