Запчасти Case IH FARMALL MDV (286) - HYDRAULIC SYSTEM, SELECTIVE LIFT CONTROL, 15300EX (07) - HYDRAULIC SYSTEM

Схема запчастей Case IH FARMALL MDV - (286) - HYDRAULIC SYSTEM, SELECTIVE LIFT CONTROL, 15300EX (07) - HYDRAULIC SYSTEM
4
25
27
3
5a
15
14
31
16
24
4
9
23
26
22
30
13
8
3
28
32
5
19
34
6
18
12
10
21
36
11
35
33
7
29
1
17
7
20
2
FIT
1:1
100%

Артикул

Название

Примечание

Количество

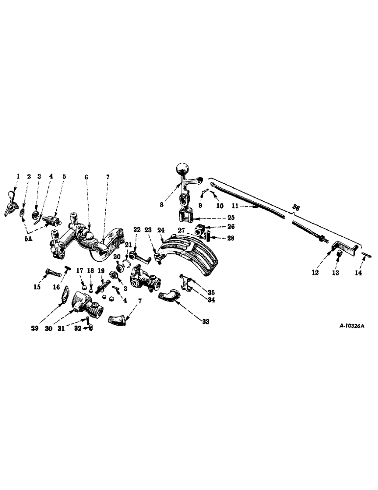
1

5077E

ADJUSTMENT VALVE LEVER

1шт.

2

15289E

ADJUSTMENT VALVE WASHER, 1-1/32 x 31/64" x 28 gauge (Order 351905R91) (S/N pumps below)

1шт.

2

15289EA

ADJUSTMENT VALVE WASHER, 1-1/32 x 31/64 x 28 gauge (S/N pumps up)

1шт.

3

13944L

SEAL

OIL SEAL

3шт.

4

38-31220

PIN,4.75mm OD x 31.75mm L, Coiled

GROOV PIN, 3/16 x 1-1/4"

3шт.

5

15287E

ADJUSTMENT VALVE (Order 351905R91) (S/N pumps below)

1шт.

5

15287EA

ADJUSTMENT VALVE (S/N pumps up)

1шт.

5a

351905R91

ADJUSTMENT VALVE, 15287EA with washer, 15289EA (Will work for 15287E or 15289E) (S/N pumps below)

1шт.

6

5074E

VALVE HOUSING MANIFOLD

1шт.

7

137894

ELBOW,45 Degree, 1/2" NPT Street

STREET ELBOW, 1/2" (45 degrees)

2шт.

8

5076E

SELECTOR LEVER

1шт.

9

15295E

CONTROL ROD PIN, 3/16 x 1" (Drilled)

1шт.

10

103373

COTTER PIN,3/32" x 3/4"

Pin, Split (Cotter), 3/32" x 3/4"

1шт.

11

15297E

CONTROL ROD

1шт.

12

15301EX

CONTROL ROD ADJUSTING END

1шт.

13

280136

NUT,3/8"-16, G8

2шт.

14

103384

COTTER PIN,1/8" x 3/4"

Pin, Split (Cotter), 1/8" x 3/4"

1шт.

15

179864

BOLT,Hex, 7/16" - 14 x 1 3/4", Gr 5

HEXAGON BOLT, 7/16 x 1-3/4"

4шт.

103322

LOCK WASHER,7/16"

WASHER, LOCK, 7/16"

1шт.

16

15291E

MANIFOLD BALL STOP

2шт.

17

D2617

BALL

STEEL BALL, 5/8" diameter

4шт.

18

9915T

BALL,7/16 Dia

STEEL BALL, 7/16" diameter

4шт.

19

15284E

VALVE SHAFT, right

1шт.

19

15285E

VALVE SHAFT, left

1шт.

20

15286E

VALVE SHAFT BEARING

2шт.

21

15288E

VALVE HOUSING SNAP RING

2шт.

22

5078E

VALVE LEVER

2шт.

23

179839

BOLT,Hex, 3/8" - 16 x 1", Gr 5

2шт.

103321

LOCK WASHER,3/8"

WASHER, LOCK, 3/8"

2шт.

24

5073E

SELECTOR LEVER QUADRANT

1шт.

25

107164

X

TRUSS HEAD RIVET, 3/16 x 1-3/8"

2шт.

26

15283E

SELECTOR LEVER PIVOT BLOCK

1шт.

27

NLS

NO LONGER SERVICED

Pin, Grooved, 3/16" x 7/8", Type A

1шт.

28

15293E

SELECTOR LEVER SPRING

1шт.

29

15292E

VALVE HOUSING GASKET

2шт.

30

5075E

VALVE HOUSING

2шт.

31

15294E

VALVE HOUSING BALL STOP

2шт.

32

103865

PIPE PLUG, 1/8"

2шт.

33

108686

ELBOW,90 Degree, 1/2" NPT Street

STREET ELBOW, 1/2" (90 degrees)

1шт.

34

15290E

VALVE LEVER STOP SPRING

2шт.

35

110499

CAPSCREW,Rd Hd, #10 - 24 x 3/8"

SLOTTED SCREW, 10/24 x 3/8" (Round head)

4шт.

106497

LOCK WASHER,#10

WASHER, LOCK, #10

4шт.

36

15296EX

CONTROL ROD, 15297E with end, 15301EX and nuts, 13002R1

1шт.

13415R1

MACHINE BOLT, 7/16 x 3"

1шт.

271500

SOCKET

HEX NUT, 7/16"

1шт.

103322

LOCK WASHER,7/16"

WASHER, LOCK, 7/16"

1шт.

15113E

SELECTIVE LIFT VALVE EXTENSION LEVER, (15115E) (replaced by selective lift control, 15300EX)

1шт.

15114E

SELECTIVE LIFT VALVE STEAM COCK, (15115E) (replaced by selective lift control, 15300EX)

1шт.

15115E

SELECTIVE LIFT VALVE, complete, (15115E) (replaced by selective lift control, 15300EX)

1шт.

PIPE NIPPLE, 1/2 x 2-1/4", selective lift valve (15115E) (replaced by selective lift control, 15300EX)

1шт.

Выбрано товаров: 50