Запчасти Case IH FARMALL MDV (192) - CHASSIS, CLUTCH CONNECTIONS (12) - CHASSIS

Схема запчастей Case IH FARMALL MDV - (192) - CHASSIS, CLUTCH CONNECTIONS (12) - CHASSIS
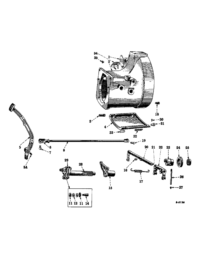
32
28
27
35
12
30
15
2
14
31
6
26
24
4
21
16
11
18
3
8
22
20
29
1
5a
34
17
7
11
19
33
23
25
5
FIT
1:1
100%

Артикул

Название

Примечание

Количество

1

359716R1

CRANKING MOTOR OPENING COVER ("MD" and "MDV") (Will work for 21069V)

1шт.

179837

BOLT,Hex, 3/8" - 16 x 3/4", Gr 5

3шт.

103321

LOCK WASHER,3/8"

WASHER, LOCK, 3/8"

3шт.

1

48554D

CRANKING MOTOR OPENING COVER ("M" and "MV") (For tractors not equipped with starting and lighting)

1шт.

179881

BOLT,1/2" - 13 x 1", Gr 5

2шт.

103323

LOCK WASHER,1/2"

WASHER, LOCK, 1/2"

2шт.

2

357892R11

CLUTCH HOUSING WITH TWO PLUGS, 64881D (Will work for 8026DCX providing housing, 358326R91 (Delco-Remy 1924468) is used) ("M" and "MV")

1шт.

(Will work for 9122DBX providing drive, 358133R91 (Delco-Remy 1864682) is used) ("MD" and "MDV")

1шт.

16094R1

STUD,Hex, 1/2"-13 x 7 1/2", G5

CAP SCREW, 1/2 x 7-1/2" N.C. hex head

2шт.

271613

SCREW,Hex, 3/4" - 10 x 2 1/2", Gr 5

CAP SCREW, 3/4 x 2-1/2" N.C. hex head

6шт.

103323

LOCK WASHER,1/2"

WASHER, LOCK, 1/2"

2шт.

103326

LOCK WASHER,3/4"

WASHER, LOCK, 3/4"

6шт.

3

45224D

CLUTCH HOUSING TO REAR FRAME DOWEL

2шт.

4

8027D

CLUTCH HOUSING COVER

1шт.

179839

BOLT,Hex, 3/8" - 16 x 1", Gr 5

hex nut Hex, 3/8"-16 x 1", G5

4шт.

103321

LOCK WASHER,3/8"

WASHER, LOCK, 3/8"

4шт.

5

357328R92

CLUTCH PEDAL, 357039R21 AND SPACER, 355887R1 (Will work for 6864DB and 357295R91)

1шт.

5

357039R21

CLUTCH PEDAL, w/fitting, 66584D)

1шт.

5a

66584D

FITTING

CLUTCH PEDAL LUBRICATION FITTING

1шт.

6

6692D

CLUTCH OPERATING ROD ADJUSTABLE YOKE

1шт.

7

4226S

PIN

CLUTCH OPERATING ROD ADJUSTABLE YOKE PIN

1шт.

432-1216

COTTER PIN,3/16" x 1"

Pin, Split (Cotter), 3/16" x 1"

1шт.

8

49015DX

CLUTCH OPERATING ROD AND YOKE(replaces 40015DX)

1шт.

REF#8-SHOULD READ 49015DX 8/9/96

1шт.

114507

JAM NUT,Jam, 5/8"-11, G5

1шт.

11

7579T

CUP WASHER

CLUTCH JOINT RUBBER WASHER RETAINER

8шт.

12

6161H

WASHER,14.68mm ID x 28.57mm OD x 6.75mm Thk

CLUTCH JOINT RUBBER WASHER

8шт.

14

48968DAX

SERVICE KIT

CLUTCH JOINT SCREW WITH NUT, 271205 AND LOCKWASHER, 103322

4шт.

271505

BODY

HEX NUT, 7/16" N.F.

4шт.

103322

LOCK WASHER,7/16"

WASHER, LOCK, 7/16"

4шт.

15

6758D

BRACKET

CLUTCH RELEASE SLEEVE CARRIER

1шт.

179862

BOLT,Hex, 7/16" - 14 x 1 1/2", Gr 5

CAP SCREW, 7/16 x 1-1/2" N.C. hex head

2шт.

103322

LOCK WASHER,7/16"

WASHER, LOCK, 7/16"

2шт.

16

18465D

WASHER

CLUTCH RELEASE FORK KEY

2шт.

17

49444DA

VALVE SPRING

CLUTCH RELEASE FORK RETURN SPRING

1шт.

18

45979D

STUD

ENGINE REAR SUPPORT DOWEL

2шт.

19

352131R1

PIN

CLUTCH OPERATING ROD YOKE PIN (Will work for 6640 and Q5137)

1шт.

432-1216

COTTER PIN,3/16" x 1"

Pin, Split (Cotter), 3/16" x 1"

1шт.

20

49645D

CLUTCH RELEASE SHAFT WITH LEVER

1шт.

21

80710

LUBE NIPPLE,1/8” – 27 Dryseal PTF

NIPPLE, LUBE, , Clutch release shaft lubricator (Alemite) (Optional with 109461) 1/8"-27 x .66 lg

2шт.

21

109461

LUBE NIPPLE,1/8"-27 x .66 lg

CLUTCH RELEASE SHAFT LUBRICATOR (Lincoln) (Optional with 138322H)

2шт.

22

5800DB

FORK

CLUTCH RELEASE FORK

1шт.

179843

BOLT,Hex, 3/8" - 16 x 1 1/2", Gr 5

2шт.

103321

LOCK WASHER,3/8"

WASHER, LOCK, 3/8"

2шт.

23

6932D

PIVOT

CLUTCH RELEASE SLEEVE

1шт.

24

48974D

THRUST BEARING

CLUTCH RELEASE BALL BEARING (Optional with 649106R91)

1шт.

24

649106R91

BEARING

CLUTCH RELEASE BALL BEARING (Optional with 48974D)

1шт.

25

ST208B

BALL BEARING,25mm ID x 52mm OD x 15mm W

CLUTCH PILOT BEARING (S/N FBK 501 to 291049)

1шт.

25

ST544

BEARING, BALL,25mm ID x 52mm OD x 15mm W

CLUTCH PILOT BEARING (S/N FBK 291050 up)

1шт.

26

49790D

TUBE

CLUTCH RELEASE BEARING GREASE PIPE

1шт.

27

109368

CLUTCH RELEASE BEARING LUBRICATOR (Alemite) (Optional with Q3618) (Same as 18220DA)

1шт.

27

Q3618

LUBE NIPPLE,5/16"-32 x .66 lg

CLUTCH RELEASE BEARING LUBRICATOR (Lincoln) (Optional with 109368)

1шт.

28

48966DA

CLUTCH SHAFT

1шт.

29

48967DA

RING

CLUTCH JOINT RING

1шт.

30

57558D

CLUTCH HOUSING GREASE HOLE COVER PIN

1шт.

Q102

WASHER

13/64" I.D. x 1/2" O.D. x 18 ga.

1шт.

103361

PIN, SPLIT (COTTER)

COTTER PIN, 1/16 x 1/2"

1шт.

31

57559D

CLUTCH HOUSING GREASE HOLE COVER

1шт.

32

57561D

VALVE SPRING

CLUTCH HOUSING GREASE HOLE COVER SPRING

1шт.

33

57562D

CLUTCH HOUSING COVER, corner felt

4шт.

34

57563DX

CLUTCH HOUSING PLUG WITH SPRING

5шт.

35

364683R1

CLUTCH HOUSING DUST SEAL PLUG (For sealing hydraulic lift mounting holes)

2шт.

355887R1

CLUTCH PEDAL SPACER (Used with 357039R21 and 357295R91)

1шт.

Выбрано товаров: 63