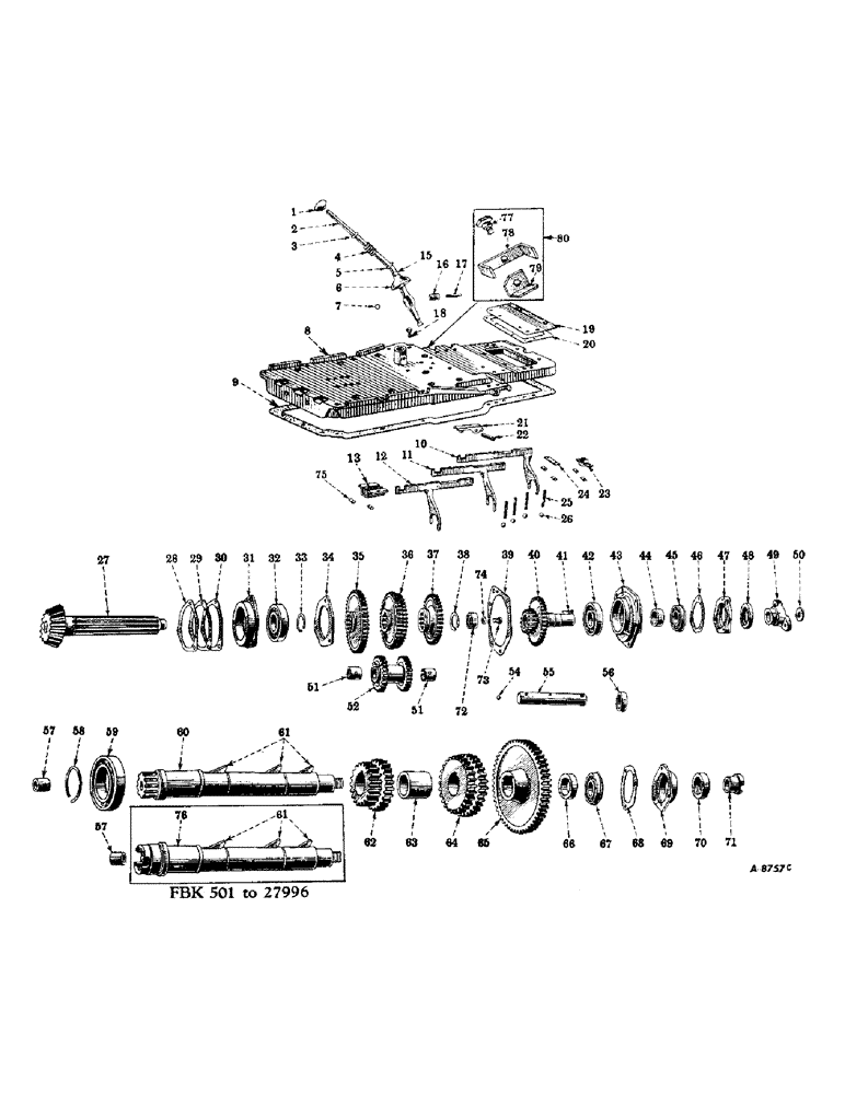
Запчасти Case IH FARMALL MDV (219) - CHASSIS, TRANSMISSION, BALL BEARING, FIVE SPEEDS FORWARD, ONE REVERSE (12) - CHASSIS

Схема запчастей Case IH FARMALL MDV - (219) - CHASSIS, TRANSMISSION, BALL BEARING, FIVE SPEEDS FORWARD, ONE REVERSE (12) - CHASSIS
63
5
1
57
44
69
48
72
31
2
23
49
50
28
55
68
39
54
3
78
59
76
80
70
67
29
7
64
9
38
51
79
60
4
41
30
18
61
37
15
24
36
11
73
6
42
16
62
35
8
65
56
32
51
25
13
43
71
27
47
58
22
61
17
40
75
19
77
10
21
57
26
46
33
34
74
12
52
66
45
20
FIT
1:1
100%

Артикул

Название

Примечание

Количество

1

53717DA

BUTTON

GEAR SHIFT LEVER BALL (Used with levers, 51448DA, 351908R91 and 355177R11) (Will work for 48427D) (S/N FBK, Serial Range: 501-60128)

1шт.

*

(S/N FBK 128007 up)

1шт.

1

9637D

BALL

GEAR SHIFT LEVER BALL (Used with lever, 67695DX) (S/N FBK, Serial Range: 60129-128006)

1шт.

2

351908R91

LEVER

GEAR SHIFT LEVER (Will work for 51448DA) (S/N FBK, Serial Range: 501-60128)

1шт.

2

352465R91

GEAR SHIFT LEVER, 351908R91 with ball, 53717DA (Will work for 67695DX) (S/N FBK 60129 tp 128006)

1шт.

2

358267R91

GEAR SHIFTER LEVER (Used with hydraulic seat suspension and battery box package)

1шт.

3

1657E

STOP

GEAR SHIFT LEVER SPRING STOP, upper (Will work for 11373D)

1шт.

*

432-1220

COTTER PIN,3/16" x 1 1/4"

Pin, Split (Cotter), 3/16" x 1 1/4"

1шт.

4

29547D

SPRING

GEAR SHIFT LEVER SPRING

1шт.

5

1657E

STOP

GEAR SHIFT LEVER SPRING STOP, lower (Will work for 17700D)

1шт.

6

355889R2

SHIELD

GEAR SHIFT SWIVEL HOUSING SHIELD (Aluminum) (Will work for 42496DXA)

1шт.

6

42496DXA

GEAR SHIFT SWIVEL HOUSING SHIELD WITH BUSHING, 20887DA (Order 355889R2)

1шт.

7

172529

PLUG

GEAR SHIFTER LEVER SWIVEL SHAFT HOLE PLUG (Same as 13115D)

2шт.

8

6863DX

REAR FRAME COVER, complete (S/N FBK, Serial Range: 501-9286)

1шт.

*

179869

BOLT,Hex, 7/16" - 14 x 2 3/4", Gr 5

10шт.

*

191309

BOLT,Hex, 7/16" - 14 x 2 1/8"

CAP SCREW, 7/16 x 2-1/8" N.C. hex head

2шт.

*

179863

BOLT,Hex, 7/16" - 14 x 1 5/8"

CAP SCREW, 7/16 x 1-5/8" N.C. hex head

3шт.

*

103386

COTTER PIN,1/8" x 1 1/4"

Pin, Split (Cotter), 1/8" x 1 1/4"

1шт.

106645

PIPE PLUG, 1-1/2" countersunk head

1шт.

8

8550DJX

REAR FRAME COVER WITH 2 PLUGS, 172529 and 1 plug, 106645 (S/N FBK 9287 up)

1шт.

*

352790R1

REAR BATTERY BOX HOLD-DOWN BOLT ("MD" and "MDV") (S/N FDBK 149584 up)

2шт.

*

179870

BOLT,Hex, 7/16" - 14 x 3", Gr 5

CAP SCREW, 7/16 x 3" N.C. hex head ("M" and "MV")

10шт.

11 used for tractor not equipped with starting and lighting.

1шт.

*

(S/N "MD" and "MDV"

8шт.

11 used for tractor not equipped with starting and lighting.

1шт.

*

179867

BOLT,Hex, 7/16" - 14 x 2 1/4", Gr 5

CAP SCREW, 7/16 x 2-1/4" N.C. hex head (S/N FBK 9287 to 173346)

2шт.

*

179864

BOLT,Hex, 7/16" - 14 x 1 3/4", Gr 5

CAP SCREW, 7/16 x 2" N.C. hex head

2шт.

*

179871

BOLT,Hex, 7/16" - 14 x 3 1/4", Gr 5

CAP SCREW, 7/16 x 3-1/4" (Used with rear light support, 353642R11)

1шт.

*

179874

BOLT,Hex, 7/16" - 14 x 4", Gr 5

(Used with rear light support, 9231DA) Hex, 7/16"-14 x 4", G5

1шт.

*

103026

NUT,3/8"-24, G5

2шт.

*

103321

LOCK WASHER,3/8"

WASHER, LOCK, 3/8"

2шт.

*

103322

LOCK WASHER,7/16"

WASHER, LOCK, ("M" and "MV") 7/16"

14шт.

15 used for tractor not equipped with starting and lighting.

1шт.

*

("MD" and "MDV")

12шт.

15 used for tractor not equipped with starting and lighting.

1шт.

*

103386

COTTER PIN,1/8" x 1 1/4"

Pin, Split (Cotter), 1/8" x 1 1/4"

1шт.

*

106645

PIPE PLUG, 1-1/2" countersunk head

1шт.

9

49056DB

GASKET

REAR FRAME COVER GASKET(replaces 49056DA)

1шт.

10

51656DA

FOURTH AND FIFTH SPEED SHIFTER RAIL AND FORK (Standard) (S/N FBK, Serial Range: 501-13806)

1шт.

10

357022R21

FORK

FOURTH AND FIFTH SPEED SHIFTER RAIL AND FORK (Standard) (Will work for 52095DAX) (S/N FBK 13807 up)

1шт.

11

51654DA

SECOND AND THIRD SPEED SHIFTER RAILANE FORK (Standard) (S/N FBK, Serial Range: 501-13806)

1шт.

11

357021R11

FORK

SECOND AND THIRD SPEED SHIFTER RAIL AND FOR (Standard) (Will work for 52094DXA) (S/N FBK 13807 up)

1шт.

12

51652DA

FIRST AND REVERSE SPEED SHIFTER RAIL AND FORK (Standard) (S/N FBK, Serial Range: 501-13806)

1шт.

12

52093DXB

FIRST AND REVERSE SPEED SHIFTER RAIL AND FORK (Standard) (S/N FBK 13807 up)

1шт.

13

355739R91

GUIDE

GEAR SHIFTER RAIL REAR GUIDE (Will work for 43909DXA, 352696R1, 352697R1 and 352698R91)

1шт.

*

179837

BOLT,Hex, 3/8" - 16 x 3/4", Gr 5

2шт.

15

20887DA

GEAR SHIFT SWIVEL HOUSING SHIELD BUSHING (Used with 42496DXA only

1шт.

16

40465DA

SHAFT

GEAR SHIFT LEVER SWIVEL SHAFT, larger

1шт.

17

357003R1

AXLE PIN,11.11mm OD x 57.15mm L

GEAR SHIFT LEVER SWIVEL SHAFT, small (Will work for 40466DA)

1шт.

18

49637D

FIFTH SPEED LOCKOUT SCREW (Used with steel wheels) ("M" and "MD")

1шт.

18

179837

BOLT,Hex, 3/8" - 16 x 3/4", Gr 5

(Use with pneumatic tires to plug) Hex, 3/8"-16 x 3/4", G5, Full Thd

1шт.

*

103321

LOCK WASHER,3/8"

WASHER, LOCK, (Used with pneumatic tires to plug 5th speed lockout screw hole) 3/8"

1шт.

19

49053DB

COVER

PULLEY DRIVE OPENING COVER (Will work for 365128R1)

1шт.

*

413-818

BOLT,Hex, 1/2" - 13 x 1-1/8", Gr 5

CAP SCREW, 1/2 x 1-1/8" N.C. hex head

2шт.

413-836

BOLT,Hex, 1/2" - 13 x 2-1/4", Gr 5

CAP SCREW, 1/2 x 2-1/4" N.C. hex head

4шт.

*

103323

LOCK WASHER,1/2"

WASHER, LOCK, 1/2"

6шт.

20

49054DA

PULLEY DRIVE OPENING COVER GASKET

1шт.

21

49208D

BRAKE PEDAL PAWL

1шт.

22

49209D

SHAFT

BRAKE PEDAL PAWL SHAFT

1шт.

23

48544D

GUIDE

GEAR SHIFTER RAIL FRONT GUIDE

1шт.

*

179837

BOLT,Hex, 3/8" - 16 x 3/4", Gr 5

2шт.

24

48391D

GEAR SHIFTER RAIL STOP PLATE (S/N FBK 501 TO 13806)

1шт.

24

52092DA

GEAR SHIFTER RAIL STOP PLATE (S/N FBK 13807 up)

1шт.

*

179837

BOLT,Hex, 3/8" - 16 x 3/4", Gr 5

2шт.

25

41058DA

SPRING

GEAR SHIFTER POPPET SPRING

4шт.

26

13722D

BALL

GEAR SHIFTER POPPET (Optional with D2616) (Will work for 29366H)

4шт.

26

D2616

BALL

GEAR SHIFTER POPPET (Optional with 13722D) (Will work for 29366H) (Same as 4596D)

4шт.

27

355720R92

TRANSMISSION MAIN SHAFT WITH LOCKWASHER, 58862D AND LOCKSCREW, 355722R1 (Will work for 51567D, 57270DC, 57270DCX and 57270DD)

1шт.

28

48725D

TRANSMISSION MAIN SHAFT BEARING CAGE SHIM, light

1шт.

29

48724D

TRANSMISSION MAIN SHAFT BEARING CAGE SHIM, medium

1шт.

30

48723D

TRANSMISSION MAIN SHAFT BEARING CAGE SHIM, heavy

1шт.

31

6720DA

TRANSMISSION MAIN SHAFT BEARING CAGE

1шт.

32

ST297

BEARING, BALL

TRANSMISSION MAIN SHAFT REAR BALL BEARING (Will work for ST221)

1шт.

33

48713D

RING

TRANSMISSION MAIN SHAFT BEARING SNAP RING

1шт.

34

48726D

TRANSMISSION MAIN SHAFT BEARING CAGE COVER

1шт.

*

179885

BOLT,Hex, 1/2" - 13 x 1 1/2", Gr 5

3шт.

*

103323

LOCK WASHER,1/2"

WASHER, LOCK, 1/2"

3шт.

35

51574D

FIRST AND REVERSE SPEED SLIDING GEAR, 44 teeth (S/N FBK, Serial Range: 501-13806)

1шт.

35

56533DA

FIRST AND REVERSE SPEED SLIDING GEAR, 44 teeth (S/N FBK 13807 up)

1шт.

36

51575DA

SECOND AND THIRD SPEED SLIDING GEAR, 37 and 40 teeth

1шт.

37

51576D

EXCITER

FOURTH AND FIFTH SPEED SLIDING GEAR, 20 and 34 teeth (S/N FBK, Serial Range: 501-13806)

1шт.

37

56535DA

GEAR

FOURTH AND FIFTH SPEED SLIDING GEAR, 20 and 34 teeth (S/N FBK 13807 up)

1шт.

37

62399DA

FOURTH AND FIFTH SPEED SLIDING GEAR, 29 and 20 teeth (For 7 miles per hour, 4th speed forward attachment) (S/N FBK 42624 up)

1шт.

38

69696D

SNAP RING

TRANSMISSION MAIN SHAFT BEARING SNAP RING (Will work for 43343D)

1шт.

39

48730D

GASKET

TRANSMISSION DRIVING SHAFT BEARING CAGE GASKET

1шт.

40

52089DD

TRANSMISSION DRIVING SHAFT, 20 and 39 teeth (Will work for 48731D and 66193D) (S/N FBK, Serial Range: 501-279322)

1шт.

*

(S/N FDBK, Serial Range: 501-283320)

1шт.

40

356676R1

TRANSMISSION DRIVING SHAFT, 20 and 39 teeth (S/N FBK 279323 up)

1шт.

*

(S/N FDBK 283321 up)

1шт.

41

40093D

WOODRUFF KEY,#127, 1/4" x 2 1/8", HT

TRANSMISSION DRIVING SHAFT KEY (Woodruff no. 127)

1шт.

42

ST203

BEARING, BALL,45mm ID x 100mm OD x 25mm W

TRANSMISSION DRIVING SHAFT REAR BALL BEARING

1шт.

43

6721D

TRANSMISSION DRIVING SHAFT BEARING CAGE (S/N FBK, Serial Range: 501-279322)

1шт.

*

(S/N FDBK, Serial Range: 501-283320)

1шт.

43

356677R1

TRANSMISSION DRIVING SHAFT BEARING CAGE (S/N FBK 279323 up)

1шт.

*

(S/N FDBK 283321 up)

1шт.

*

179841

BOLT,Hex, 3/8" - 16 x 1 1/4", Gr 5

3/8-16 x 1-1/4" N.C. hex

6шт.

*

103321

LOCK WASHER,3/8"

WASHER, LOCK, 3/8"

6шт.

44

357019R1

TRANSMISSION DRIVING SHAFT BEARING SPACER (Will work for 47918D)

1шт.

45

ST239

BALL BEARING,40 mm ID x 80 mm OD x 18 mm

TRANSMISSION DRIVING SHAFT FRONT BALL BEARING (S/N FBK 501 to 279322)

1шт.

*

(S/N FDBK, Serial Range: 501-283320)

1шт.

45

ST250

BALL BEARING,40 mm ID x 90 mm OD x 23 mm

TRANSMISSION DRIVING SHAFT FRONT BALL BEARING (S/N FBK 279323 up)

1шт.

*

(S/N FDBK 283321 up)

1шт.

46

47916D

GASKET

TRANSMISSION DRIVING SHAFT BEARING RETAINER GASKET (S/N FBK, Serial Range: 501-279322)

1шт.

*

(S/N FDBK, Serial Range: 501-283320)

1шт.

46

356679R1

GASKET

TRANSMISSION DRIVING SHAFT BEARING RETAINER GASKET (S/N FBK 279323 up)

1шт.

*

(S/N FDBK 283321 up)

1шт.

47

9302DX

TRANSMISSION DRIVING SHAFT BEARING RETAINER WITH OIL SEAL, 43359D (Will work for 6581DAX) (S/N FBK, Serial Range: 501-279322)

1шт.

*

(S/N FDBK, Serial Range: 501-283320)

1шт.

47

356678R11

HUB

TRANSMISSION DRIVING SHAFT BEARING RETAINER WITH OIL SEAL, 43359D (S/N FBK 279323 up)

1шт.

*

(S/N FDBK 283321 up)

1шт.

*

NLS

NO LONGER SERVICED

3шт.

*

103321

LOCK WASHER,3/8"

WASHER, LOCK, 3/8"

3шт.

48

43359D

OIL SEAL

TRANSMISSION DRIVING SHAFT OIL SEAL (Will work for 350329R91)

1шт.

49

45043D

HUB

TRANSMISSION DRIVING SHAFT COUPLING (S/N FBK, Serial Range: 501-279322)

1шт.

*

(S/N FDBK, Serial Range: 501-283320)

1шт.

49

356680R1

COUPLING

TRANSMISSION DRIVING SHAFT COUPLING (S/N FBK 2579323 up)

1шт.

*

(S/N FDBK 283321 up)

1шт.

50

357020R1

WASHER

TRANSMISSION DRIVING SHAFT COUPLING RETAINING WASHER (Will work for 21585D, 63833D)

1шт.

*

181427

BOLT,Hex, 1/2" - 20 x 1", Gr 5

CAP SCREW, 1/2 x 1" N.F. hex head

1шт.

*

103323

LOCK WASHER,1/2"

WASHER, LOCK, 1/2"

1шт.

51

48841D

BUSHING,31.03mm ID x 34.62mm OD x 31.75mm L

REVERSE IDLER GEAR BUSHING

2шт.

52

50330DX

REVERSE IDLER GEAR WITH 2 BUSHINGS, 48841D (S/N FBK, Serial Range: 501-13806)

1шт.

52

52083DAX

REVERSE IDLER GEAR WITH 2 BUSHINGS, 48841D

1шт.

Not used with low, low speed attachment.

1шт.

54

20345D

REVERSE IDLER SHAFT HOLE PLUG (S/N FBK, Serial Range: 501-40816)

1шт.

54

45361D

PLUG

REVERSE IDLER SHAFT HOLE PLUG (S/N FBK 40817 up)

1шт.

55

48720DAX

REVERSE IDLER SHAFT WITH PLUG, 45361D

1шт.

*

179849

BOLT,Hex, 3/8" - 16 x 2 1/2", Gr 5

1шт.

*

103321

LOCK WASHER,3/8"

WASHER, LOCK, 3/8"

1шт.

56

41047D

REVERSE IDLER SHAFT CUP PLUG

1шт.

57

43328D

BUSHING,22.67mm ID x 26.36mm OD x 33.27mm L

TRANSMISSION COUNTERSHAFT BUSHING

1шт.

58

48713D

RING

TRANSMISSION COUNTERSHAFT REAR BEARING SNAP RING (S/N FBK, Serial Range: 501-20284)

1шт.

58

56521D

RING

TRANSMISSION COUNTERSHAFT REAR BEARING SNAP RING (S/N FBK 20285 up)

1шт.

59

ST265

BALL BEARING,55mm ID x 100mm OD x 21mm Thk

TRANSMISSION COUNTERSHAFT REAR BALL BEARING

1шт.

60

59354DX

TRANSMISSION COUNTERSHAFT WITH BUSHING, 43328D (S/N FBK 27997 up)

1шт.

Not used with low, low speed attachment.

1шт.

61

88745

WOODRUFF KEY,#28, 5/16" x 2 1/8", HT

TRANSMISSION COUNTERSHAFT KEY (Woodruff no. 28) (Alloy steel) (Will work for 21581H)

3шт.

62

50331D

FIRST AND SECOND SPEED DRIVING GEAR, 19 and 23 teeth (S/N FBK, Serial Range: 501-13806)

1шт.

62

56528DA

FIRST AND SECOND SPEED DRIVING GEAR, 19 and 23 teeth (S/N FBK 13807 up)

1шт.

63

52082D

TRANSMISSION COUNTERSHAFT GEAR SPACER (Will work for 48718D)

1шт.

Not used with low, low speed attachment.

1шт.

64

50332D

THIRD AND FOURTH SPEED DRIVING GEAR, 26 and 29 teeth (S/N FBK, Serial Range: 501-13806)

1шт.

64

56530DA

GEAR

THIRD AND FOURTH SPEED DRIVING GEAR, 26 and 29 teeth (S/N FBK 13807 up)

1шт.

64

62398DA

THIRD AND FOURTH SPEED DRIVING GEAR, 26 and 34 teeth (For 7 miles per hour 4th speed forward attachment) (S/N FBK 42624 up)

1шт.

65

48717D

TRANSMISSION CONSTANT MESH GEAR, 54 teeth

1шт.

66

48719D

SPACER

TRANSMISSION COUNTERSHAFT BEARING SPACER

1шт.

67

ST247

BEARING, BALL,35 mm ID x 72 mm OD x 17 mm

TRANSMISSION COUNTERSHAFT FRONT BALL BEARING

1шт.

68

43334D

GASKET

TRANSMISSION COUNTERSHAFT FRONT BEARING RETAINER GASKET

1шт.

69

9300DX

TRANSMISSION COUNTERSHAFT FRONT BEARING RETAINER WITH OIL SEAL, 50839D (Will work for 8058DAX)

1шт.

*

179840

BOLT,Hex, 3/8" - 16 x 1 1/8", Gr 5

CAP SCREW, 3/8 x 1-1/8" N.C. hex head

3шт.

*

103321

LOCK WASHER,3/8"

WASHER, LOCK, 3/8"

3шт.

70

50839D

OIL SEAL

OIL SEAL

1шт.

71

50838D

NUT

TRANSMISSION COUNTERSHAFT NUT

1шт.

72

43357DA

BEARING ASSY,24.99mm ID x 52mm OD x 20.64mm W

TRANSMISSION MAIN SHAFT PILOT BEARING (S/N FBK 72452 up)

1шт.

72

69767D

TRANSMISSION MAIN SHAFT PILOT BEARING, 69215DA snap ring, 69696D (Will work for 43357D) (S/N FBK, Serial Range: 501-72451)

1шт.

73

67052D

SCREW

TRANSMISSION MAIN SHAFT PILOT BEARING LOCKSCREW (Will work for 58863D) (S/N FBK, Serial Range: 23336-272893)

1шт.

73

355629R1

SCREW

TRANSMISSION MAIN SHAFT PILOT BEARING LOCKSCREW (S/N FBK 272894 up)

1шт.

73

355722R1

BOLT,1/2" - 13 x 1"

TRANSMISSION MAIN SHAFT PILOT BEARING LOCKSCREW (For service on tractors serviced with 355720R92)

1шт.

74

58862D

LOCK WASHER

TRANSMISSION MAIN SHAFT PILOT BEARING LOCKWASHER (S/N FBK 23336 UP)

1шт.

75

59473D

LOCK

GEAR SHIFT RAIL GUIDE BOLT LOCK

6шт.

76

48714DBY

TRANSMISSION COUNTERSHAFT WITH SNAP RING, 56521D AND BUSHING, 43328D (S/N FBK, Serial Range: 501-27996)

1шт.

77

63772D

CLUTCH PEDAL HOLD-OUT LEVER PIVOT ("MD" and "MDV")

1шт.

78

63774D

CLUTCH PEDAL HOLD-OUT LEVER ("MD" and "MDV")

1шт.

79

63773D

CLUTCH PEDAL HOLD-OUT LEVER BRACKET ("MD" and "MDV")

1шт.

*

179839

BOLT,Hex, 3/8" - 16 x 1", Gr 5

2шт.

*

220066

HEX NUT, 3/8" N.C.

2шт.

*

103321

LOCK WASHER,3/8"

WASHER, LOCK, 3/8"

2шт.

80

63775D

CLUTCH PEDAL HOLD-OUT LEVER, complete ("MD" and "MDV")

1шт.

*

57264D

TRANSMISSION MAIN SHAFT PILOT BEARING SNAP RING FOR INNER RACE (FBK, Serial Range: 22182-23335)

1шт.

Выбрано товаров: 169