Запчасти Case IH FARMALL MDV (086) - ELECTRICAL SYSTEM, CARBURETED ENGINE, SPARK PLUGS, CABLES, DISTRIBUTOR OR MAGNETO DRIVE AND BRACKET (06) - ELECTRICAL SYSTEMS

Схема запчастей Case IH FARMALL MDV - (086) - ELECTRICAL SYSTEM, CARBURETED ENGINE, SPARK PLUGS, CABLES, DISTRIBUTOR OR MAGNETO DRIVE AND BRACKET (06) - ELECTRICAL SYSTEMS
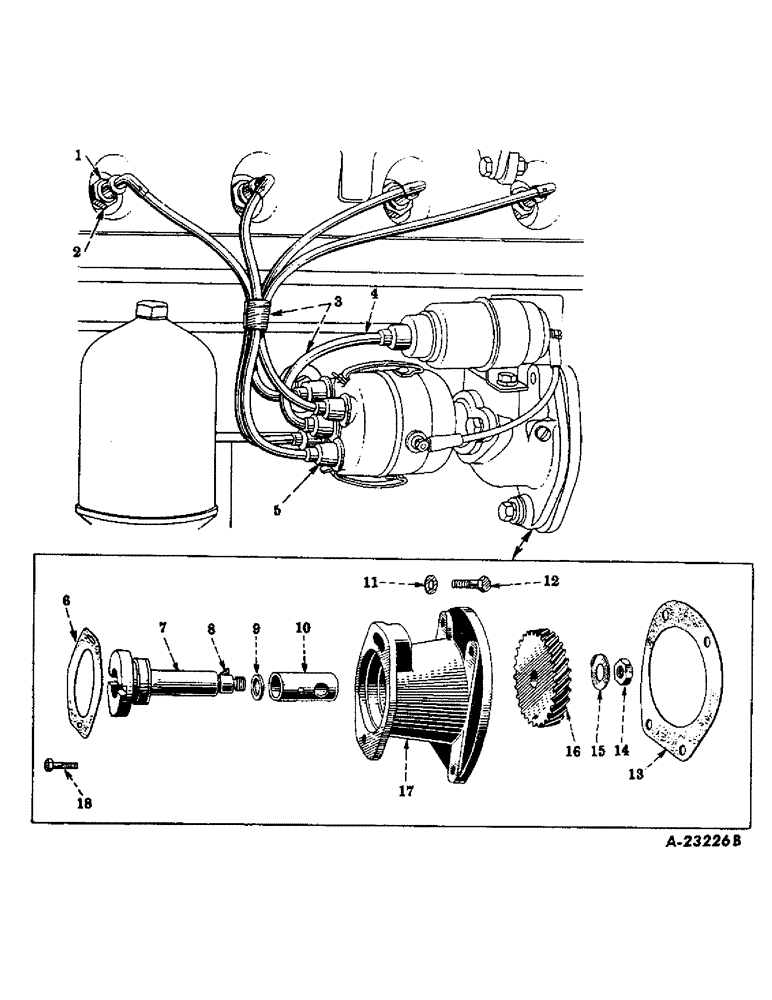
9
13
18
1
7
6
14
2
16
10
8
4
12
3
11
5
17
15
FIT
1:1
100%

Артикул

Название

Примечание

Количество

1

360942R91

SPARK PLUG

WITH GASKET, 37762H (Champion no. 8 COM 64K)

4шт.

1

353982R91

SPARK PLUG WITH GASKET, 37762H (AC 85-S COM)

4шт.

1

359276R91

SPARK PLUG

WITH GASKET, 37762H (Auto-Lite BT-8)

4шт.

1

360943R91

SPARK PLUG

WITH GASKET, 37762H (Champion no. 10 COM), Mild Service

4шт.

1

353985R91

SPARK PLUG WITH GASKET, 37762H (AC-88-S COM), Mild Service

4шт.

1

359277R91

SPARK PLUG WITH GASKET, 377692H (Auto-Lite BT-9), Mild Service

4шт.

1

365479R91

SPARK PLUG

WITH GASKET, 37762H (Champion D-21), Moderate Service

4шт.

1

365977R91

SPARK PLUG WITH GASKET, 37762H (AC-88), Moderate Service

4шт.

1

365979R91

PLUG

SPARK PLUG WITH GASKET, 37762H (Auto-Lite BT-9), Moderate Service

4шт.

1

371522R91

SPARK PLUG

WITH GASKET, 37762H (Champion D-16), Intermediate Service

4шт.

1

361688R91

SPARK ARRESTER

SPARK PLUG WITH GASKET, 37762H (Champion no. 5 COM. 64D), Severe Service

4шт.

1

353983R91

SPARK PLUG WITH GASKET, 37762H (AC 83-S COM.), Severe Service

4шт.

1

359275R91

SPARK PLUG WITH GASKET, 37762H (Auto-Lite BT-4), Severe Service

4шт.

1

361686R91

SPARK PLUG

WITH GASKET, 37762H (Champion no. 4 COM. 64), Extremely Severe Service

4шт.

1

353986R91

SPARK PLUG

WITH GASKET, 37762H (AC 81S COM), Extremely Severe Service

4шт.

1

359274R91

SPARK PLUG WITH GASKET, 37762H (Auto-Lite DT-3), Extremely Severe Service

4шт.

2

37762H

GASKET

SPARK PLUG GASKET, Extremely Severe Service

4шт.

3

356691R92

CABLE

IGNITION CABLE SERVICE PACKAGE (Consists of four spark plug cables with cable, 356686R92 and four nipples, 251553R1) (Will work for 46277DA and 65358D), Spark Plugs - Extremely Severe Service

1шт.

4

356686R92

CABLE

secondary, coil to distributor, w/two nipples, 251553R1, Spark Plugs - Extremely Severe Service

1шт.

5

251553R1

BOOT

DISTRIBUTOR CAP TERMINAL NIPPLE, Spark Plugs - Extremely Severe Service

6шт.

6

55780DD

GASKET

DISTRIBUTOR OR MAGNETO FLANGE GASKET, Spark Plugs - Extremely Severe Service

1шт.

7

45001D

DISTRIBUTOR OR MAGNETO DRIVE SHAFT (S/N 501 TO 148866), Spark Plugs - Extremely Severe Service

1шт.

114498

JAM NUT,Jam, 5/8"-18, G5

Spark Plugs - Extremely Severe Service Jam, 5/8"-18, G5

1шт.

7

352079R1

SHAFT

DISTRIBUTOR OR MAGNETO DRIVE SHAFT (S/N 148867 up), Spark Plugs - Extremely Severe Service

1шт.

114498

JAM NUT,Jam, 5/8"-18, G5

Spark Plugs - Extremely Severe Service Jam, 5/8"-18, G5

1шт.

8

124543

WOODRUFF KEY,#3, 1/8" x 1/2", HT

Distributor or magneto drive gear (Same as 4167T), Spark Plugs - Extremely Severe Service #3, 1/8" x 1/2", HT

1шт.

9

352080R91

SEAL

DISTRIBUTOR OR MAGNETO DRIVE SHAFT OIL SEAL (Optional with 358839R91), Spark Plugs - Extremely Severe Service

1шт.

9

358839R91

SEAL

DISTRIBUTOR OR MAGNETO DRIVE SHAFT OIL SEAL (Optional with 352080R91), Spark Plugs - Extremely Severe Service

1шт.

10

24473DA

BUSHING

DISTRIBUTOR OR MAGNETO SHAFT BUSHING, Spark Plugs - Extremely Severe Service

1шт.

11

24523D

WASHER

DISTRIBUTOR OR MAGNETO BOLT WASHER (Will work for 62493D) (2 used Magneto ignition), Spark Plugs - Extremely Severe Service

1шт.

12

179846

LEVER

Spark Plugs - Extremely Severe Service Hex, 3/8"-16 x 1 7/8", G5

1шт.

103321

LOCK WASHER,3/8"

WASHER, LOCK, , Spark plugs - Extremely severe service 3/8"

1шт.

13

46186D

GASKET

DISTRIBUTOR OR MAGNETO BRACKET GASKET (S/N 501 to 228081), Spark Plugs - Extremely Severe Service

1шт.

13

354952R2

GASKET

DISTRIBUTOR OR MAGNETO BRACKET GASKET (S/N 228082 up), Spark Plugs - Extremely Severe Service

1шт.

14

114498

JAM NUT,Jam, 5/8"-18, G5

Follows Ref. #7, Spark Plugs - Extremely Severe Service Jam, 5/8"-18, G5

1шт.

15

45003D

WASHER

DISTRIBUTOR OR MAGNETO GEAR NUT LOCK, Spark Plugs - Extremely Severe Service

1шт.

16

48819D

GEAR

DISTRIBUTOR OR MAGNETO DRIVE GEAR, 29 teeth, Spark Plugs - Extremely Severe Service

1шт.

17

352082R92

MAGNETO BRACKET AND DRIVE SHAFT, complete (Will work for 6733DX) (S/N 501 to 148866), Spark Plugs - Extremely Severe Service

1шт.

17

6733DBX

DISTRIBUTOR OR MAGNETO BRACKET WITH BUSHING, 24473DA and seal, 352080R91) (S/N 148867 to 228081), Spark Plugs - Extremely Severe Service

1шт.

17

354951R11

DISTRIBUTOR OR MAGNETO BRACKET WITH BUSHING, 24473DA and seal, 352080R91) (S/N 228082 up), Spark Plugs - Extremely Severe Service

1шт.

179842

SPACER

CAP SCREW, 3/8 x 1-3/8" N.C. hex head, Spark Plugs - Extremely Severe Service

4шт.

103321

LOCK WASHER,3/8"

WASHER, LOCK, , Spark plugs - Extremely severe service 3/8"

4шт.

18

179840

BOLT,Hex, 3/8" - 16 x 1 1/8", Gr 5

CAP SCREW, 3/8 x 1-1/8" N.C. hex head (Tractors equipped with battery ignition), Spark Plugs - Extremely Severe Service

1шт.

18

NLS

NO LONGER SERVICED

(Tractors equipped with magneto ignition), Spark Plugs - Extremely Severe Service Hex, 3/8"-16 x 1 1/2", G5

1шт.

103321

LOCK WASHER,3/8"

WASHER, LOCK, , Spark plugs - Extremely severe service 3/8"

1шт.

Выбрано товаров: 45