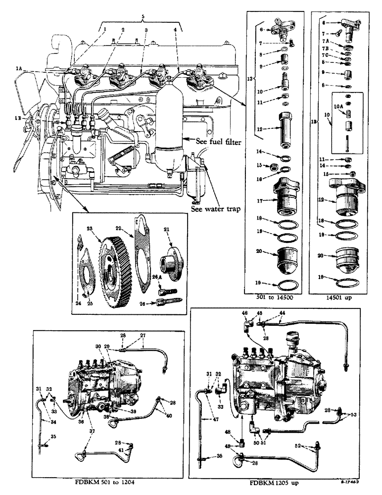
Запчасти Case IH FARMALL MV (072) - DIESEL ENGINE, FUEL INJECTION NOZZLES, PIPES, GEAR AND CONNECTIONS (01) - ENGINE

Схема запчастей Case IH FARMALL MV - (072) - DIESEL ENGINE, FUEL INJECTION NOZZLES, PIPES, GEAR AND CONNECTIONS (01) - ENGINE
16
35
1a
28
50
7
24
33
26
20
12
44
52
22
8
53
39
30
51
27
31
11
7a
25
19
7
20
14
12
8
15
19
10
45
23
13
9
9
48
14
1b
6
18
28
2
47
13
11
37
32
7c
17
41
40
7b
49
15
29
21
31
10a
8
10
6
38
1
26a
28
4
28
28
36
19
34
3
28
19
18
46
36
5
32
33
FIT
1:1
100%

Артикул

Название

Примечание

Количество

1

52017DX

INJECTION PIPE WITH 2 NUTS AND 2 WASHERS (No. 1 cylinder) (S/N FDBKM, Serial Range: 501-9572)

1шт.

1

257583R11

INJECTION PIPE WITH 2 NUTS, 250617R1 and 2 sleeves, 250610R2 (No. 1 cylinder) (S/N FDBKM, Serial Range: 9573-14500)

1шт.

1

261374R11

PIPE

INJECTION PIPE WITH 2 NUTS, 250617R1 and 2 sleeves, 250610R2 (No. 1 cylinder) (S/N FDBKM 14501 up)

1шт.

1a

250617R1

NUT

INJECTION PIPE NUT (S/N FDBKM 9573 up)

8шт.

1b

250610R2

GUARD

INJECTION PIPE SLEEVE (S/N FDBKM 9573 up)

8шт.

2

52072DX

INJECTION PIPE WITH 2 NUTS, and 2 washers (No. 2 cylinder) (S/N FDBKM, Serial Range: 501-9572)

1шт.

2

257584R11

INJECTION PIPE WITH 2 NUTS, 250617R1 and 2 sleeves, 250610R2 (No. 2 cylinder) (S/N FDBKM, Serial Range: 9573-14500)

1шт.

2

261375R11

PIPE

INJECTION PIPE WITH 2 NUTS, 250617R1 and 2 sleeves, 250610R2 (No. 2 cylinder) (S/N FDBKM 14501 up)

1шт.

3

52073DX

INJECTION PIPE WITH 2 NUTS AND 2 WASHERS (No. 3 cylinder) (S/N, Serial Range: 501-9572)

1шт.

3

257585R11

INJECTION PIPE WITH 2 NUTS, 250617R1 and 2 sleeves, 250610R2 (No. 3 cylinder) (S/N FDBKM, Serial Range: 9573-14500)

1шт.

3

261376R11

PIPE

INJECTION PIPE WITH 2 NUTS, 250617R1 and 2 sleeves, 250610R2 (No. 3 cylinder) (S/N FDBKM 14501 up)

1шт.

4

52074DX

INJECTION PIPE WITH 2 NUTS AND 2 WASHERS (No. 4 cylinder) (S/N FDBKM, Serial Range: 501-9572)

1шт.

4

257586R11

INJECTION PIPE WITH 2 NUTS, 250617R1 and 2 sleeves, 250610R2 (No. 4 cylinder) (S/N FDBKM, Serial Range: 9573-14500)

1шт.

4

261377R11

PIPE

INJECTION PIPE WITH 2 NUTS, 250617R1 and 2 sleeves, 250610R2 (No. 4 cylinder) (S/N FDBKM 14501 up)

1шт.

5

52070D

SET OF INJECTION PIPES (S/N FDBKM, Serial Range: 501-9572)

1шт.

5

257596R91

SET OF FUEL INJECTION PIPES (S/N FDBKM, Serial Range: 9573-14500)

1шт.

5

261378R91

PIPE

SET OF FUEL INJECTION PIPES (S/N FDBKM 14501 up)

1шт.

6

52612DA

NOZZLE FITTING (S/N FDBKM, Serial Range: 501-9572)

4шт.

6

257578R2

NOZZLE FITTING (S/N FDBKM, Serial Range: 9573-14500)

4шт.

181379

BOLT,Hex, 3/8" - 24 x 2", Gr 5

CAP SCREW, 3/8 x 2" N.F. hex head

8шт.

6

260876R3

FITTING

NOZZLE FITTING (S/N FDBKM 14501 up)

4шт.

7

32493D

NOZZLE BLEEDER VALVE

4шт.

7a

250608R1

SEAL

NOZZLE FITTING DUST SEAL (Used with nozzle, 260876R2) (S/N FDBKM 14501 up)

4шт.

7b

264037R92

STRAINER ASSY.

NOZZLE SCREEN (Used with nozzle, 260876R2) (S/N 14501 up)

4шт.

7b

271648R91

SCREEN

NOZZLE SCREEN (Used with nozzle, 260876R3) (14501 up)

4шт.

7c

264038R1

SNAP RING,0.50", Int, #50

Ring, Snap, , nozzle screen (used with nozzle, 260876R2) (s/n FDBKM 14501 up) 0.50", Int, #50

4шт.

8

37148D

NOZZLE VALVE GASKET

8шт.

9

37150D

NOZZLE VALVE SPACER

4шт.

10

37152DB

VALVE

NOZZLE VALVE AND SPRING, complete

4шт.

10a

37146DA

NOZZLE SPRING

4шт.

11

258025R1

PLUG

NOZZLE INJECTOR PLATE (Will work for 43192DB) (S/N FDBKM, Serial Range: 501-14500)

4шт.

11

251673R2

PLATE

NOZZLE INJECTOR PLATE (S/N FDBKM 14501 up)

4шт.

12

42766D

NOZZLE BODY (Order 42766DA and 258025R1) (S/N FDBKM, Serial Range: 501-9572)

4шт.

12

42766DA

NOZZLE BODY (S/N FDBKM, Serial Range: 9573-14500)

4шт.

12

260877R1

NOZZLE BODY (S/N FDBKM 14501 up)

4шт.

13

52613DE

INJECTION NOZZLE, complete (S/N FDBKM, Serial Range: 501-9572)

4шт.

13

258852R92

INJECTION NOZZLE, complete (S/N FDBKM, Serial Range: 9573-14500)

4шт.

13

260875R93

INJECTION NOZZLE, complete (S/N FDBKM 14501 up)

4шт.

14

42767DA

GASKET

NOZZLE BODY GASKET (S/N FDBKM, Serial Range: 501-14500)

4шт.

14

37148D

NOZZLE INJECTOR PLATE GASKET 9S/N 14501 up)

4шт.

15

21238D

NOZZLE BODY STUD NUT

8шт.

16

61208D

SEAL

NOZZLE BODY DUST SEAL (FDBKM, Serial Range: 1148-14500)

4шт.

17

46578DA

NOZZLE BODY RETAINER (FDBKM, Serial Range: 1148-14500)

4шт.

17

46578DAX

NOZZLE BODY RETAINER WITH DUST SEALS, 61208D and 61209D (Will work for 46578D) (FDBKM, Serial Range: 501-1147)

4шт.

18

61209DA

SEAL

NOZZLE BODY RETAINER DUST SEAL (S/N FDBKM, Serial Range: 1148-14500)

4шт.

18

61209D

BUSHING

NOZZLE BODY DUST SEAL (S/N FDBKM 14501 up)

4шт.

19

46576D

GASKET

PRECOMBUSTION CHAMBER GASKET (S/N FDBKM, Serial Range: 501-14500)

8шт.

19

260879R4

GASKET

PRECOMBUSTION CHAMBER GASKET (S/N FDBKM 14501 up)

8шт.

20

53567D

PRECOMBUSTION CHAMBER (S/N FDBKM, Serial Range: 501-14500)

4шт.

20

260878R1

CHAMBER

PRECOMBUSTION CHAMBER (S/N FDBKM 14501 up)

4шт.

21

8000DA

INJECTION PUMP GEAR HUB (S/N FDBKM 1226 up)

1шт.

21

8000DAX

INJECTION PUMP GEAR HUB WITH 3 CAP SCREWS, 181365 (Will work for 8000D) (S/N FDBKM, Serial Range: 501-1225)

1шт.

22

46583DA

GASKET

FUEL INJECTION PUMP GASKET

1шт.

23

8231DB

INJECTION PUMP GEAR

1шт.

24

46250D

INJECTION PUMP GEAR TIMING INDICATOR LOCK (FDBKM, Serial Range: 501-9572)

3шт.

25

46584DX

INJECTION PUMP GEAR TIMING INDICATOR WITH 3 LOCKS, 46250D (Order 259548R91) (S/N FDBKM, Serial Range: 501-9572)

1шт.

181364

BOLT,Hex, 3/8" - 24 x 1", Gr 5

CAP SCREW, 3/8 x 1" N.F. hex head

3шт.

25

46584D

INJECTION PUMP GEAR TIMING INDICATOR (FDBKM 9573 up)

1шт.

425474

SCREW,Hex Hd, 3/8"-24 x 1", w/LW

MACHINE SCREW, 3/8 x 1" hex head with lock washer

3шт.

26

46582D

FUEL INJECTION PUMP BOLT (S/N FDBKM, Serial Range: 501-1204)

1шт.

26a

179839

BOLT,Hex, 3/8" - 16 x 1", Gr 5

(S/N FDBKM 1205 up) Hex, 3/8"-16 x 1", G5

3шт.

131406

ACORN NUT, 3/8" N.C. (Regular)

2шт.

26a

NLS

NO LONGER SERVICED

(For engines with new type crankcase front plate) (S/N FDBKM 1205 to 1242) Hex, 3/8"-16 x 1", G5

2шт.

131406

ACORN NUT, 3/8" N.C. (Regular)

2шт.

26a

179839

BOLT,Hex, 3/8" - 16 x 1", Gr 5

(S/N FDBKM 1741 to 1775) Hex, 3/8"-16 x 1", G5

1шт.

(S/N FDBKM, Serial Range: 1243-16818)

3шт.

131406

ACORN NUT, 3/8" N.C. (Regular) (Not used with, Serial Range: 1741-1775)

1шт.

(S/N FDBKM, Serial Range: 1243-16818)

2шт.

26a

423354

BOLT (SPREADER)

MACHINE SCREW, 3/8 x 1" N.C. with lockwasher (S/N FDBKM 16819 up)

2шт.

27

61297DX

FUEL FILTER OUTLET PIPE WITH 2 NUTS, 37165D (S/N FDBKM, Serial Range: 501-1204)

1шт.

28

222-504

TUBE NUT,9/16"-20

FUEL PIPE NUT

6шт.

29

51517DX

ELBOW

FUEL FILTER OUTLET PIPE ELBOW WITH NUT, 37165D (Pump end) (S/N FDBKM, Serial Range: 501-1204)

1шт.

30

51517D

FUEL FILTER OUTLET PIPE ELBOW, pump end (S/N FDBKM, Serial Range: 501-1204)

1шт.

31

222-502

TUBE NUT,7/16"-24

INJECTION PUMP OVERFLOW PIPE NUT

1шт.

32

30402DX

ELBOW

INJECTION PUMP OVERFLOW PIPE ELBOW WITH NUT, 29898D (S/N FDBKM 643 up)

1шт.

32

54352D

INJECTION PUMP OVERFLOW PIPE ELBOW WITH TUBE AND NUT, 29898D (S/N FDBKM, Serial Range: 501-642)

1шт.

33

30402D

ELBOW,90 Degree x 1/8" NPT x 7/16"-24

INJECTION PUMP OVERFLOW PIPE ELBOW (S/N FDBKM 643 up)

1шт.

34

54480DBX

INJECTION PUMP OVERFLOW PIPE WITH NUT, 29898D (S/N FDBKM, Serial Range: 501-1204)

1шт.

35

52128D

INJECTION PUMP OVERFLOW PIPE CLIP

1шт.

36

37323D

ELBOW,90 Degree x 1/4" NPT x 9/16"-20

PRIMARY PUMP INLET PIPE ELBOW, pipe end (S/N FDBKM 501 to 1204)

1шт.

37

37323DX

ELBOW

PRIMARY PUMP INLET PIPE ELBOW WITH NUT, 37165D (Pump end) (S/N, Serial Range: 501-1204)

1шт.

38

37323DX

ELBOW

FUEL FILTER INLET PIPE ELBOW WITH NUT, 37165D (Pump end) (FDBKM, Serial Range: 501-1204)

1шт.

39

37323D

ELBOW,90 Degree x 1/4" NPT x 9/16"-20

FUEL FILTER INLET PIPE ELBOW, pump end (S/N FDBKM 501 to 1204)

1шт.

40

61296DX

FUEL FILTER INLET PIPE WITH 2 NUTS, 37165D (S/N FDBKM, Serial Range: 501-1204)

1шт.

41

61295DX

PRIMARY PUMP INLET PIPE WITH 2 NUTS, 37165D (S/N FDBKM, Serial Range: 501-1204)

1шт.

44

60847DX

FUEL FILTER OUTLET PIPE ELBOW WITH NUT, 37165D (S/N FDBKM 1205 up)

1шт.

45

50607DX

FITTING

FUEL FILTER OUTLET PIPE ELBOW WITH NUT, 37165D (S/N FDBKM 1205 up)

1шт.

46

50607D

ELBOW UNION

FUEL FILTER OUTLET PIPE ELBOW (S/N FDBKM 1205 up)

1шт.

47

60134DX

INJECTION PUMP OVERFLOW PIPE WITH NUT, 29898D (S/N FDBKM 1205 up)

1шт.

48

38026DM

HYD CONNECTOR,1/4" NPT x 9/16"-20

PRIMARY PUMP INLET PIPE CONNECTOR (S/N FDBKM 1221 up)

1шт.

48

51434D

ELBOW

PRIMARY PUMP INLET PIPE ELBOW (S/N FDBKM, Serial Range: 1205-1220)

1шт.

49

38026DMX

CONNECTOR, ELEC

PRIMARY PUMP INLET PIPE CONNECTOR WITH NUT, 37165D (S/N FDBKM 1221 up)

1шт.

49

51434DX

ELBOW

PRIMARY PUMP INLET PIPE ELBOW WITH NUT, 37165D (S/N FDBKM, Serial Range: 1205-1220)

1шт.

50

50607D

ELBOW UNION

FUEL FILTER INLET PIPE ELBOW (S/N FDBKM 1221 up)

1шт.

50

51434D

ELBOW

FUEL FILTER INLET PIPE ELBOW (S/N FDBKM, Serial Range: 1205-1220)

1шт.

51

50607DX

FITTING

FUEL FILTER INLET PIPE ELBOW WITH NUT, 37165D (S/N FDBKM 1205 up)

1шт.

51

51434DX

ELBOW

FUEL FILTER INLET PIPE ELBOW WITH NUT, 37165D (S/N FDBKM, Serial Range: 1205-1220)

1шт.

52

60846DAX

PRIMARY PUMP INLET PIPE WITH 2 NUTS, 37165D (S/N FDBKM 1205 up)

1шт.

52

60846DAY

PRIMARY PUMP INLET PIPE, 60846DAX with connector, 38026DM (Will work for 60846DX) (S/N FDBKM, Serial Range: 1205-1220)

1шт.

53

60848DBY

FUEL FILTER INLET PIPE, 60848DBX with elbow, 50607D (Will work for 60848DX) (S/N FDBKM, Serial Range: 1205-1220)

1шт.

53

60848DBX

FUEL FILTER INLET PIPE WITH 2 NUTS, 37165D (S/N FDBKM 1221 up)

1шт.

59900D

INJECTION PUMP OVERFLOW PIPE ELBOW (Field change) (S/N FDBKM, Serial Range: 501-642)

1шт.

59900DX

INJECTION PUMP OVERFLOW PIPE ELBOW WITH NUT, 29898D (Field change) (S/N FDBKM, Serial Range: 501-642)

1шт.

59901DX

INJECTION PUMP OVERFLOW PIPE WITH NUT, 29898D (Field change) (S/N FDBKM, Serial Range: 501-642)

1шт.

179841

BOLT,Hex, 3/8" - 16 x 1 1/4", Gr 5

3/8-16 x 1-1/4" N.C. hex (For engines equipped with new type crankcase front plate) (S/N FDBKM 501 to 1204)

2шт.

131406

ACORN NUT, 3/8" N.C. (Regular)

2шт.

95-11041

WASHER,3/8"

(13/32" ID x 13/16" OD x no. 16 ga) 3/8"

2шт.

259548R91

INJECTION PUMP GEAR TIMING INDICATOR SERVICE PACKAGE (Consists of indicator, 46584D and three screws, 425474) (Will work for 46584DX) (S/N FDBKM, Serial Range: 501-9572)

1шт.

93-41039

LOCK WASHER,Ext Tooth, 3/8"

LOCKWASHER (Same as 21491H) (Shakeproof) (For engines equipped with new type crankcase front plate)

2шт.

181365

BOLT,Hex, 3/8" - 24 x 1 1/8", Gr 5

CAP SCREW, 3/8 x 1-1/8" N.F. hex head

3шт.

Выбрано товаров: 110