Запчасти Case IH FU-267D (170) - HYDRAULIC PUMP (08) - HYDRAULICS

Схема запчастей Case IH FU-267D - (170) - HYDRAULIC PUMP (08) - HYDRAULICS
4
16
9
10
19
6
3
11
14
19
15
13
8
18
2
3
14
1
17
7
12
20
21
19
9
5
FIT
1:1
100%

Артикул

Название

Примечание

Количество

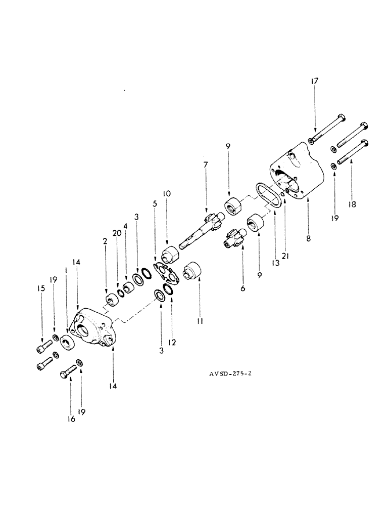
762990R93

SPARE PART

1шт.

1

763493R91

GASKET

1шт.

2

763494R1

1шт.

3

756701R1

2шт.

4

763495R1

1шт.

5

757108R1

1шт.

6

764002R1

PINION

1шт.

6

763496R1

1шт.

6

763998R1

1шт.

7

764001R1

1шт.

7

763500R1

1шт.

7

763997R1

1шт.

8

763499R1

1шт.

9

764003R1

2шт.

9

763498R1

BEARING

2шт.

9

763999R1

2шт.

10

763501R1

1шт.

11

763497R1

1шт.

12

756704R1

O-RING,0.139" Thk x 0.859" ID, -212, Cl 5, 75 Duro

2шт.

13

756705R1

GASKET

1шт.

14

763502R1

1шт.

15

763738R1

2шт.

16

179820

BOLT,Hex, 5/16" - 18 x 1 1/4", Gr 5

1шт.

17

426444

BOLT,Hex, 5/16" - 18 x 3 1/4", Gr 5

1шт.

18

413-548

BOLT,Hex, 5/16" - 18 x 3", Gr 5

2шт.

19

131402H

WASHER

6шт.

20

763739R1

RING

SPARE PART

1шт.

21

359158R1

O-RING,0.301" ID x 0.07" Width

1шт.

763658R91

SPARE PART

1шт.

Выбрано товаров: 29