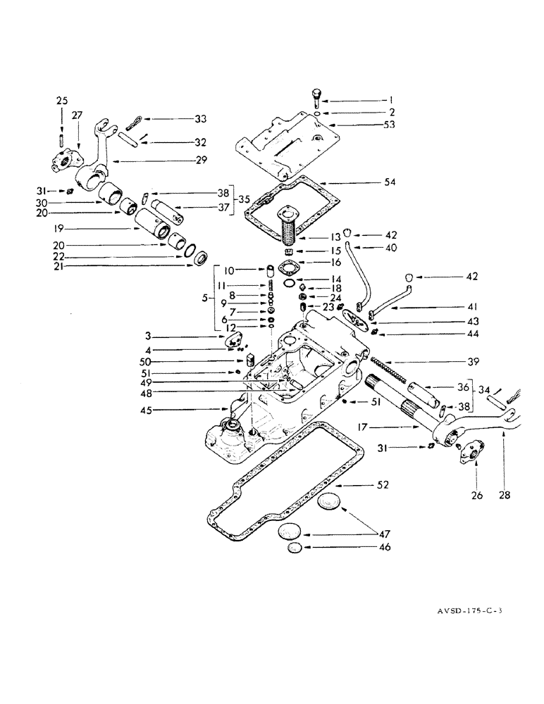
Запчасти Case IH FU-267D (174) - CASING-TANK, COVERING, LIFT SHAFT, ALTERNATE ARM, CONVEYOR, SECURITY VALVE, LOCK-OUT LEVER, OIL FILT (08) - HYDRAULICS

Схема запчастей Case IH FU-267D - (174) - CASING-TANK, COVERING, LIFT SHAFT, ALTERNATE ARM, CONVEYOR, SECURITY VALVE, LOCK-OUT LEVER, OIL FILT (08) - HYDRAULICS
17
36
27
9
15
12
52
42
28
22
29
34
14
37
42
51
46
24
18
44
8
30
43
13
32
40
31
35
6
50
26
2
20
33
3
19
49
41
20
5
45
53
23
51
38
47
16
39
25
21
54
31
10
1
7
48
11
38
4
FIT
1:1
100%

Артикул

Название

Примечание

Количество

1

761951R91

PLUG

1шт.

2

763564R1

SEAL

1шт.

3405H

GASKET

1шт.

3

757890R1

COVER ASSY

1шт.

179820

BOLT,Hex, 5/16" - 18 x 1 1/4", Gr 5

3шт.

103320

LOCK WASHER,5/16"

3шт.

4

757891R1

GASKET

3шт.

5

763027R91

1шт.

5

764491R91

1шт.

6

758128R1

1шт.

7

761724R1

1шт.

764494R1

1шт.

8

761708R1

1шт.

764493R1

1шт.

9

761717R1

1шт.

764492R1

1шт.

10

763018R1

1шт.

11

758133R2

1шт.

12

355966R1

O-RING,0.424" ID x 0.103" Width

1шт.

13

757892R91

1шт.

179791

BOLT,Hex, 1/4" - 20 x 1/2", Gr 5

4шт.

103319

LOCK WASHER,1/4"

4шт.

350649R1

1шт.

14

350658R1

O-RING

1шт.

15

757896R91

1шт.

16

350651R1

GASKET

1шт.

17

761697R1

1шт.

18

755015R91

SPARE PART

2шт.

755016R91

2шт.

19

761691R91

2шт.

20

761690R1

4шт.

21

757938R92

GASKET

2шт.

22

251959R1

RING

2шт.

23

761689R1

2шт.

24

114507

JAM NUT,Jam, 5/8"-11, G5

2шт.

25

932249R1

2шт.

26

761838R1

1шт.

27

761839R1

1шт.

179885

BOLT,Hex, 1/2" - 13 x 1 1/2", Gr 5

2шт.

103323

LOCK WASHER,1/2"

2шт.

104938

PLUG

4шт.

28

757944R21

1шт.

29

757945R21

1шт.

30

757946R1

1шт.

31

755015R91

SPARE PART

2шт.

755016R91

2шт.

32

762843R1

AXLE PIN

2шт.

432-1220

COTTER PIN,3/16" x 1 1/4"

2шт.

33

517843R1

COTTER PIN

2шт.

34

757948R11

1шт.

35

757949R11

1шт.

36

757948R1

1шт.

37

757949R1

1шт.

38

757950R1

2шт.

NLS

NO LONGER SERVICED

2шт.

39

757954R1

1шт.

40

760361R1

1шт.

41

760362R1

1шт.

138202

SCREW,1/4" - 20 x 1"

4шт.

103319

LOCK WASHER,1/4"

4шт.

42

757928R1

BUTTON

2шт.

43

757955R1

1шт.

179791

BOLT,Hex, 1/4" - 20 x 1/2", Gr 5

4шт.

103319

LOCK WASHER,1/4"

4шт.

757858R1

1шт.

44

755015R91

SPARE PART

2шт.

45

762000R11

1шт.

759673R11

1шт.

413-624

BOLT,Hex, 3/8" - 16 x 1-1/2", Gr 5

13шт.

103321

LOCK WASHER,3/8"

13шт.

46

63556R1

PLUG

1шт.

47

363728R1

PLUG

2шт.

48

757887R1

2шт.

49

352221R1

O-RING,0.103" Thk x 0.549" ID, -113, Cl 5, 75 Duro

2шт.

50

144000

PLUG

1шт.

103876

1шт.

51

9617020

PLUG,1/4" - 18 x 0.48"

2шт.

103878

PLUG

2шт.

52

759739R1

GASKET

1шт.

53

759674R3

1шт.

179817

BOLT,Hex, 5/16" - 18 x 7/8", Gr 5, Full Thd

9шт.

103320

LOCK WASHER,5/16"

11шт.

179819

BOLT,Hex, 5/16" - 18 x 1 1/8", Gr 5

2шт.

54

762002R1

GASKET

1шт.

Выбрано товаров: 84