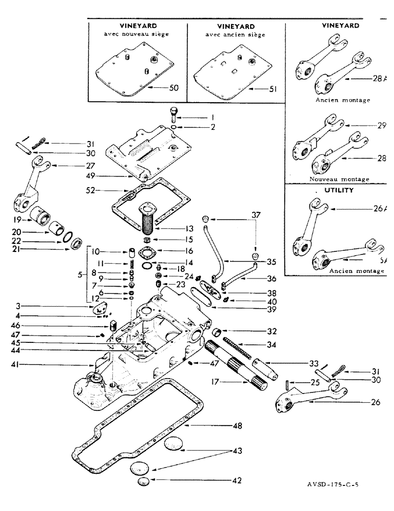
Запчасти Case IH FU-267D (178) - CASING-TANK - COVERING - LIFT SHAFT, LIFT ARM - SECURITY VALVE, LOCK OUT LEVERS, OIL FILTER (08) - HYDRAULICS

Схема запчастей Case IH FU-267D - (178) - CASING-TANK - COVERING - LIFT SHAFT, LIFT ARM - SECURITY VALVE, LOCK OUT LEVERS, OIL FILTER (08) - HYDRAULICS
26
38
36
40
31
47
11
34
35
10
17
51
13
46
1
28
6
16
32
30
33
30
37
8
2
44
18
22
27
7
25
5
45
15
43
12
52
29
31
42
14
4
41
47
28a
9
49
20
21
19
23
26a
48
39
50
3
24
FIT
1:1
100%

Артикул

Название

Примечание

Количество

1

761951R91

PLUG

1шт.

2

763564R1

SEAL

1шт.

3405H

GASKET

1шт.

3

757890R1

COVER ASSY

1шт.

179820

BOLT,Hex, 5/16" - 18 x 1 1/4", Gr 5

3шт.

103320

LOCK WASHER,5/16"

3шт.

4

757891R1

GASKET

3шт.

5

763027R91

1шт.

6

758128R1

1шт.

7

761724R1

1шт.

8

761708R1

1шт.

9

761717R1

1шт.

10

763018R1

1шт.

11

758133R2

1шт.

12

355966R1

O-RING,0.424" ID x 0.103" Width

1шт.

13

757892R91

1шт.

350649R1

1шт.

179791

BOLT,Hex, 1/4" - 20 x 1/2", Gr 5

4шт.

103319

LOCK WASHER,1/4"

4шт.

14

350658R1

O-RING

1шт.

15

757896R91

1шт.

16

350651R1

GASKET

1шт.

17

761698R1

1шт.

18

755015R91

SPARE PART

2шт.

755016R91

2шт.

18

755012R91

SPARE PART

2шт.

755013R91

FITTING

2шт.

19

761693R91

2шт.

20

761692R1

BUSHING

2шт.

21

757938R92

GASKET

2шт.

22

251959R1

RING

2шт.

23

761689R1

2шт.

24

114507

JAM NUT,Jam, 5/8"-11, G5

2шт.

25

932249R1

2шт.

26

763389R1

1шт.

26a

758055R2

2шт.

27

763390R1

1шт.

28

763964R11

1шт.

28a

758278R2

1шт.

29

763965R91

1шт.

30

762843R1

AXLE PIN

2шт.

432-1220

COTTER PIN,3/16" x 1 1/4"

2шт.

31

517843R1

COTTER PIN

2шт.

32

757852R1

2шт.

33

763391R1

2шт.

34

757954R1

2шт.

35

760361R1

1шт.

758072R2

1шт.

36

760362R1

1шт.

36

758071R2

1шт.

138202

SCREW,1/4" - 20 x 1"

4шт.

103319

LOCK WASHER,1/4"

4шт.

37

757928R1

BUTTON

2шт.

38

757955R1

1шт.

757858R1

1шт.

39

757858R1

1шт.

179791

BOLT,Hex, 1/4" - 20 x 1/2", Gr 5

4шт.

103329

WASHER,1/2"

SPARE PART

4шт.

40

755015R91

SPARE PART

2шт.

41

762000R11

1шт.

759673R11

1шт.

413-624

BOLT,Hex, 3/8" - 16 x 1-1/2", Gr 5

13шт.

103321

LOCK WASHER,3/8"

13шт.

42

63556R1

PLUG

1шт.

43

363728R1

PLUG

2шт.

44

757887R1

2шт.

45

352221R1

O-RING,0.103" Thk x 0.549" ID, -113, Cl 5, 75 Duro

2шт.

46

144000

PLUG

1шт.

103876

1шт.

47

9617020

PLUG,1/4" - 18 x 0.48"

2шт.

103878

PLUG

2шт.

48

759739R1

GASKET

1шт.

49

759674R3

1шт.

179817

BOLT,Hex, 5/16" - 18 x 7/8", Gr 5, Full Thd

9шт.

179819

BOLT,Hex, 5/16" - 18 x 1 1/8", Gr 5

2шт.

103320

LOCK WASHER,5/16"

11шт.

50

763979R11

1шт.

51

762450R11

1шт.

179816

BOLT,Hex, 5/16" - 18 x 3/4", Gr 5

10шт.

103320

LOCK WASHER,5/16"

10шт.

52

762002R1

GASKET

1шт.

763982R92

1шт.

763988R92

1шт.

Выбрано товаров: 0