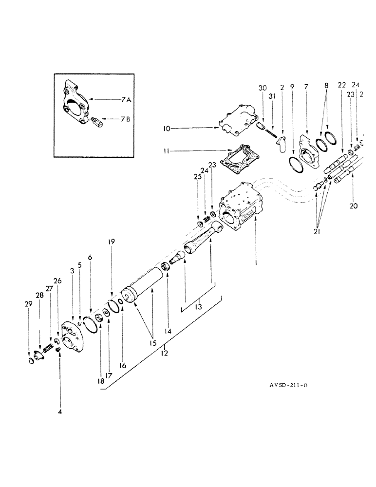
Запчасти Case IH FU-267D (184) - HYDRAULIC BLOCK, COVER, CYLINDER HEAD, PISTON PLUNGERS, VALVES, ROD & RELATED PARTS (08) - HYDRAULICS

Схема запчастей Case IH FU-267D - (184) - HYDRAULIC BLOCK, COVER, CYLINDER HEAD, PISTON PLUNGERS, VALVES, ROD & RELATED PARTS (08) - HYDRAULICS
19
13
28
26
31
20
9
3
10
7a
11
6
30
23
5
2
24
12
17
18
8
4
2
24
16
7
21
23
25
7b
29
27
15
22
14
FIT
1:1
100%

Артикул

Название

Примечание

Количество

763137R92

1шт.

764499R91

1шт.

179910

BOLT,Hex, 9/16" - 12 x 2", Gr 5

3шт.

103324

LOCK WASHER,9/16"

3шт.

1

763136R92

1шт.

Quand ce bloc est destiné à un relevage ancien montage non équipé du clapet de sécurité tare à 150 kg/cm(2) 764491R91 et du clapet tare à 60 kg/cm(2) 764490R91 sur couvercle côté bielle, il faut commander en plus le colis 764081R91.

1шт.

2

758088R1

1шт.

930291R1

BOLT

2шт.

933257R1

WASHER

2шт.

3

761704R1

1шт.

179909

SCREW

4шт.

103324

LOCK WASHER,9/16"

4шт.

4

761705R92

1шт.

763758R1

1шт.

5

355967R1

O-RING,0.364" ID x 0.003" Width

1шт.

6

761710R1

GASKET

1шт.

7

758083R1

1шт.

7a

764489R1

1шт.

7b

764490R91

1шт.

179907

SPARE PART

4шт.

103324

LOCK WASHER,9/16"

4шт.

8

762322R1

O-RING

2шт.

9

49801D

1шт.

10

758086R1

1шт.

930290R1

CAPSCREW

6шт.

933257R1

WASHER

6шт.

11

758087R1

GASKET

1шт.

12

761712R91

1шт.

13

761713R11

1шт.

14

761720R1

1шт.

15

761714R91

1шт.

16

254691R1

O-RING,-211, 70 Duro, .796" ID x .139" Thk

1шт.

17

761718R1

1шт.

18

762229R1

1шт.

19

762321R1

GASKET

1шт.

20

758099R1

1шт.

21

761721R21

1шт.

22

761723R11

1шт.

23

758106R1

2шт.

24

763332R1

2шт.

25

758108R1

2шт.

26

758112R2

1шт.

27

758118R1

1шт.

28

758115R1

1шт.

930289R1

CAPSCREW

2шт.

933257R1

WASHER

2шт.

29

762005R1

1шт.

30

758113R1

1шт.

31

758114R3

1шт.

762070R91

1шт.

763720R91

1шт.

763721R91

1шт.

764081R91

1шт.

Выбрано товаров: 53