Запчасти Case IH SUPER A-1 (134) - ELECTRICAL SYSTEM, ELECTRIC LIGHTING, BOSCH "NO-BATTERY" GENERATOR (06) - ELECTRICAL SYSTEMS

Схема запчастей Case IH SUPER A-1 - (134) - ELECTRICAL SYSTEM, ELECTRIC LIGHTING, BOSCH "NO-BATTERY" GENERATOR (06) - ELECTRICAL SYSTEMS
3
10
4
11
13
14
11
18
6
5
16
15
5
16
9
15
2
1
20
5
17
12
7
8
19
FIT
1:1
100%

Артикул

Название

Примечание

Количество

1

45640DB

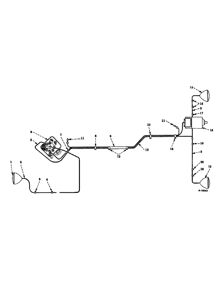
LAMP

LIGHT, rear (conventional) (for components see list of parts under details of "headlight or rear light unit").

1шт.

102637

NUT,1/2"-13, G5

1шт.

103323

LOCK WASHER,1/2"

WASHER, LOCK, 1/2"

1шт.

2

358117R91

CABLE, lighting switch to rear light (will work for 39365DX)

1шт.

3

60938D

CLIP, (on rear light bracket lower bolt)

1шт.

4

350740R1

CLIP

(on starting crank mounting bracket bolt, front)

1шт.

5

CABLE, lighting switch to headlight (black) (order 350732R91)

1шт.

6

SWITCH, lighting, assembly (Delco-Remy 1994036) (for components see list of parts under detail of "lighting switch")

1шт.

7

CABLE, generator to lighting switch (neutral with black and red cross tracers) (order 350732R91)

1шт.

8

60938D

CLIP (on battery box rear hold-down bolt)

1шт.

9

351911R1

SHIELD, cable

1шт.

10

350742R1

CLIP (on air cleaner support bracket lower bolt)

1шт.

11

CABLE (natural with black tracer) (insulate the terminal and fasten securely with friction tape) (order 350732R91)

1шт.

12

350741R1

CLIP (on hydraulic lift cylinder block bolts)

2шт.

179879

BOLT,Hex, 1/2" - 13 x 3/4", Gr 5

(For tractors not equipped with touch-control) Hex, 1/2"-13 x 3/4", G5, Full Thd

2шт.

103323

LOCK WASHER,1/2"

WASHER, LOCK, (For tractors not equipped with touch-control) 1/2"

2шт.

12

351673R1

CLIP

(on clutch housing) (for tractors not equipped with hydraulic-lift)

2шт.

13

350732R91

HARNESS

cable

1шт.

14

351913R1

CLIP (on generator bracket rear bolt)

1шт.

15

45640DB

LAMP

HEADLIGHT (conventional) (for components see list of parts under details of "headlight or rear light")

2шт.

102637

NUT,1/2"-13, G5

2шт.

103323

LOCK WASHER,1/2"

WASHER, LOCK, 1/2"

2шт.

16

52116D

CLIP, (clamp cable to rear side of light post)

3шт.

110633

NUT,#10-24

3шт.

110501

SCREW

slotted-rd-hd., no. 10-24NC x 5/8"

3шт.

17

61813D

CLIP

(on generator)

1шт.

18

GENERATOR, assembly (see generator (Bosch "no-battery" type) and connections)

1шт.

19

61813D

CLIP

(on generator brace bolt, right hand side)

1шт.

20

61813D

CLIP

(on crankcase front cover bolt, first below governor housing)

1шт.

Выбрано товаров: 29