Запчасти Case IH SUPER-H (098) - CHASSIS, CLUTCH CONNECTIONS (12) - CHASSIS

Схема запчастей Case IH SUPER-H - (098) - CHASSIS, CLUTCH CONNECTIONS (12) - CHASSIS
38
3
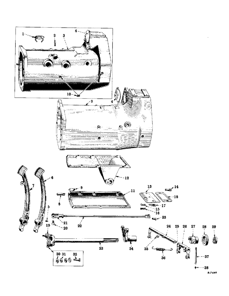
4
4
19
12
33
23
10
6
34
13
8
26
2
24
11
17
15
7
5
1
29
36
37
18
3
22
21
20
31
9
16
25
27
32
14
35
28
30
FIT
1:1
100%

Артикул

Название

Примечание

Количество

1

57563DX

PLUG, clutch housing, w/Spring and Rivet, 110638 (For Tractors, Serial Range: 501-19233)

5шт.

110638

RIVET

stl., rd-hd., 3/16 x 5/16"

5шт.

2

48556D

PIN, clutch release fork return spring

1шт.

3

8024DEX

HOUSING, clutch w/four Plug, 64881D (For Tractors, Serial Range: 501-19233)

1шт.

3

360364R11

HOUSING, clutch w/four Plug, 64881D (For Tractors 19234 up)

1шт.

179889

BOLT,Hex, 1/2" - 13 x 2", Gr 5

SCREW, cap, hex-hd., 1/2-13NC x 2"

1шт.

413-8112

BOLT,Hex, 1/2" - 13 x 7", Gr 5

SCREW, cap, hex-hd., 1/2-13NC x 7"

1шт.

179931

BOLT,Hex, 5/18" - 11 x 2"

SCREW, cap, hex-hd., 5/8-11NC x 2"

6шт.

103323

LOCK WASHER,1/2"

WASHER, LOCK, 1/2"

2шт.

103325

LOCK WASHER,5/8"

WASHER, LOCK, 5/8"

6шт.

4

48554D

COVER, cranking motor opening (For tractors not equipped with starting and lighting) (For Tractors, Serial Range: 501-19233)

1шт.

179881

BOLT,1/2" - 13 x 1", Gr 5

2шт.

103323

LOCK WASHER,1/2"

WASHER, LOCK, 1/2"

2шт.

4

359716R1

COVER, starting pad (For Tractors not Equipped with Starting and Lighting) (For Tractors 19234 up)

1шт.

179837

BOLT,Hex, 3/8" - 16 x 3/4", Gr 5

1шт.

103321

LOCK WASHER,3/8"

WASHER, LOCK, 3/8"

1шт.

5

66584D

FITTING

lubrication, drive type, 3/16" (Clutch pedal)

1шт.

6

358042R11

PEDAL, clutch, w/Fitting, 66584D

1шт.

7

358412R91

PEDAL, clutch, w/Fitting, 66584D (For tractors equipped with forward or reverse attachment)

1шт.

8

28172D

DOWEL, clutch housing to main frame

2шт.

9

57562D

FELT, clutch housing cover corner

4шт.

10

64881D

PLUG, clutch housing dust seal

4шт.

11

8025D

COVER, clutch housing

1шт.

NLS

NO LONGER SERVICED

6шт.

103321

LOCK WASHER,3/8"

WASHER, LOCK, 3/8"

6шт.

12

359516R1

COVER, clutch housing (For implement attachments) (For Tractors 19234 up)

1шт.

179839

BOLT,Hex, 3/8" - 16 x 1", Gr 5

6шт.

103321

LOCK WASHER,3/8"

WASHER, LOCK, 3/8"

6шт.

13

60180DA

COVER, clutch housing hand hole

1шт.

179835

BOLT,Hex, 3/8" - 16 x 5/8", Gr 5, Full Thd

2шт.

103321

LOCK WASHER,3/8"

WASHER, LOCK, 3/8"

2шт.

14

45979D

STUD

DOWEL, engine rear support

2шт.

15

57560D

PIN, clutch housing grease hole cover

1шт.

NLS

NO LONGER SERVICED

PIN, cotter, 1/16 x 1/2"

1шт.

Q102

WASHER

plain, 13/64" I.D. x 1/2" O.D. x No. 18 ga.

1шт.

16

57561D

VALVE SPRING

SPRING, clutch housing grease hole cover

1шт.

17

57559D

COVER, clutch housing grease hole

1шт.

18

60181D

GASKET, clutch housing hand hole cover

1шт.

19

43769DA

RETAINER

RING, clutch joint

1шт.

20

4226S

PIN

clutch operating rod adjustable yoke

1шт.

432-1216

COTTER PIN,3/16" x 1"

Pin, Split (Cotter), 3/16" x 1"

1шт.

21

350151R1

YOKE, adjustable, clutch operating rod (Optional with 6692D)

1шт.

21

6692D

YOKE, adjustable, clutch operating rod (Optional with 350151R1)

1шт.

22

48552DX

ROD, clutch operating, w/Yoke

1шт.

218442

NUT, jam, hex., 5/8-11NC

1шт.

23

352131R1

PIN

clutch operating rod yoke

1шт.

432-1216

COTTER PIN,3/16" x 1"

Pin, Split (Cotter), 3/16" x 1"

1шт.

24

48582DX

SHAFT, clutch release, w/Lever

1шт.

25

219-36

LUBE NIPPLE,45 Degree Elbow, 1/8" - 27 NPTF

FITTING, lubrication, straight, 1/8" (Alemite 1610) (Optional with 109461)

2шт.

25

109461

LUBE NIPPLE,1/8"-27 x .66 lg

NIPPLE, LUBE, (Lincoln 5000) (Optional with 119512) 1/8"-27 x .66 lg

2шт.

26

6141DA

FORK, clutch release

1шт.

413-622

BOLT,Hex, 3/8" - 16 x 1-3/8", Gr 5

cap, hex-hd., 3/8-16NC x 1-3/8"

2шт.

103321

LOCK WASHER,3/8"

WASHER, LOCK, 3/8"

2шт.

27

6691DA

TRANSMISSION SLEEVE

SLEEVE, clutch release

1шт.

28

18567D

THRUST BEARING,52.39mm ID x 83.95mm OD x 20.45mm W

BEARING, ball, clutch release (Nice 5015-1) (Optional with 55212D)

1шт.

28

55212D

BEARING

ball, clutch release (Aetna A 801) (Optional with 18567D)

1шт.

29

ST544

BEARING, BALL,25mm ID x 52mm OD x 15mm W

clutch pilot (IH-PPC-225)

1шт.

30

7579T

CUP WASHER

clutch joint rubber washer

8шт.

31

6161H

WASHER,14.68mm ID x 28.57mm OD x 6.75mm Thk

rubber, clutch joint

8шт.

32

15393DAX

SCREW

clutch joint, w/Nut, 103027 and Washer, 103322

4шт.

103027

NUT, hex., 7/16-20NF

4шт.

103322

LOCK WASHER,7/16"

WASHER, LOCK, 7/16"

4шт.

33

48551DA

SHAFT, clutch

1шт.

34

6690D

CARRIER

clutch release sleeve (Optional with 9304D)

1шт.

34

9304D

CARRIER, clutch release sleeve (Optional with 6690D)

1шт.

179861

BOLT,Hex, 7/16" - 14 x 1 3/8", Gr 5

SCREW, cap, hex-hd., 7/16-14NC x 1-3/8"

2шт.

103322

LOCK WASHER,7/16"

WASHER, LOCK, 7/16"

2шт.

35

41116D

KEY

clutch release fork

2шт.

36

49444DA

VALVE SPRING

SPRING, return, clutch release fork

1шт.

37

48581D

PIPE, grease, clutch release bearing

1шт.

38

109368

FITTING, lubrication, straight, 5/8" (Alemite 1631) (Clutch release bearing) (Optional with Q3618)

1шт.

38

Q3618

LUBE NIPPLE,5/16"-32 x .66 lg

FITTING, lubrication, straight, 5/8" (Lincoln 5060) (Clutch release bearing) (Optional with 109368)

1шт.

Выбрано товаров: 72