Запчасти Case IH SUPER-HV (214) - ATTACHMENTS, POWER TAKE-OFF, SPECIAL Attachments

Схема запчастей Case IH SUPER-HV - (214) - ATTACHMENTS, POWER TAKE-OFF, SPECIAL Attachments
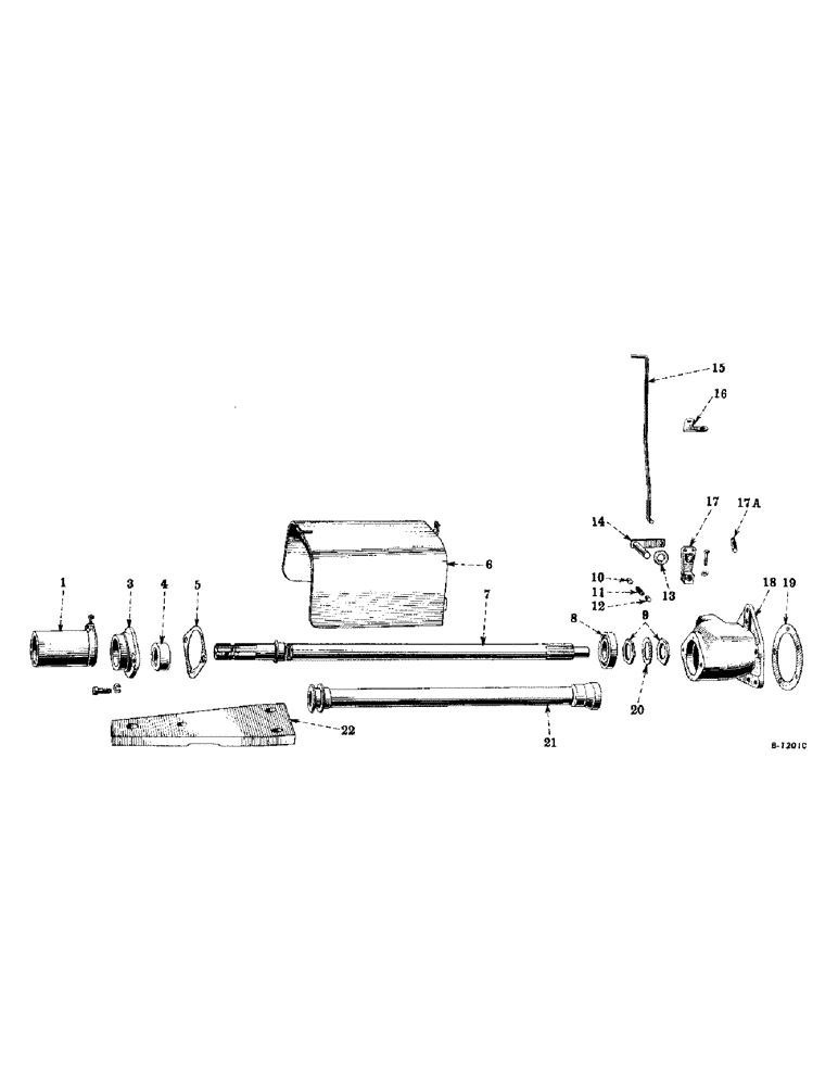
22
12
11
10
16
7
3
18
13
17a
17
1
4
6
5
8
21
19
9
15
14
20
FIT
1:1
100%

Артикул

Название

Примечание

Количество

66369DA

ATTACHMENT, power take-off, w/drawbar extension (Super-H)

1шт.

68670DA

ATTACHMENT, power take-off (Super-HV)

1шт.

1

51484DX

GUARD, power take-off shaft, w/clamp

1шт.

3

9572DX

RETAINER

power take-off oil seal, w/oil seal, 45702D

1шт.

179859

BOLT,Hex, 7/16" - 14 x 1 1/8", Gr 5

SCREW, cap, hex-hd., 7/16-14NC x 1-1/8"

2шт.

103322

LOCK WASHER,7/16"

WASHER, LOCK, 7/16"

2шт.

4

45702D

OIL SEAL

OIL SEAL, power take-off shaft

1шт.

5

66374D

GASKET

power take-off oil seal retainer

1шт.

6

66387DAXA

SHIELD, safety, power take-off

1шт.

179837

BOLT,Hex, 3/8" - 16 x 3/4", Gr 5

3шт.

103321

LOCK WASHER,3/8"

WASHER, LOCK, 3/8"

3шт.

7

66368D

SHAFT, power take-off

1шт.

8

ST215

BEARING, BALL,40 mm ID x 80 mm OD x 18 mm

power take off shaft (IH-C-240)

1шт.

9

66375D

NUT, lock, power take-off shaft bearing

2шт.

10

103884

PLUG,Slotted, 1/4" NPT

pipe, slotted-hd., 1/4" (Power take-off poppet)

1шт.

11

48103D

VALVE SPRING

SPRING, power take-off shifter poppet

1шт.

12

48102D

PIN

POPPET, power take-off shifter

1шт.

13

70268D

SEAL

OIL SEAL, power take-off shifter lever shaft (Optional with 358796R91 or 358831R91)

1шт.

13

358796R91

OIL SEAL

power take-off shifter lever shaft (Optional with 70268D or 358831R91)

1шт.

13

358831R91

OIL SEAL

power take-off shifter lever shaft (Optional with 70268D or 358796R91)

1шт.

14

67060DX

SHAFT

LEVER AND SHAFT, power take-off shifter

1шт.

181316

SUPPORT

1шт.

103319

LOCK WASHER,1/4"

WASHER, LOCK, 1/4"

1шт.

10620P

WASHER

plain, 21/32" I.D. x 1-1/2" O.D. x no. 16 ga.

1шт.

15

66383DA

ROD, power take-off shifter (For Tractors, Serial Range: 501-19233)

1шт.

15

359591R1

ROD, power take-off shifter (For Tractors 19234)

1шт.

107762

WASHER,3/32" x 5/8"

PIN, SPLIT, (COTTER), 3/32" x 5/8"

1шт.

95-11034

WASHER,1/4"

plain, 11/32" I.D. x 11/16" O.D. x no. 16 ga.

1шт.

16

66384DB

GUIDE, power take-off shifter rod (For Tractors, Serial Range: 501-19233)

1шт.

16

358384R1

GUIDE, power take-off shifter rod ((For Tractors 19234)

1шт.

179871

BOLT,Hex, 7/16" - 14 x 3 1/4", Gr 5

SCREW, cap, hex-hd., 7/16-14NC x 3-1/4"

1шт.

103322

LOCK WASHER,7/16"

WASHER, LOCK, 7/16"

1шт.

496-21047

WASHER

plain, 15/32" I.D. x 59/64" O.D. x no. 16 ga. (For Tractors, Serial Range: 501-19233)

1шт.

17

66377DC

ARM

power take-off shifter lever

1шт.

17a

142520

STOP, power take-off shifter lever (1/4 x 1" groove pin)

1шт.

18

9571DAX

HOUSING, power take-off, w/oil seal, 70268D and stop, 142520

1шт.

179841

BOLT,Hex, 3/8" - 16 x 1 1/4", Gr 5

cap, hex-hd., 3/8-16NC x 1-1/4"

5шт.

103321

LOCK WASHER,3/8"

WASHER, LOCK, 3/8"

5шт.

19

43324D

GASKET

GASKET, power take-off housing

1шт.

20

66376D

WASHER, power take-off shaft bearing lock nut

1шт.

21

66372DX

TUBE, power take-off shifter 26.197" Length

1шт.

22

66426D

EXTENSION, drawbar (Used on Super H only)

1шт.

114821

NUT, hex., 3/4-10NC

2шт.

179954

SCREW, cap, hex-hd., 3/4-10NC x 2-1/2"

2шт.

103326

LOCK WASHER,3/4"

WASHER, LOCK, 3/4"

2шт.

Выбрано товаров: 45