Запчасти Case IH M570 (004) - ENGINE COOLING SYSTEM, (159) SPARK IGNITION ENGINE (02) - ENGINE

Схема запчастей Case IH M570 - (004) - ENGINE COOLING SYSTEM, (159) SPARK IGNITION ENGINE (02) - ENGINE
8
19
21
38
24
4
16
1
34
33
5
7
13
35
22
32
20
26
31
18
25
14
17
36
5
18
15
2
30
37
3
28
11
10
27
39
6
16
12
29
31
23
9
FIT
1:1
100%

Артикул

Название

Примечание

Количество

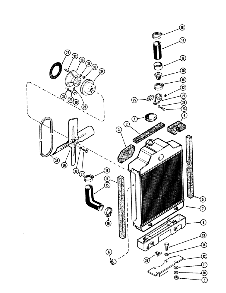
1

G45179

CAP

- radiator

1шт.

2

G46280

BAFFLE

- radiator top center

1шт.

3

G46278

BAFFLE

- radiator top R.H.

1шт.

4

G46279

BAFFLE

- radiator top L.H.

1шт.

5

G46281

BAFFLE - radiator side

2шт.

6

A51216

SPACER - radiator to side panel

2шт.

7

A39345

RADIATOR

ASSY. - engine coolant

1шт.

8

G45484

RESERVOIR

TANK - lower (C-O-M oil cooler)

1шт.

9

25-106

NUT,3/8"-16, G5

- tank stud, 3/8" N.C. hex

2шт.

10

92-6

LOCK WASHER,3/8"

2шт.

11

195-25

WASHER,3/8"

- plain 3/8"

2шт.

12

A35796

SUPPORT

- radiator & deflector

1шт.

13

13-816

BOLT,Hex, 1/2" - 13 x 1", Gr 5, Full Thd

2шт.

14

92-8

LOCK WASHER,1/2"

2шт.

15

G46361

RADIATOR HOSE,1.75" ID x 5.13", SAE 20R4

Lower, Radiator to Pump 1.75" ID x 5.13", SAE 20R4

1шт.

16

214-258

HOSE CLAMP,#28, 1.31" - 2.25", Type F Worm

2шт.

17

G46239

RADIATOR HOSE,2.00" ID x 4.88", SAE 20R2

Upper, Outlet to Radiator 2.00" ID x 4.88", SAE 20R2

1шт.

18

214-260

HOSE CLAMP,#36, 1.81" - 2.75", Type F Worm

- hose and thermostat #36, 1.81/2.75 Type F Worm

3шт.

19

G49625

SUPPORT

- thermostat

1шт.

20

G11065

CASE

THERMOSTAT - water temperature (117 degrees to 182 degrees F)

1шт.

21

G11965

ELBOW

ASSY. - water outlet

1шт.

22

221-1013

DRAIN PLUG,Sq Hd, 3/8"-18 NPTF

PLUG - pipe, 3/8" sq. hd.

1шт.

23

13-618

BOLT,Hex, 3/8" - 16 x 1-1/8", Gr 5

2шт.

24

92-6

LOCK WASHER,3/8"

2шт.

25

A30003

GASKET

- elbow

1шт.

26

G11956

WATER PUMP

PUMP ASSY. - water, engine

1шт.

27

A38083

GASKET

-, Serial Range: pump-cover

1шт.

28

A30067

RING

- retainer

1шт.

29

13-612

BOLT,Hex, 3/8" - 16 x 3/4", Gr 5, Full Thd

1шт.

30

13-644

BOLT,Hex, 3/8" - 16 x 2-3/4", Gr 5

- 3/8 x 2-3/4" N.C. hex. hd.

1шт.

31

193-30

LOCK WASHER,Int Tooth, 3/8"

WASHER, LOCK, Int Tooth, 3/8"

3шт.

32

A29433

STUD

- pump mounting (3/8 x 1")

1шт.

33

25-106

NUT,3/8"-16, G5

- 3/8" N.C. hex.

1шт.

34

G11339

PULLEY

- fan & pump drive

1шт.

35

A38824

BELT

Fan and Pump Drive

1шт.

36

G45243

FAN

- radiator

1шт.

37

13-512

BOLT,Hex, 5/16" - 18 x 3/4", Gr 5

4шт.

38

92-5

LOCK WASHER,5/16"

4шт.

39

217-103

COCK, DRAIN

VALVE - drain, radiator (1/4" P.T.)

1шт.

Выбрано товаров: 39