Запчасти Case IH M570 (032) - ELECTRICAL EQUIPMENT AND HARDWARE, (159) SPARK IGNITION ENGINE (04) - ELECTRICAL SYSTEMS

Схема запчастей Case IH M570 - (032) - ELECTRICAL EQUIPMENT AND HARDWARE, (159) SPARK IGNITION ENGINE (04) - ELECTRICAL SYSTEMS
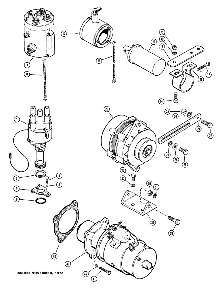
20
41
15
17
36
40
13
11
27
29
30
26
10
37
31
25
7
8
22
16
12
21
1
4
3
43
14
6
23
42
5
18
35
2
24
FIT
1:1
100%

Артикул

Название

Примечание

Количество

1

A39017

SPARE PART ASSY - (Repairs Page 36)

1шт.

2

A30080

THRUST WASHER

Thrust, Serial Range: dist.-block

1шт.

3

A29989

ARM

ASSY - advance, distributor

1шт.

4

113-1

BOLT,Hex, 1/4" - 20 x 1/2", Gr 5

1шт.

5

193-73

LOCK WASHER,Ext-Int Tooth, 1/4"

Shakeproof

1шт.

6

A29456

O-RING,0.139" Thk x 1.046" ID, -215, Cl 5, 75 Duro

Distributor to block

1шт.

7

A37024

SHIELD

SPARE PART Noise suppression, distributor

1шт.

8

A39014

SPARE PART Ground, dist. shielf (6")

1шт.

10

G44817

COIL

Ignition (12 volt)

1шт.

11

G46106

BRACKET

ASSY - coil mounting

1шт.

12

187-540

SCREW - mach., #10 x 1-1/2" rd. hd.

1шт.

13

G11705

BRACKET

STRAP - mounting, Serial Range: coil-engine

1шт.

14

113-102

BOLT,Hex, 5/16" - 18 x 3/4", Gr 5

2шт.

15

9635082

NUT,5/16" - 18, Gr 5

2шт.

16

193-71

LOCK WASHER,Ext-Int Tooth, 5/16"

2шт.

17

A39016

SPARE PART Noise suppression, coil (Includes capacitor)

1шт.

18

A39015

SPARE PART

STRAP - ground, coil shield (8")

1шт.

20

REF

INSTRUCTION

ALTERNATOR ASSY. - (Order from Page 38)

1шт.

21

A59167

STRAP

Adjusting, alternator

1шт.

22

113-208

BOLT,Hex, 3/8" - 16 x 1-1/4", Gr 5

1шт.

23

129-103

NUT,Hex, 3/8" - 16, Gr 5

1шт.

24

193-72

LOCK WASHER

Lock, 3/8" int. - ext. Shakeproof

1шт.

25

113-102

BOLT,Hex, 5/16" - 18 x 3/4", Gr 5

1шт.

26

195-103

WASHER,5/16"

WASHER - plain, 3/8 x 7/8 x 3/32"

1шт.

27

193-71

LOCK WASHER,Ext-Int Tooth, 5/16"

1шт.

28

113-209

BOLT,Hex, 3/8" - 16 x 1-1/2", Gr 5

2шт.

30

129-103

NUT,Hex, 3/8" - 16, Gr 5

2шт.

31

192-21

LOCK WASHER,3/8"

1шт.

35

A51215

SPARE PART Alternator mounting

1шт.

36

13-512

BOLT,Hex, 5/16" - 18 x 3/4", Gr 5

2шт.

37

92-5

LOCK WASHER,5/16"

2шт.

40

A39142

MOTOR

STARTING, ASSY - (Repairs Page 40)

1шт.

41

113-219

BOLT,Hex, 3/8" - 16 x 2", Gr 5

3шт.

42

192-21

LOCK WASHER,3/8"

3шт.

43

G46873

GASKET

Starting, Serial Range: motor-block

1шт.

Выбрано товаров: 35