Запчасти Case IH M570 (074) - FRONT AXLE (05) - STEERING

Схема запчастей Case IH M570 - (074) - FRONT AXLE (05) - STEERING
4
11
29
19
14
9
15
2
6
26
8
28
21
24
20
16
3
23
10
18
17
22
5
5
7
9
27
12
25
1
FIT
1:1
100%

Артикул

Название

Примечание

Количество

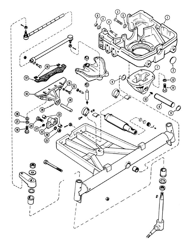
1

A36716

SUPPORT - front axle and radiator

1шт.

2

205-69

PLUG - button (2-1/4" dia.)

1шт.

3

113-663

BOLT (SPREADER)

BOLT - lower (5/8 x 2-1/4" N.C. hex. hd.)

2шт.

4

114-627

BOLT - upper (5/8 x 3" N.F. hex. hd.)

2шт.

5

193-34

LOCK WASHER,Int Tooth, 5/8"

WASHER, LOCK, Int Tooth, 5/8"

4шт.

6

25-1710

NUT,5/8"-18, G5, Hvy

- 5/8" N.F. hex. (Heavy)

2шт.

7

A36621

PEDESTAL - pivot pin, axle

1шт.

8

A37066

PIN

- pivot, axle

1шт.

9

A27085

RING

- snap, pivot pin

2шт.

10

219-1

LUBE NIPPLE,1/8" - 27 NPTF

FITTING - grease, 1/8" P.T. straight

1шт.

11

13-1032

BOLT,Hex, 5/8" - 11 x 2", Gr 5

4шт.

12

92-10

LOCK WASHER,5/8"

WASHER, LOCK, 5/8"

4шт.

14

A36652

BRACKET - rear pivot

1шт.

15

13-1036

BOLT,Hex, 5/8" - 11 x 2-1/4", Gr 5

2шт.

16

92-10

LOCK WASHER,5/8"

WASHER, LOCK, 5/8"

2шт.

17

A36653

GASKET

- rear bracket

1шт.

18

A11604

OIL PAN GASKET SET

- rear bracket

2шт.

19

A38202

BOLT

- 5/16 x 1-1/4" N.C. hex. hd.

4шт.

20

195-400

WASHER

- sealing, 5/16"

4шт.

21

92-5

LOCK WASHER,5/16"

2шт.

22

A38199

PIVOT

ASSY. - radius rod rear

1шт.

23

A29944

BUSHING

- pivot

2шт.

24

13-1036

BOLT,Hex, 5/8" - 11 x 2-1/4", Gr 5

2шт.

25

25-1010

NUT,5/8"-11, G5

2шт.

26

92-10

LOCK WASHER,5/8"

WASHER, LOCK, 5/8"

2шт.

27

219-40

LUBE NIPPLE,65 Degree Elbow, 1/8" - 27 NPTF

FITTING - grease (1/8" P.T. x 67-1/2 degrees)

1шт.

28

A51356

PIN

- pivot, rear

1шт.

29

138-2039

PIN,1/4" x 2", Coiled

1шт.

Выбрано товаров: 28