Запчасти Case IH M570 (102) - TURN SIGNAL LAMPS (09) - CHASSIS/ATTACHMENTS

Схема запчастей Case IH M570 - (102) - TURN SIGNAL LAMPS (09) - CHASSIS/ATTACHMENTS
1
32
34
16
24
3
20
11
4
13
35
3
28
26
33
6
12
14
4
22
17
23
27
2
36
15
25
33
7
21
19
37
29
5
26
30
31
36
FIT
1:1
100%

Артикул

Название

Примечание

Количество

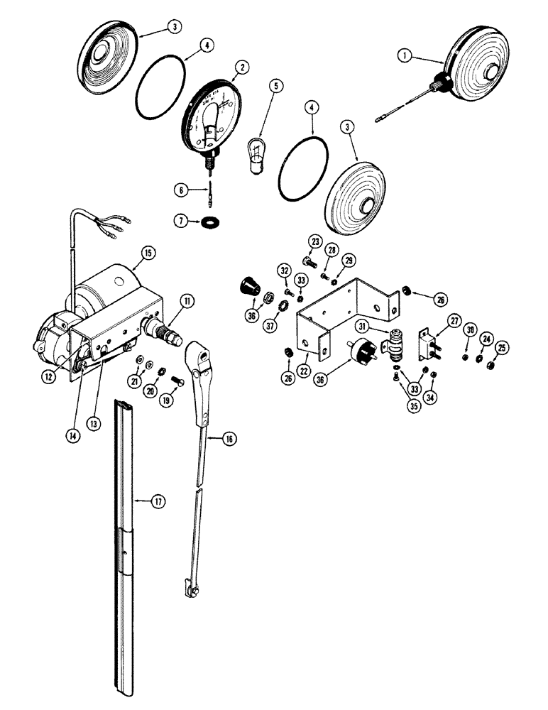
1

A34853

LAMP

ASSY. - turn signal

2шт.

2

NSS

NOT SOLD SEPARAT

BODY - lamp (Order A34853)

1шт.

3

A41261

LENS

- lamp (Amber)

2шт.

4

A41262

O-RING,3.484" ID x 0.139"

"O" RING - lamp sealing

2шт.

5

A41264

BULB,#1156, 12V

Lamp #1156, 12V

1шт.

6

A41260

WIRE - lamp

1шт.

7

A41263

GASKET - lamp mounting

1шт.

11

A36090

SHAFT

- wiper arm, windshield

1шт.

12

A36091

ARM

- rocker, windshield wiper

1шт.

13

A38796

LINK - cross, wiper drive, windshield wiper

1шт.

14

A38797

CLIP - retainer, cross link, windshield wiper

2шт.

15

A36092

MOTOR ASSY. - windshield wiper

1шт.

16

A43202

ARM

ASSY. - wiper (16"), windshield

1шт.

17

A43201

BLADE - wiper (16"), windshield

1шт.

19

78-48

SCREW - mach., 1/4 x 1/2" N.F. truss hd., windshield wiper

2шт.

20

193-44

LOCK WASHER,Ext-Int Tooth, 1/4"

WASHER - lock, 1/4" int. - ext. Shakeproof, windshield wiper

2шт.

21

95-4

WASHER,1/4"

- plain, , windshield wiper 1/4"

4шт.

22

NSS

NOT SOLD SEPARAT

BRACKET - wiper switch, windshield

1шт.

23

77-412

SCREW

- mach., 1/4 x 3/4" N.C. truss hd., windshield wiper

2шт.

24

193-44

LOCK WASHER,Ext-Int Tooth, 1/4"

WASHER - lock, 1/4" int. - ext. Shakeproof, windshield wiper

2шт.

25

25-104

NUT,1/4"-20, G5

Windshield wiper 1/4"-20, G5

2шт.

26

F21348

GROMMET - wire, bracket, windshield wiper

2шт.

27

A36122

BREAKER

- circuit, windshield wiper

1шт.

28

175-75

SCREW - mach., #8-32 x 3/8" N.C. truss hd., windshield wiper

2шт.

29

193-41

WASHER,Ext-Int Tooth, #8

LOCK, , Windshield wiper Ext-Int Tooth, #8

2шт.

30

129-6

NUT,#8-32

Windshield wiper #8-32

2шт.

31

A43213

CAPACITOR

- electrical, wiper, windshield

1шт.

32

175-95

SCREW - mach., #10-24 x 3/8" N.C. truss hd., windshield wiper

1шт.

33

193-42

WASHER, LOCK,Ext-Int Tooth, #10

WASHER - lock, #10 int. - ext. Shakeproof, windshield wiper

4шт.

34

129-7

NUT,Hex, #10 - 24

- hex., #10 N.C., windshield wiper

1шт.

35

174-202

SCREW - mach., #10 x 1/2" N.F. rd. hd., windshield wiper

2шт.

36

A36120

SWITCH ASSY. - wiper, windshield

1шт.

37

193-11

LOCK WASHER,Ext Tooth, 7/16"

WASHER - lock, 7/16" ext. Shakeproof, windshield wiper

1шт.

Выбрано товаров: 33