Запчасти Case IH M570AT (008) - CYLINDER BLOCK ASSEMBLY, (159) SPARK IGNITION ENGINE (02) - ENGINE

Схема запчастей Case IH M570AT - (008) - CYLINDER BLOCK ASSEMBLY, (159) SPARK IGNITION ENGINE (02) - ENGINE
12
18
16
3
14
25
9
24
1
20
11
21
27
25
8
7
19
4
3
6
15
17
28
5
24
26
2
23
13
22
10
FIT
1:1
100%

Артикул

Название

Примечание

Количество

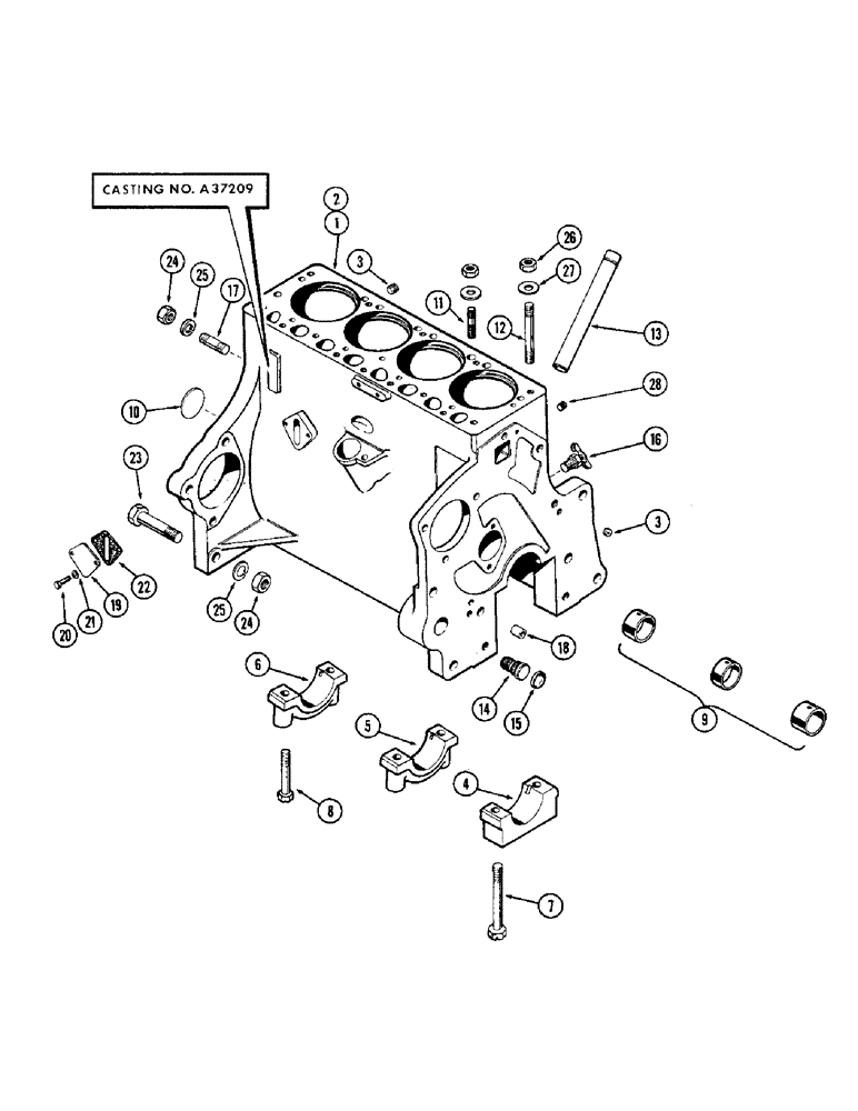
1

A40815

X

SHORT BLOCK ASSY. (Includes crankshaft and bearings, camshaft, pistons and rods, cylinder sleeves and oil pump) (Casting no. A37209), Includes: Ref. 2 - 18

1шт.

2

A40816

SKELETON ENGINE

STRIPPED BLOCK ASSY. - (Casting no. A37209), Includes: Ref. 3 - 15

1шт.

3

217-433

PLUG,Hex Soc, 1/4" - 18 NPTF

Oil gallery Hex Soc, 1/4"-18 NPTF

3шт.

4

G2035

CAP

- crankshaft front bearings

1шт.

5

G2036

CAP

- crankshaft center bearings

1шт.

6

G2037

CAP

- crankshaft front bearings

1шт.

7

G49059

BOLT

- front brg. cap (1/2" x 4-3/4")

2шт.

8

G49037

BOLT

- bearing cap (1/2" x 3")

4шт.

9

A41225

KIT

BUSHING KIT - camshaft (Set of 3)

1шт.

10

A39241

PLUG,Exp, 2.12" dia

- rear (2-1/8" dia.)

1шт.

11

A30057

STUD

- head (1/2" x 2")

9шт.

12

A29436

STUD

- head (1/2" x 5-7/8")

5шт.

13

A37149

TUBE

- dipstick & oil filler

1шт.

14

A153552

ADAPTER

- oil filter

1шт.

15

A37207

X

PLUG - filter adapter

1шт.

16

A23656

COCK, DRAIN

VALVE - drain, cylinder block

1шт.

17

A29333

STUD

- engine mtg. (5/8 x 3")

2шт.

18

A29442

RING

- dowel, timing gear cover

2шт.

19

G11702

COVER

- fuel pump opening

1шт.

20

13-512

BOLT,Hex, 5/16" - 18 x 3/4", Gr 5

2шт.

21

92-5

LOCK WASHER,5/16"

2шт.

22

G46902

GASKET

- cover

1шт.

23

A30099

X

BOLT - engine mtg. (5/8" x 3-1/2")

2шт.

24

25-1110

NUT,5/8"-18, G5

- 5/8" N.F. hex

4шт.

25

92-10

LOCK WASHER,5/8"

WASHER, LOCK, 5/8"

4шт.

26

A30021

NUT

- head stud (1/2" N.F.)

14шт.

27

G49404

WASHER

- head stud

14шт.

28

221-850

PLUG,Hex Soc, 1/16"-27

- pipe, 1/16" hex. socket hd.

1шт.

Выбрано товаров: 28