Запчасти Case IH M570AT (070) - MANUAL PUMP, HYDROSTATIC STEERING (05) - STEERING

Схема запчастей Case IH M570AT - (070) - MANUAL PUMP, HYDROSTATIC STEERING (05) - STEERING
12
20
38
13
34
15
17
31
26
16
18
10
32
6
3
28
37
9
19
30
27
33
9
8
4
1
11
14
36
2
39
5
35
30
28
7
40
FIT
1:1
100%

Артикул

Название

Примечание

Количество

A35579

PUMP

ASSY. - manual, Includes: Ref. 1 - 20

1шт.

1

F82945

BODY

ASSY. - pump, Includes: Ref. 2 and 3

1шт.

2

NSS

NOT SOLD SEPARAT

COMMUTATOR - (Order F82945)

1шт.

3

A30588

NEEDLE BEARING,Needle, 22.23mm ID x 28.57mm OD x 12.7mm W

BEARING - needle

1шт.

4

F19631

PIN

- commutator

1шт.

5

F19632

SHAFT

- coupling

1шт.

6

F19633

NEEDLE BEARING,22.27mm ID x 36.24mm OD x 1.98mm W

BEARING - needle, thrust

1шт.

7

F19634

BEARING WASHER

RACE - thrust bearing

1шт.

8

F19635

LINK

- rotor drive

1шт.

9

F19636

PIN

- link

2шт.

10

A42206

SPACER

- rotor

1шт.

11

A35786

STATOR

ROTOR SET - pump

1шт.

12

NLS

NO LONGER SERVICED

- rotor

1шт.

13

A35787

RETAINER

- rotor seal

1шт.

14

F19641

COVER - end

1шт.

15

F19642

BOLT - cover (5/16 x 1-3/4" N.C. hex.)

7шт.

16

A40624

SEAL

KIT - pump shaft

1шт.

17

A21145

SNAP RING,1.25, Int, #125

RING - snap, 1.25", Int, #125, thrust washer

1шт.

18

F19645

BUSHING

SEAL - dust, felt

1шт.

19

A42057

SEAL

RETAINER - dust seal

1шт.

20

A14567

JAM NUT

- coupling shaft

1шт.

A37980

VALVE

ASSY. - control, Includes: Ref. 26 - 40

1шт.

26

NSS

NOT SOLD SEPARAT

BODY & SPOOL - valve (Order A37980)

1шт.

27

F19624

CAP

- end (See ref. 40), valve

1шт.

28

L30404

CAPTIVE WASHER SCREW,Hex, 3/8" - 16 x 2"

BOLT - end cap (3/8 x 2" N.C. hex.) (w/washer), valve

4шт.

30

F21003

O-RING,1.237" ID x 1.443" OD

"O" RING - end cap, valve

2шт.

31

F19623

SCREW,3/8" - 24 x 15/16"

- centering, valve

1шт.

32

F19622

VALVE SPRING

SPRING - centering, valve

1шт.

33

F19619

WASHER

- spring retaining, valve

2шт.

34

F83122

PLUG

ASSY. - top, valve body, Includes: Ref. 35, valve

1шт.

35

F19628

O-RING

"O" RING - plug, valve

1шт.

36

F82943

VALVE

PLUG ASSY. - relief valve, Includes: Ref. 37 - 39, valve

1шт.

37

F19630

O-RING

"O" RING - relief plug, valve

1шт.

38

211-7

BALL,1/4" Dia

- relief valve 1/4" Dia

1шт.

39

138-60

LOCK PIN,1/8" x 15/16", Slotted

PIN, , Valve 1/8" x 15/16", Slotted

1шт.

40

F19624

CAP

- end (w/o stop), valve

1шт.

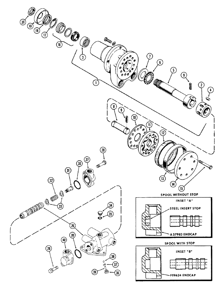
A37983 end cap with stop must be used when valve spool does not have stop as shown in insert "A", F19624 end cap must be used when valve spool does not have built in stop as shown in insert "B".

1шт.

40

A37983

CAP

- end (w/stop), valve

1шт.

A37983 end cap with stop must be used when valve spool does not have stop as shown in insert "A", F19624 end cap must be used when valve spool does not have built in stop as shown in insert "B".

1шт.

Выбрано товаров: 39