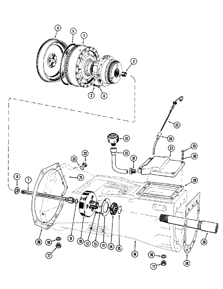
Запчасти Case IH M570AT (046) - TORQUE TUBE AND CONVERTER, TORQUE CONVERTER DRIVE (06) - POWER TRAIN

Схема запчастей Case IH M570AT - (046) - TORQUE TUBE AND CONVERTER, TORQUE CONVERTER DRIVE (06) - POWER TRAIN
18
29
17
14
17
20
26
2
31
12
10
1
27
4
5
8
22
11
21
23
6
28
19
24
7
16
30
15
13
18
32
33
9
25
3
FIT
1:1
100%

Артикул

Название

Примечание

Количество

1

G30373

CONVERTER

ASSY. - torque (Repairs Fig. 48), Includes: Ref. 2

1шт.

2

G49634

BUSHING

- drive shaft

1шт.

3

13-624

BOLT,Hex, 3/8" - 16 x 1-1/2", Gr 5

- 3/8 x 1-1/2" N.C. hex. hd.

5шт.

4

92-6

LOCK WASHER,3/8"

5шт.

5

G46817

GASKET,293.62mm ID x 314.58mm OD x 4.95mm Thk

-, Serial Range: converter-flywheel

1шт.

6

G11860

FLYWHEEL

ASSY. - engine

1шт.

7

A37086

SHAFT

- clutch main drive

1шт.

8

A37087

RING

- seal, clutch shaft

1шт.

9

G49046

WASHER

- thrust, clutch shaft

1шт.

10

G16792

DRUM HUB

DRUM - driven, traction clutch

1шт.

11

G16780

CAP - bearing retainer

1шт.

12

13-512

BOLT,Hex, 5/16" - 18 x 3/4", Gr 5

3шт.

13

92-5

LOCK WASHER,5/16"

3шт.

14

40027

BALL BEARING,49.99mm ID x 80mm OD x 16mm W

- drum, traction clutch

1шт.

15

G46177

SNAP RING,#196, 1.849", Ext

RING - snap, cup bearing

1шт.

16

A37811

TUBE - torque converter drive

1шт.

17

221-689

DRAIN PLUG,Hex Hd, 3/4"-16

PLUG - drain (Magnetic)

2шт.

18

A58608

GASKET

- drain plug

2шт.

19

A37218

X

GASKET - housing to trans. case

1шт.

20

G46876

GASKET

-, Serial Range: housing-engine

1шт.

21

138-63

LOCK PIN,1/8" x 1 1/4", Slotted

PIN, , Timing pointer 1/8" x 1 1/4", Slotted

1шт.

22

A14280

PLUG

- timing hole

1шт.

23

A58608

GASKET

- plug, timing hole

1шт.

24

G30284

SUPPORT - dipstick, oil level

1шт.

25

G45253

DIPSTICK

- oil level

1шт.

26

G14118

COUPLING ASSY. -, Serial Range: converter-transmission

1шт.

27

G1360

COVER - rear torque tube

1шт.

28

G46842

GASKET

- cover mounting

1шт.

29

13-624

BOLT,Hex, 3/8" - 16 x 1-1/2", Gr 5

- hex. hd., 3/8 x 1-1/2" N.C.

4шт.

30

92-6

LOCK WASHER,3/8"

4шт.

31

222-508

TUBE NUT,1"-18

FITTING - tube, 3/4" tube

1шт.

32

G30309

BREATHER,0.7535" OD x 1.5" L

TUBE - breather

1шт.

33

A9238

BREATHER

ASSY. - torque tube

1шт.

Выбрано товаров: 33