Запчасти Case IH M570AT (060) - TRANSMISSION CASE (06) - POWER TRAIN

Схема запчастей Case IH M570AT - (060) - TRANSMISSION CASE (06) - POWER TRAIN
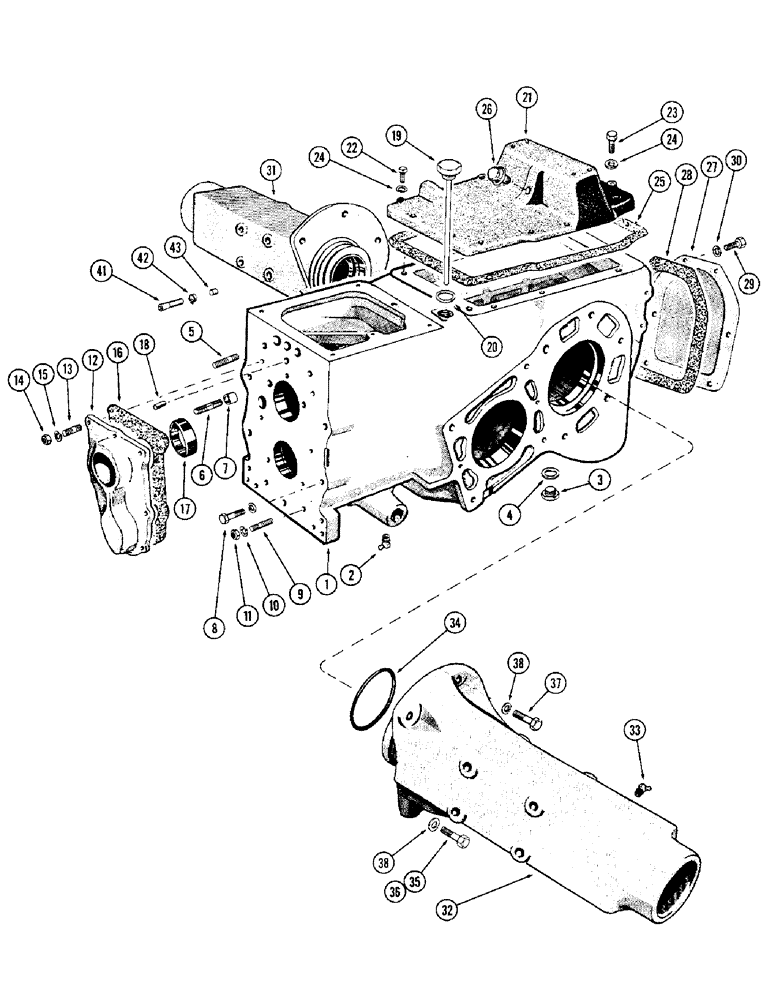
36
34
29
31
42
41
37
28
33
2
35
4
7
13
5
14
25
22
38
27
38
20
24
8
18
3
1
30
24
21
9
26
32
15
16
11
6
17
10
19
43
23
12
FIT
1:1
100%

Артикул

Название

Примечание

Количество

1

A38714

CASE

- transmission

1шт.

2

219-36

LUBE NIPPLE,45 Degree Elbow, 1/8" - 27 NPTF

FITTING - grease, 1/8" x 45 degrees

2шт.

3

221-689

DRAIN PLUG,Hex Hd, 3/4"-16

PLUG - drain, 3/4" N.F. hex. magnetic

1шт.

4

A58608

GASKET

- drain plug (3/4" I.D. x 1" O.D. nylon)

1шт.

5

A37992

STUD

- torque tube, upper R.H. (1/2 x 2-3/8")

3шт.

6

A37993

X

STUD - torque tube, upper L.H. (1/2 x 2-9/16")

1шт.

7

A50011

SLEEVE

- stud, upper L.H.

1шт.

8

13-832

BOLT,Hex, 1/2" - 13 x 2", Gr 5

Torque tube Hex, 1/2"-13 x 2", G5

4шт.

10

92-8

LOCK WASHER,1/2"

8шт.

11

25-118

NUT,1/2"-20, G5

- 1/2" N.F. hex.

4шт.

12

G1027

COVER

- front, trans. case

1шт.

13

G10710

STUD

- front cover (3/8 x 1-3/4")

7шт.

14

25-116

NUT,Hex, 3/8"-24, G5

- 3/8" N.F. hex.

7шт.

15

92-6

LOCK WASHER,3/8"

7шт.

16

G46841

GASKET

- front cover

1шт.

17

G10311

COLLAR

- pilot

1шт.

18

A29540

PIN

DOWEL - torque tube to trans. case.

1шт.

19

A38306

DIPSTICK

- oil level

1шт.

20

A38660

GASKET

- dipstick

1шт.

21

G1097

COVER - top

1шт.

22

113-228

X

BOLT - 3/8 x 1-1/4 N.C. hex. (Gr. 8)

8шт.

23

113-236

X

BOLT - 3/8 x 2" N.C. hex.

4шт.

24

92-6

LOCK WASHER,3/8"

12шт.

25

G10941

GASKET

- cover

1шт.

26

A27173

BREATHER

- oil

1шт.

27

A36885

COVER - rear

1шт.

28

G10447

GASKET

- rear cover

1шт.

29

13-616

BOLT,Hex, 3/8" - 16 x 1", Gr 5, Full Thd

6шт.

30

92-6

LOCK WASHER,3/8"

6шт.

31

A37068

HOUSING

- axle, R.H. rear

1шт.

32

A37069

HOUSING

- axle, L.H. rear

1шт.

33

219-36

LUBE NIPPLE,45 Degree Elbow, 1/8" - 27 NPTF

FITTING - grease, 1/8" P.T. x 45 degrees

2шт.

34

G10347

O-RING,0.139" Thk x 4.984" ID, -250, Cl 5, 75 Duro

"O" RING - axle housing to trans. case

2шт.

35

113-663

BOLT (SPREADER)

BOLT - axle housing (5/8 x 2-1/4")

6шт.

36

113-662

SCREW

BOLT - axle housing (5/8 x 2" N.C. hex.)

2шт.

37

113-667

BOLT - axle housing (5/8 x 4")

2шт.

38

92-10

LOCK WASHER,5/8"

WASHER, LOCK, 5/8"

12шт.

41

A37335

TUBE - oil drain, trans. to torque tube

1шт.

42

214-253

HOSE CLAMP,#10, 0.56" - 1.06", Type F Worm

CLAMP - plug to tube

1шт.

43

A38284

PLUG

- drain tube

1шт.

Выбрано товаров: 40