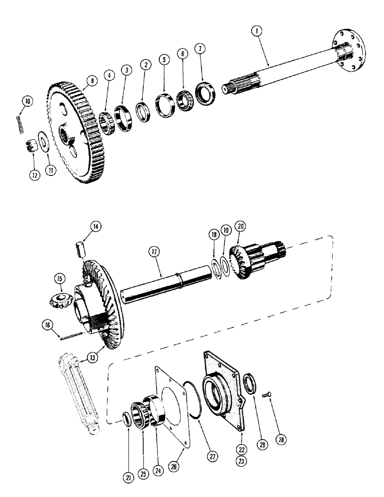
Запчасти Case IH M570AT (064) - DIFFERENTIAL (06) - POWER TRAIN

Схема запчастей Case IH M570AT - (064) - DIFFERENTIAL (06) - POWER TRAIN
20
7
10
12
21
28
22
2
4
26
1
24
17
11
29
18
27
6
5
8
3
16
14
25
13
23
19
15
FIT
1:1
100%

Артикул

Название

Примечание

Количество

1

A38209

SHAFT

- flanged, rear axle

2шт.

2

G13801

OIL SEAL

- oil, axle shaft inner

2шт.

3

G10415

BEARING CUP

CUP - inner bearing, axle shaft

2шт.

4

G10414

ROLLER BEARING

CONE - inner bearing, axle shaft

2шт.

5

G15208

BEARING CUP,110mm OD x 18.82mm W

CUP - outer bearing, axle shaft

2шт.

6

G15207

ROLLER BEARING

CONE - outer bearing, axle shaft

2шт.

7

G13822

SEAL,73.66mm ID x 110.13mm OD x 11mm Thk

- oil, axle shaft outer

2шт.

8

A37925

GEAR

- final drive (66T)

2шт.

10

132-157

COTTER PIN,Ext Prong Sq Cut, 1/4" x 2 1/2"

Pin, Split (Cotter), 1/4" x 2 1/2"

2шт.

11

F62105

WASHER,38.89mm ID x 69.85mm OD x 6.35mm Thk

- take-up (1-17/32" I.D. x 2-3/4" O.D. x 1/4")

2шт.

12

A30075

WHEEL NUT

- slotted, 1-1/2" N.F. hex.

2шт.

13

A38402

KIT

RING GEAR & COUNTERSHAFT - matched set

1шт.

14

A37097

PIN

SHAFT - pinion gear

3шт.

15

A38933

GEAR

- pinion

3шт.

16

138-103

LOCK PIN,3/16" x 1 7/8", Slotted

PIN, LOCK, 3/16" x 1 7/8", Slotted

3шт.

17

A37186

SHAFT

- cross, differential

1шт.

18

A30539

WASHER

- thrust, cross shaft (.089")

1шт.

18

A39007

WASHER

- thrust, cross shaft (.094")

1шт.

18

A30533

WASHER

- thrust, cross shaft (.099")

1шт.

18

A30045

WASHER

- thrust, cross shaft (.104")

1шт.

18

A30543

WASHER

- thrust, countershaft (.109")

1шт.

18

A30051

WASHER

- thrust, countershaft (.119")

1шт.

19

A29388

WASHER

SHIM - thrust washer (.010")

1шт.

20

A38937

PINION

GEAR ASSY. - side, differential, Includes: Ref. 21

2шт.

21

A29902

PLUG

- side gear (1-5/8" dia. cup type)

1шт.

22

G30490

CARRIER

ASSY. - bearing, R.H. side gear, Includes: Ref. 24

1шт.

23

G30491

CARRIER

ASSY. - bearing, L.H. side gear, Includes: Ref. 24

1шт.

24

A26744

BEARING CUP,110.025 mm OD x 18.875 mm

CUP - bearing, R.H. & L.H.

1шт.

25

A30114

CONE

- bearing, R.H. & L.H. side gear

2шт.

26

G10719

SHIM,.005" Thk

Bearing carrier .005" Thk

1шт.

26

G10720

SHIM,.010" Thk

Bearing carrier .010" Thk

1шт.

27

G10347

O-RING,0.139" Thk x 4.984" ID, -250, Cl 5, 75 Duro

"O" RING - bearing carrier

2шт.

28

171-202

SCREW,Phil Flat Hd, Spin Lock, 3/8" - 16 x 3/4"

- 3/8 x 3/4 flat hd. (Spin-Lok)

2шт.

29

G10689

SEAL

- oil, bearing carrier

2шт.

Выбрано товаров: 0