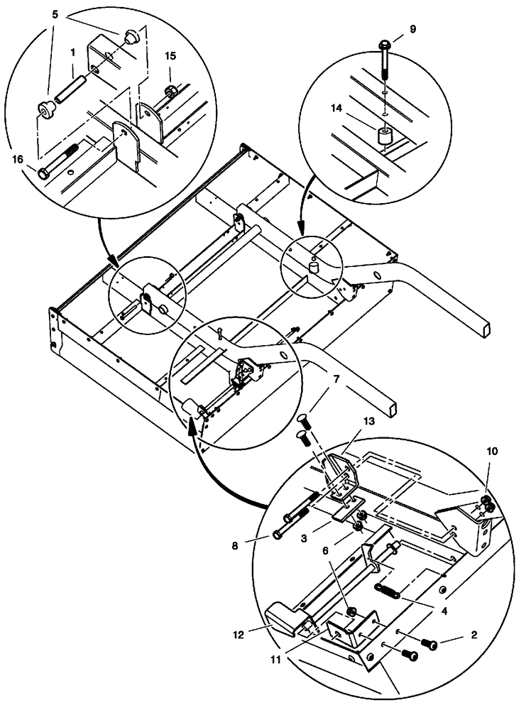
Запчасти Case IH SCOUT (90.110.03) - TILT BED HINGE AND LATCH (90) - PLATFORM, CAB, BODYWORK AND DECALS

Схема запчастей Case IH SCOUT - (90.110.03) - TILT BED HINGE AND LATCH (90) - PLATFORM, CAB, BODYWORK AND DECALS
13
10
14
9
2
4
5
15
11
12
16
3
7
6
8
1
FIT
1:1
100%

Артикул

Название

Примечание

Количество

1

CLC1012303

BUSHING

Steel

2шт.

2

CLC1014415

SCREW

2шт.

3

CLC1015277

LATCH

Tilt Bed

1шт.

4

CLC1015391

LATCH

Spring

1шт.

5

CLC1015583

BUSHING

4шт.

6

CLC101835601

LOCK NUT

4шт.

7

CLC101958601

BOLT

2шт.

8

CLC102298170

BOLT

2шт.

9

CLC102298185

BOLT

2шт.

10

CLC102618601

LOCK NUT

2шт.

11

CLC103436301

BRACKET

Mounting, Bed, Latch

1шт.

12

CLC103436401

BRACKET

Handle, Bed Latch

1шт.

13

CLC103498601

MOUNTING PLATE

Latch

1шт.

14

CLC103509501

BUMPER

Rubber

2шт.

15

CLC8754

LOCK NUT

2шт.

16

CLC8755

SCREW

2шт.

Выбрано товаров: 16