Запчасти Case IH SCOUT (90.118.02) - FRAME COMPONENTS (90) - PLATFORM, CAB, BODYWORK AND DECALS

Схема запчастей Case IH SCOUT - (90.118.02) - FRAME COMPONENTS (90) - PLATFORM, CAB, BODYWORK AND DECALS
2
8
7
5
9
4
10
2
3
6
11
2
1
2
FIT
1:1
100%

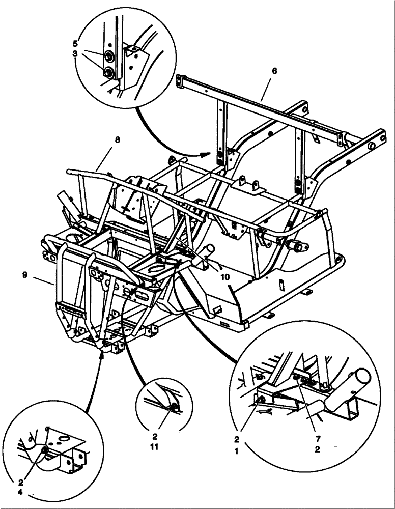
Артикул

Название

Примечание

Количество

1

CLC102298130

BOLT

1шт.

2

CLC102298401

NUT

11шт.

3

CLC102491501

WASHER

4шт.

4

CLC102719501

FLANGE BOLT

2шт.

5

CLC102925201

FLANGE BOLT

4шт.

6

CLC103075801

BRACKET

Mounting, Seat Back

1шт.

7

CLC103146801

FLANGE BOLT

6шт.

8

CLC103152001

BRACKET, SUPPORTING

Dash

1шт.

9

CLC103154001

BRACKET, SUPPORTING

Mounting, Fascia

1шт.

10

CLC103432601

BRACKET, SUPPORTING

Steering

1шт.

11

CLC103531201

FLANGE BOLT

2шт.

Выбрано товаров: 11