Качественные детали и логистика
Оригинальные и аналоговые запчасти с доставкой по России, Казахстану и Беларуси
©2022 PartSell ООО "Система" ИНН 2463123282 ОГРН 1212400004838
Центральный офис: г. Красноярск, Академика Киренского, д.87, пом.4
Телефон: 8 (800) 777-65-74 Email: zakaz@partsell.ru
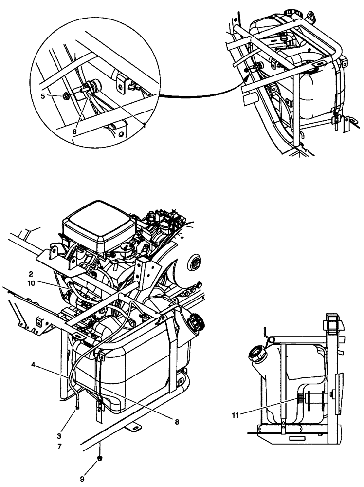
(10.216.01) - FUEL SYSTEM
№
Артикул
Название
Примечание
Количество
1
CLC1010878
BUMPER
Rubber
1шт.
2
CLC1012649
CLAMP
0.460 Red Hose
2шт.
3
CLC1013746
HOSE CLAMP
0.301 ID Hose
4
CLC1015137
LINE
Fuel
5
CLC1015661
NUT
Lock Hex Flanged 1/4-20
6
CLC1016952
1/4-20
7
CLC101824401
ADAPTER
Vent Barb
8
CLC102426301
STRAP
Tank, Fuel
9
CLC102618601
LOCK NUT
M8 X 1.25 Nylon
10
CLC102865101
FUEL HOSE
11
NSS
NOT SOLD SEPARAT
PLUG, Ribbed, Round, 1.5"
Выбрано товаров: 0