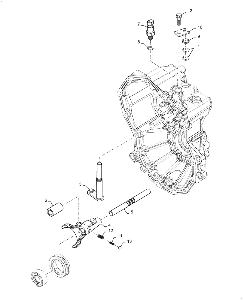
Запчасти Case IH SCOUT (21.100.02[05]) - TRANSAXLE - 2WD AND 4WD (CONTINUED) (21) - TRANSMISSION

Схема запчастей Case IH SCOUT - (21.100.02[05]) - TRANSAXLE - 2WD AND 4WD (CONTINUED) (21) - TRANSMISSION
12
7
2
10
5
6
11
1
4
8
3
9
13
FIT
1:1
100%

Артикул

Название

Примечание

Количество

1

CLC103603101

PACKING

Transaxle

2шт.

2

CLC103603501

BOLT

M8 x 30mm L

1шт.

3

CLC103606201

ARM

Shift

1шт.

4

CLC103606301

FORK

Shift

1шт.

5

CLC103606401

SHAFT

Shift Fork

1шт.

6

CLC103606501

COLLAR

Fork Shaft

1шт.

7

CLC103606601

SWITCH

Safety, Serial Range: -YCXCB5654

1шт.

Scout

1шт.

7

CLC103903101

CONTROL

Safety Switch, Start Serial: YCXCB5655

1шт.

Scout

1шт.

7

CLC103606601

SWITCH

Safety, Serial Range: -YBXCC5007

1шт.

Scout Extd.

1шт.

7

CLC103903101

CONTROL

Safety Switch, Start Serial: YBXCC5008

1шт.

Scout Extd.

1шт.

8

CLC103606701

PACKING

Shift Assy

1шт.

9

CLC103606801

COLLAR

Shift Arm

1шт.

10

CLC103606901

PLATE

Keep, Transaxle

1шт.

11

CLC103607001

SPRING

Inner Shift

1шт.

12

CLC103607101

SPRING

Shift

1шт.

13

CLC103607201

BALL

5/16" OD

1шт.

Выбрано товаров: 20