Запчасти Case IH SCOUT (55.100.02) - ELECTRICAL COMPONENTS (55) - ELECTRICAL SYSTEMS

Схема запчастей Case IH SCOUT - (55.100.02) - ELECTRICAL COMPONENTS (55) - ELECTRICAL SYSTEMS
FIT
1:1
100%

Артикул

Название

Примечание

Количество

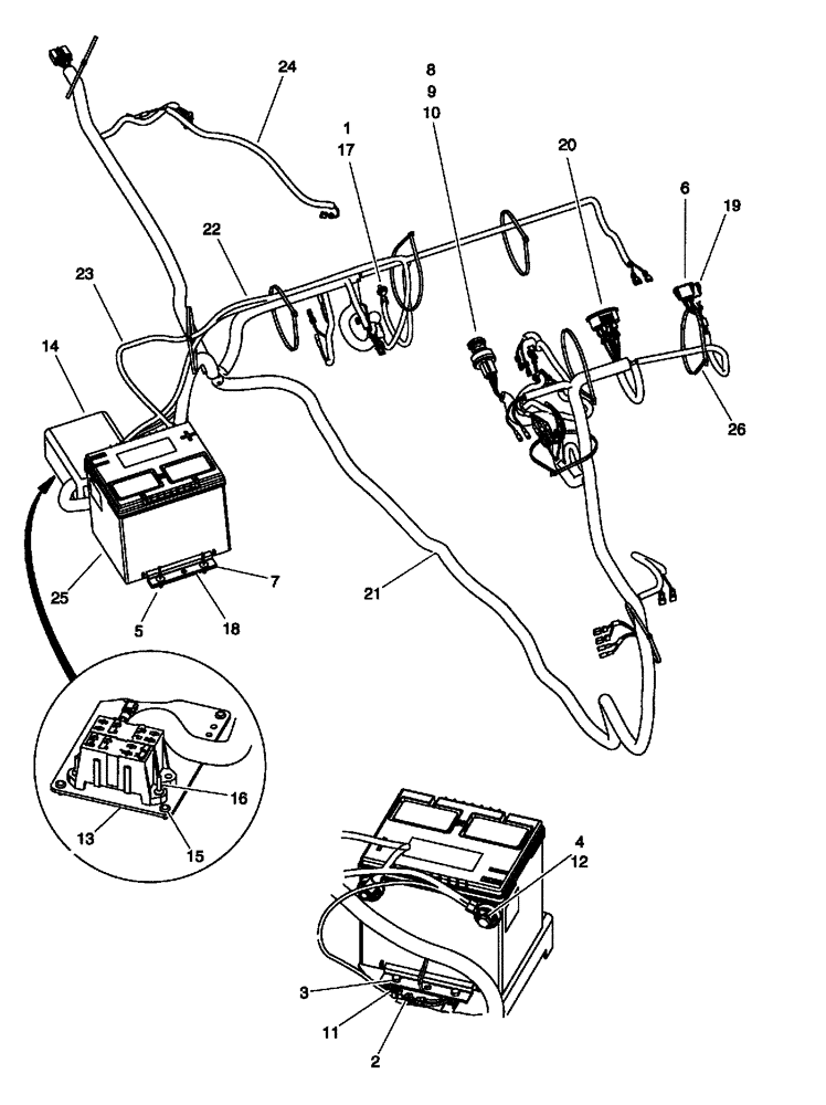
1

CLC96705199

WASHER

1шт.

2

CLC1010545

SCREW

1шт.

3

CLC1012769

SCREW

2шт.

4

CLC1014375

SCREW

2шт.

5

CLC1015392

RIVET

2шт.

6

CLC1016630

LIGHT

Oil

1шт.

7

CLC101898001

CLAMP

Battery

2шт.

8

CLC102044702

SWITCH

1шт.

8

CLC102044801

KEY

Ignition

1шт.

9

CLC102051601

SPACER

Key Switch

1шт.

10

CLC102051701

NUT

Key Switch

1шт.

11

CLC102296601

NUT

2шт.

12

CLC102355301

LOCK WASHER

2шт.

13

CLC102420401

PLATE

Electrical

1шт.

14

CLC102420501

COVER

Electrical

1шт.

15

CLC102447901

FASTENER

Push-In

4шт.

16

CLC102448001

RIVET

Drive

2шт.

17

CLC102490301

BOLT

1шт.

18

CLC102696501

THRUST WASHER

Battery

1шт.

19

CLC103247601

INDICATOR LIGHT

Brake System

1шт.

20

CLC103348102

GAUGE

Fuel/Hour

1шт.

21

CLC103422201

WIRE HARNESS

Main

1шт.

22

CLC103443801

NEG BATTERY CABLE

1шт.

23

CLC103443901

POS BATTERY CABLE

1шт.

24

CLC103479801

JUMPER

1шт.

25

E7060

WET BATTERY

1шт.

26

CLC8639

STRAP

9шт.

Выбрано товаров: 27