Качественные детали и логистика
Оригинальные и аналоговые запчасти с доставкой по России, Казахстану и Беларуси
©2022 PartSell ООО "Система" ИНН 2463123282 ОГРН 1212400004838
Центральный офис: г. Красноярск, Академика Киренского, д.87, пом.4
Телефон: 8 (800) 777-65-74 Email: zakaz@partsell.ru
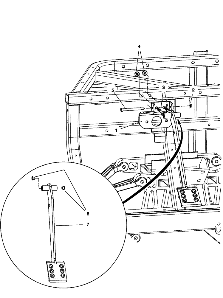
(33.202.06) - BRAKE PEDAL ASSEMBLY
№
Артикул
Название
Примечание
Количество
1
CLC102380601
BRACKET
Pedal, Brake
1шт.
2
CLC102618101
NUT
3
CLC102618301
BOLT
2шт.
4
CLC102618601
LOCK NUT
5
CLC103273101
6
CLC102442901
BUSHING
7
CLC102626201
PEDAL
Выбрано товаров: 0