Запчасти Case IH SCOUT XL (48.134.02) - SHOCK ABSORBERS - HIGH CAPACITY (48) - TRACKS & TRACK SUSPENSION

Схема запчастей Case IH SCOUT XL - (48.134.02) - SHOCK ABSORBERS - HIGH CAPACITY (48) - TRACKS & TRACK SUSPENSION
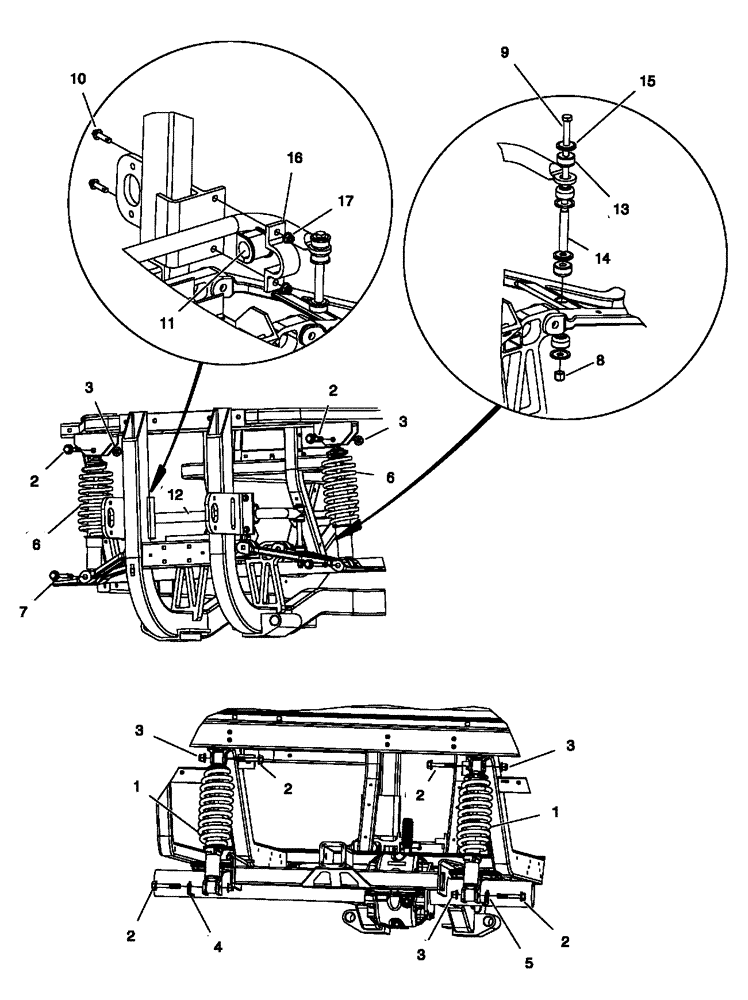
2
8
1
2
15
10
9
11
16
4
6
14
5
1
2
3
3
13
2
2
17
7
3
6
3
3
2
FIT
1:1
100%

Артикул

Название

Примечание

Количество

1

CLC102365602

COIL SPRING

Over, Rear, Model Year 2011 And Prior

2шт.

1

CLC103841601

SHOCK ABSORBER

Coil Over, Rear, Model Year 2012

2шт.

2

CLC102616301

BOLT

6шт.

3

CLC102620501

FLANGE NUT

6шт.

4

CLC102689101

BRACKET, SUPPORTING

Left Hand

1шт.

5

CLC102689102

BRACKET, SUPPORTING

Right Hand

1шт.

6

CLC102792101

SHOCK ABSORBER

Coil Over, Front, Model Year 2011 And Prior

2шт.

6

CLC103841801

SHOCK ABSORBER

Coil Over, Front, Model Year 2012

2шт.

7

CLC102788701

FLANGE BOLT

2шт.

8

CLC8754

LOCK NUT

2шт.

9

CLC1016183

SCREW

2шт.

10

CLC102298130

BOLT

4шт.

11

CLC102446601

BUSHING

1шт.

12

CLC102464601

BAR

1шт.

13

CLC102470101

LINK

8шт.

14

CLC102470501

LINK

2шт.

15

CLC102470601

BUSHING

8шт.

16

CLC102495001

BRACKET, SUPPORTING

2шт.

17

CLC102618601

LOCK NUT

4шт.

Выбрано товаров: 19