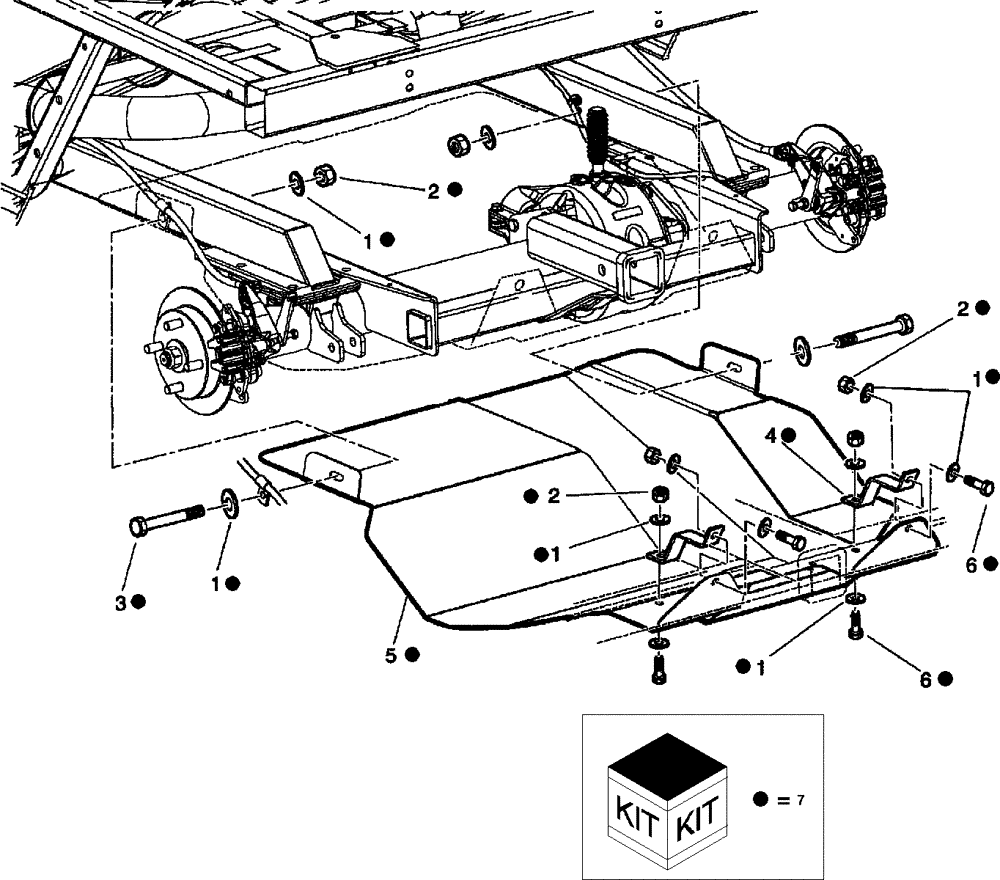
Запчасти Case IH SCOUT XL (88.118.04) - DIA KIT, REAR SKID PLATE (88) - ACCESSORIES

Схема запчастей Case IH SCOUT XL - (88.118.04) - DIA KIT, REAR SKID PLATE (88) - ACCESSORIES
1
7
7
1
1
7
4
7
7
2
2
7
7
7
5
6
7
7
7
7
3
1
7
1
2
6
7
7
FIT
1:1
100%

Артикул

Название

Примечание

Количество

1

CLC1011697

WASHER

12шт.

2

CLC7473

LOCK NUT

6шт.

3

CLC8915

BOLT

2шт.

4

CLCAM1217001

BRACKET

Rear Skid Plate

2шт.

5

CLCAM1216901

SKID PLATE

Rear

1шт.

6

CLC101834701

BOLT

4шт.

7

CLCAM1217101

DIA KIT, ADD PROD

Rear Skid Plate, Inc. 1-6

1шт.

Выбрано товаров: 7