Запчасти Case IH SCOUT XL (10.202.01[01]) - INTAKE DUCT AND AIR BOX ASSEMBLY - GASOLINE ENGINE (10) - ENGINE

Схема запчастей Case IH SCOUT XL - (10.202.01[01]) - INTAKE DUCT AND AIR BOX ASSEMBLY - GASOLINE ENGINE (10) - ENGINE
9
6
5
10
13
4
12
11
2
1
8
7
3
FIT
1:1
100%

Артикул

Название

Примечание

Количество

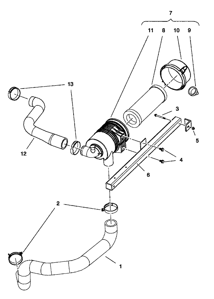
1

CLC102395601

HOSE

Intake, Primary

1шт.

2

CLC102411210

CLAMP

2шт.

3

CLC102541465

BOLT

2шт.

4

CLC102621201

BOLT

2шт.

5

CLC102621501

FLANGE NUT

2шт.

6

NSS

NOT SOLD SEPARAT

SUPPORT, Air Cleaner

1шт.

7

CLC102810701

AIR FILTER

Canister, With Label, Inc. 8-11

1шт.

8

87300178

AIR FILTER

1шт.

9

CLC102725501

VALVE

Evacuator

1шт.

10

CLC102725601

CAP

Latch Lock

1шт.

11

NSS

NOT SOLD SEPARAT

CANISTER, Filter, Air

1шт.

12

CLC103438201

AIR INTAKE TUBE

1шт.

13

CLC103441401

HOSE CLAMP

2шт.

Выбрано товаров: 13