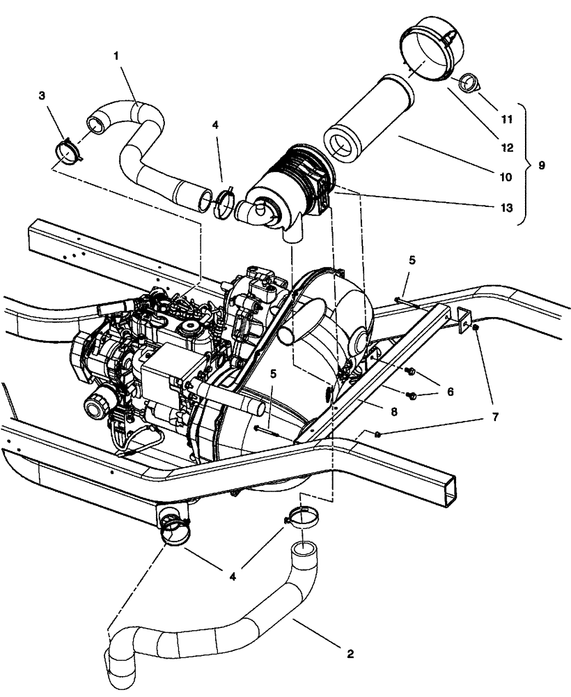
Запчасти Case IH SCOUT XL (10.202.01[02]) - INTAKE DUCT AND AIR BOX ASSEMBLY - DIESEL ENGINE (10) - ENGINE

Схема запчастей Case IH SCOUT XL - (10.202.01[02]) - INTAKE DUCT AND AIR BOX ASSEMBLY - DIESEL ENGINE (10) - ENGINE
8
1
4
12
7
4
5
3
10
11
6
2
5
9
13
FIT
1:1
100%

Артикул

Название

Примечание

Количество

1

CLC102379001

HOSE

Intake

1шт.

2

CLC102395601

HOSE

Intake, Primary

1шт.

3

CLC102411209

CLAMP

1шт.

4

CLC102411210

CLAMP

3шт.

5

CLC102541465

BOLT

2шт.

6

CLC102621201

BOLT

2шт.

7

CLC102621501

FLANGE NUT

2шт.

8

NSS

NOT SOLD SEPARAT

SUPPORT, Air Cleaner

1шт.

9

CLC102810701

AIR FILTER

Canister, With Label, Inc. 10-13

1шт.

10

87300179

AIR FILTER

1шт.

11

CLC102725501

VALVE

Evacuator

1шт.

12

CLC102725601

CAP

Latch Lock

1шт.

13

NSS

NOT SOLD SEPARAT

CANISTER, Filter, Air

1шт.

Выбрано товаров: 13