Запчасти Case IH SCOUT XL (18.110.040) - DRIVE CLUTCH & DISC ASSY (BEFORE JAN 30 2011) (18) - CLUTCH

Схема запчастей Case IH SCOUT XL - (18.110.040) - DRIVE CLUTCH & DISC ASSY (BEFORE JAN 30 2011) (18) - CLUTCH
9
1
19
22
17
13
21
15
14
20
16
4
6
12
7
23
10
11
2
18
8
3
5
FIT
1:1
100%

Артикул

Название

Примечание

Количество

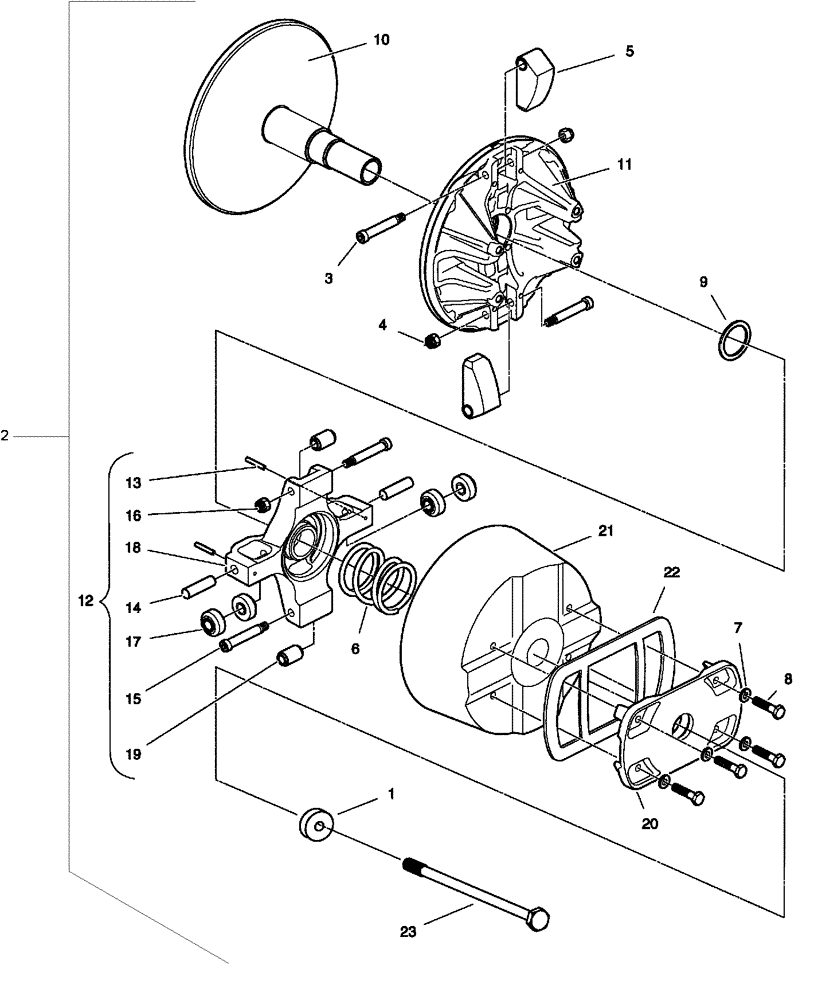
1

CLC102385601

WASHER

1шт.

2

CLC103185401

CLUTCH

Drive, Gas, With Cover, Standard, Non-Engine Braking, Inc. 3-22

1шт.

3

CLC102690501

SCREW

2шт.

4

CLC102690701

LOCK NUT

2шт.

5

CLC102691001

CLUTCH

2шт.

6

CLC102691401

COMPRESSION SPRING

1шт.

7

CLC102691601

LOCK WASHER

4шт.

8

CLC102691701

SCREW

4шт.

9

CLC102691801

SHIM

1шт.

10

NSS

NOT SOLD SEPARAT

DRIVE CLUTCH SUBASSEMBLY

1шт.

11

NSS

NOT SOLD SEPARAT

DRIVE CLUTCH SUBASSEMBLY, Moveable

1шт.

12

NSS

NOT SOLD SEPARAT

SPIDER SUBASSEMBLY, Inc. 13-19

1шт.

13

CLC102690201

SLOTTED PIN

2шт.

14

CLC102690301

PIN

2шт.

15

CLC102690501

SCREW

2шт.

16

CLC102690701

LOCK NUT

2шт.

17

CLC102691901

ROLLER

Torque, Gas

4шт.

18

NSS

NOT SOLD SEPARAT

SPIDER, Drive Clutch

1шт.

19

CLC102839401

WEIGHT

Roller

2шт.

20

NSS

NOT SOLD SEPARAT

COVER, Drive Clutch

1шт.

21

CLC103185801

CLUTCH

1шт.

22

CLC103185901

GASKET

Cover, Clutch

1шт.

23

CLC103201501

BOLT

1шт.

Выбрано товаров: 23