Запчасти Case IH SCOUT XL (21.100.02[04]) - TRANSMISSION (SEPT 14 2011 - MAY 17 2013) (21) - TRANSMISSION

Схема запчастей Case IH SCOUT XL - (21.100.02[04]) - TRANSMISSION (SEPT 14 2011 - MAY 17 2013) (21) - TRANSMISSION
28
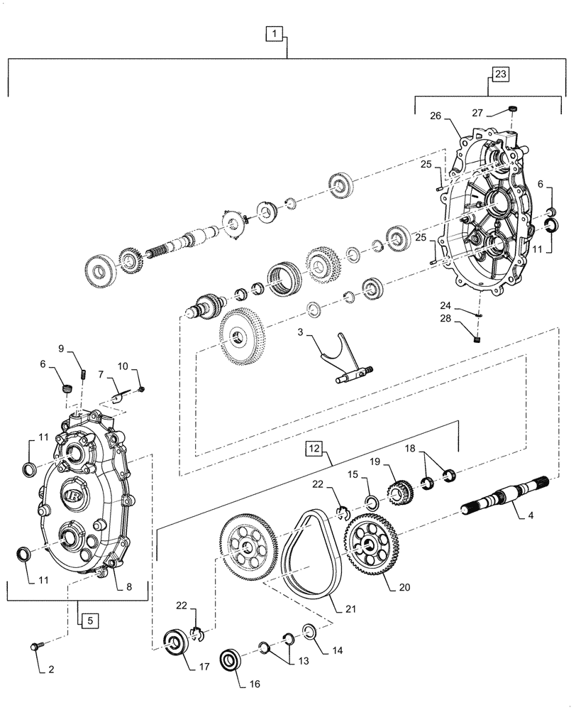
1
27
25
21
9
22
4
11
17
23
11
13
5
16
6
11
25
20
3
18
8
12
26
10
19
24
22
15
7
14
6
2
FIT
1:1
100%

Артикул

Название

Примечание

Количество

1

CLC103883101

TRANSMISSION

Assy, W/O Governor, Incl 2 - 28

1шт.

2

CLC102693301

SCREW

M8 x 35mm L

11шт.

3

CLC102697801

CLUTCH FORK

Transmission

1шт.

4

CLC102698801

Output

1шт.

5

CLC102764201

CASE

Rear, Gear, ASM, Incl 6 - 11

1шт.

6

CLC102694201

PLUG

1/12" - 14

2шт.

7

NSS

NOT SOLD SEPARAT

Oil Deflector, Incl in 1, 5

1шт.

8

NSS

NOT SOLD SEPARAT

Rear, Gear Case, Incl in 1, 5

1шт.

9

NSS

NOT SOLD SEPARAT

Transmission Vent, Incl in 1, 5

1шт.

10

NSS

NOT SOLD SEPARAT

Tapping Screw, #10 - 24 x 3/8" L

1шт.

11

CLC102699401

SEAL

Triple, 25mm ID x 35mm OD x 7.8mm Thk

3шт.

12

CLC102765201

REPAIR KIT

Reverse Gear, Incl 13 - 22

1шт.

13

CLC102696201

RING

Retaining

1шт.

14

CLC102696501

THRUST WASHER

1-5/64" OD x 1/16" Thk

1шт.

15

CLC102696701

WASHER

26.23mm ID x 39.16mm OD x 1.57mm Thk

1шт.

16

CLC102696801

BALL BEARING

1шт.

17

CLC102696901

BALL BEARING

1шт.

18

CLC102697101

NEEDLE BEARING

2шт.

19

NSS

NOT SOLD SEPARAT

Sprocket, 19T, Incl in 1, 12

1шт.

20

NSS

NOT SOLD SEPARAT

Sprocket, 51T, Incl in 1, 12

1шт.

21

NSS

NOT SOLD SEPARAT

Chain, 60mm Pitch

1шт.

22

CLC102699701

RING

Retaining, E - Ring

2шт.

23

CLC103250301

CASE

Front, Gear Case, Incl 6, 11, 24 - 28

1шт.

24

CLC102693501

WASHER

3/8" ID x 5/8" OD x 39/64" Thk

1шт.

25

CLC102696101

PIN

6mm OD x 20mm L

2шт.

26

NSS

NOT SOLD SEPARAT

Front, Gear Case, Incl in 1, 23

1шт.

27

CLC102721501

SEAL

Dual Lip

1шт.

28

CLC103250401

PLUG

3/4" - 16

1шт.

Выбрано товаров: 28