Запчасти Case 336B (18) - 336BD & 336BDT DIESEL ENGINES, CRANKSHAFT & FLYWHEEL, WITH

Схема запчастей Case 336B - (18) - 336BD & 336BDT DIESEL ENGINES, CRANKSHAFT & FLYWHEEL, WITH
7
35
5
37
26
14
19
36
18
2
22
36
7
6
27
1
13
15
12
20
9
21
6
3
5
37
28
FIT
1:1
100%

Артикул

Название

Примечание

Количество

1

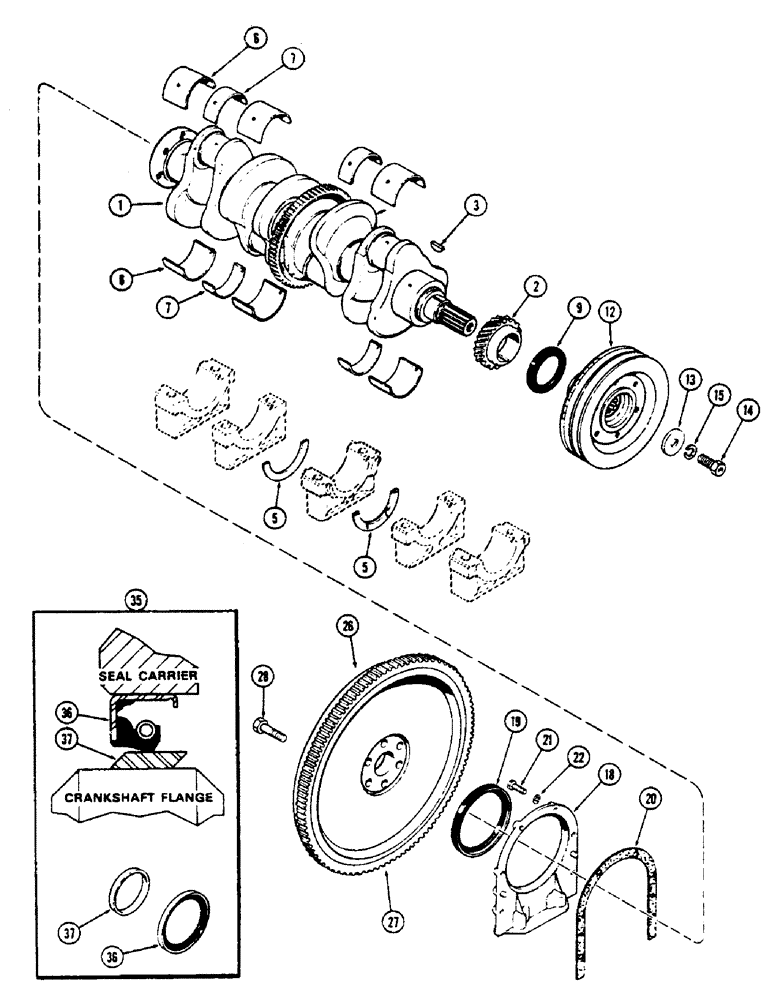
A148609

CRANKSHAFT

ASSY - engine (Replaces A66018)

1шт.

2

A66404

GEAR

- crankshaft (Replaces A58573)

1шт.

3

126-129

WOODRUFF KEY,#C, 5/16" x 1 1/8", HT

Gear #C, 5/16" x 1 1/8", HT

1шт.

5

A58565

WASHER

- thrust, crankshaft (Std.) (.185")

2шт.

5

A42447

WASHER

- thrust, crankshaft (Oversize) (.191")

2шт.

6

A43090

BEARING LINER

LINER - main bearing, wide (Std.)

3шт.

6

A41907

KIT

LINER - main bearing, wide (-.002")

3шт.

6

A41908

KIT

LINER - main bearing, wide (-.010")

3шт.

6

A41909

BEARING LINER

LINER - main bearing, wide (-.020")

3шт.

6

A41910

JOURNAL

LINER - main bearing, wide (-.030")

3шт.

7

A43089

BEARING LINER

LINER - main bearing, narrow (Std.)

2шт.

7

A41903

JOURNAL

LINER - main bearing, narrow (-.002")

2шт.

7

A41904

KIT

LINER - main bearing, narrow (-.010")

2шт.

7

A41905

LINING

LINER - main bearing, narrow (-.020")

2шт.

7

A41906

JOURNAL

LINER - main bearing, narrow (-.030")

2шт.

9

A62049

OIL SEAL

- crankshaft front, 2-5/8 x 3-5/8 x 31/64"

1шт.

12

A135381

PULLEY

- fan drive

1шт.

13

A27903

WASHER

- drive pulley

1шт.

14

88112

BOLT,Hex, 5/8" - 18 x 1 1/2", Gr 5

Drive pulley Hex, 5/8"-18 x 1 1/2", G5

1шт.

15

92-10

LOCK WASHER,5/8"

WASHER, LOCK, 5/8"

1шт.

18

A57457

RETAINER

- crankshaft rear oil seal

1шт.

19

A62050

OIL SEAL

- crankshaft, rear, 4-3/4 x 5-3/4 x 1/2" (See wear seal kit, Ref. 35)

1шт.

20

A32830

GASKET

- retainer

1шт.

21

13-620

BOLT,Hex, 3/8" - 16 x 1-1/4", Gr 5, Full Thd

6шт.

22

92-6

LOCK WASHER,3/8"

WASHER - lock, 3/8"

6шт.

26

A59235

FLYWHEEL ASSY, Includes: Ref. 27

1шт.

27

A58778

GEAR

- ring (139 teeth)

1шт.

28

28-1024

BOLT,Hex, 5/8" - 18 x 1-1/2", Gr 8

- 5/8 x 1-1/2" N.C. hex

6шт.

35

A43194

KIT

- wear seal, crankshaft rear oil, Includes: Ref. 36 and 37

1шт.

36

NSS

NOT SOLD SEPARAT

SEAL - oil, rear (4-7/8 x 5-3/4 x 1/2"), wear kit

1шт.

37

NSS

NOT SOLD SEPARAT

SLEEVE - wear seal kit, 4-3/4 x 4-7/8 x 9/16"

1шт.

Выбрано товаров: 31